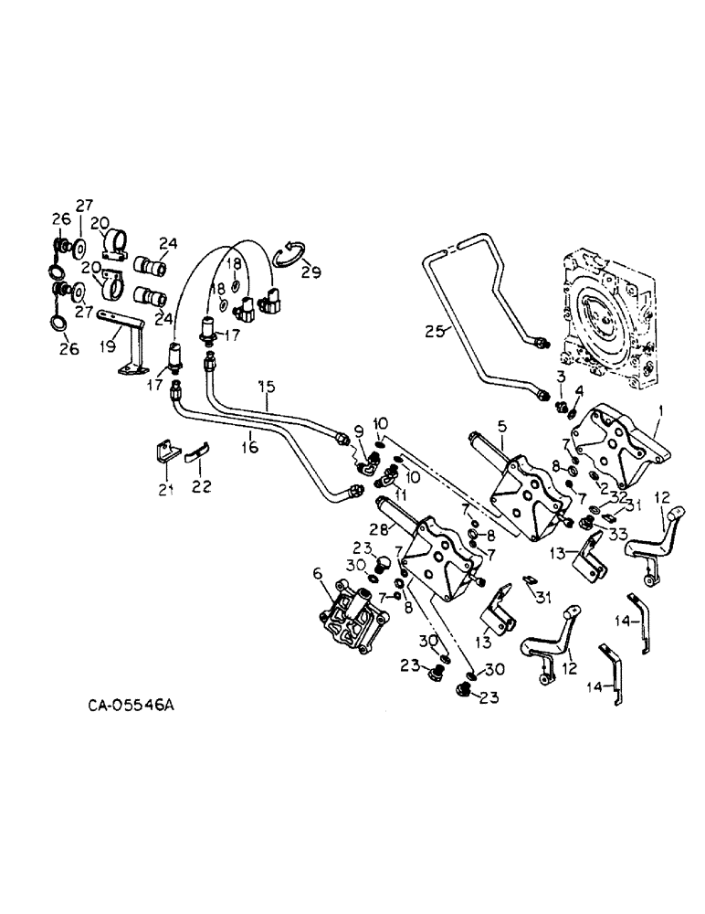
Запчасти Case IH 574 (10-40) - HYDRAULICS, AUXILIARY VALVE AND TUBES, SERIAL NO. 113210 AND ABOVE (07) - HYDRAULICS

Схема запчастей Case IH 574 - (10-40) - HYDRAULICS, AUXILIARY VALVE AND TUBES, SERIAL NO. 113210 AND ABOVE (07) - HYDRAULICS
31
3
7
31
23
7
12
20
8
30
12
24
18
26
30
20
14
32
6
7
23
23
17
7
21
11
5
10
24
29
10
2
28
13
15
7
8
25
4
22
19
17
30
1
16
27
26
33
18
13
8
14
7
9
27
FIT
1:1
100%

Артикул

Название

Примечание

Количество

SERVICE PARTS FOR SINGLE AUXILIARY HYDRAULIC VALVE AND MANIFOLD ATTACHMENTS, for tractors equipped with hydraulic draft control, consists of all parts marked unit A

1шт.

114567C91

PARTS ACCESSORY, single auxiliary hydraulic valve, for tractors equipped with hydraulic draft control, consists of all parts marked unit B

1шт.

114569C91

PARTS ACCESSORY, second auxiliary hydraulic valve, for tractors equipped with first valve, consists of all parts marked unit C

1шт.

114566C91

KIT

PARTS ACCESSORY, power beyond, for use with 1850, 2050A or 2250 loaders, consists of all parts marked unit D

1шт.

114568C91

PARTS ACCESSORY, rear manifold, for used with first valve, consists of all parts marked unit E

1шт.

1

123105C1

BLOCK

control valve transfer units A and B

1шт.

347756R1

12 PT SCREW,Flg, 3/8"-16 x 1 3/4"

SCREW, 3/8-16 x 1-3/4 12 PT cap

3шт.

2

379794R1

O-RING,0.103" Thk x 1.237" ID, -124, Cl 5, 75 Duro

1-1/4 x 1-7/16 x 3/32, units A and B

1шт.

3

9410204

HYD CONNECTOR,7/8"-14, 37 Degree x 7/8"-14, O-Ring

UNION, 7/8-14 C-Z 37 deg hyd flared tube short swivel, units A and B

1шт.

4

364885R1

O-RING,0.097" Thk x 0.755" ID, -910, Cl 6, 90 Duro

5/8 OD tube, units A and B

1шт.

5

62464C92

VALVE

ASSY, hyd open center control, units A and B, for components see list of parts under details of hydraulic control valve

1шт.

6

123104C1

COVER

hyd open center control valve, units A and B

1шт.

6

123082C1

COVER

hyd open center control valve power beyond, unit D

1шт.

280161

BOLT,Hex, 3/8" - 16 x 3", Gr 5

4шт.

7

20947R1

O-RING,0.103" Thk x 0.799" ID, -117, Cl 6, 90 Duro

.799 x 1.005 x 3/32, 2 for units A & B, 1 for unit C and D

1шт.

8

383219R1

O-RING,0.924" ID x 0.103" Width

.799 x 1.005 x 3/32, 2 for units A & B, 1 for unit C and D

1шт.

9

9411106

ELBOW

7/8-14 C-Z 37 deg hyd flared tube adj str thd 45 deg, units A and E

1шт.

10

364885R1

O-RING,0.097" Thk x 0.755" ID, -910, Cl 6, 90 Duro

5/8 OD tube, 2 for units A and E

1шт.

11

9410978

ELBOW,90 Degree, 7/8"-14, 37 Degree x 7/8"-14, O-Ring

7/8-14 C-Z 37 deg hyd flared tube adj str thd 90 deg, units A and E

1шт.

12

114564C1

HANDLE

auxiliary hyd valve control, units A, B and C

1шт.

120394

WASHER,3/8", SAE

WASHER, .406 x .812 x .051 znd

2шт.

46883H

CLEVIS PIN,3/8" x 1 9/16"

PIN, 3/8 x 9/16 clevis

1шт.

103373

COTTER PIN,3/32" x 3/4"

Pin, Split (Cotter), 3/32" x 3/4"

1шт.

13

114556C1

BRACKET

auxiliary hyd valve control handle lock-out

1шт.

179793

BOLT,Hex, 1/4" - 20 x 5/8", Gr 5, Full Thd

2шт.

103319

LOCK WASHER,1/4"

WASHER, LOCK, 1/4"

2шт.

14

114557C1

BAR

auxiliary hyd valve float lockout, units A and B

1шт.

14

114558C1

BAR, auxiliary hyd valve float lockout, unit C

1шт.

180077

BOLT,Hex, 5/16" - 18 x 3/4", Gr 5

SCREW, 5/16-18 x 3/4 znd hex-hd cap

1шт.

80681

LOCK WASHER,5/16"

WASHER, LOCK, 5/16"

1шт.

120393

BEARING WASHER,5/16", SAE

WASHER, .344 x .688 x .051 znd

1шт.

15

114559C1

TUBE

ASSY, rear outlet raise, units A and E

1шт.

16

114560C1

TUBE

ASSY, rear outlet lower, units A and E

1шт.

17

535302R1

HOSE

ASSY, rear outlet, 2 for units A and E

1шт.

18

364885R1

O-RING,0.097" Thk x 0.755" ID, -910, Cl 6, 90 Duro

5/8 OD tube, 2 for units A and E

1шт.

19

535298R1

SUPPORT

BRACKET ASSY, rear manifold mounting, units A and E

1шт.

9635884

BOLT,Hex, 5/16" - 18 1", Full Thd, Gr 5

5/16-18 x 1 znd hex-hd cap

2шт.

80681

LOCK WASHER,5/16"

WASHER, LOCK, 5/16"

2шт.

120376

NUT,5/16"-18, G5

2шт.

179890

LATCH

SCREW, 1/2-13 x 2-1/4 hex-hd cap

2шт.

20

3114106R1

CLAMP

mounting, 2 for units A and E

1шт.

21

535300R1

BRACKET

rear outlet tube, units A and E

1шт.

179889

BOLT,Hex, 1/2" - 13 x 2", Gr 5

SCREW, 1/2-13 x 2 hex-hd cap

1шт.

22

535301R1

CLAMP

rear outlet tube, units A and E

1шт.

180081

BOLT,Hex, 5/16"-18 x 1 1/4", G5

5/16"-18 x 1-1/4" znd hex-hd cap

1шт.

80681

LOCK WASHER,5/16"

WASHER, LOCK, 5/16"

1шт.

120376

NUT,5/16"-18, G5

1шт.

23

9410360

PLUG

7/8-14 C-Z str thd o-ring boss, 1 for unit A, 3 for unit B

1шт.

24

395150R91

COUPLING, QUICK, FEM

COUPLING ASSY, hyd self-sealing female straight thread, 2 for units A and E

1шт.

25

530222R1

TUBE

ASSY, auxiliary hyd valve return, unit B

1шт.

26

401757R11

PLUG

W/WASHER, 401758R1, coupling dust, 2 for units A and E

1шт.

27

401758R1

WASHER,14.48mm ID x 38.1mm OD x 3.05mm Thk

dust plug, 2 for units A and E

1шт.

28

62464C92

VALVE

ASSY, hyd open center control, unit C, for components see list of parts under details of hydraulic control valve

1шт.

450517

BOLT,Hex, 3/8" - 16 x 4 3/4", Gr 5

SCREW, 3/8-16 x 4-3/4 hex-hd cap

4шт.

29

306132R1

STRAP, hose, units A and E

1шт.

30

364885R1

O-RING,0.097" Thk x 0.755" ID, -910, Cl 6, 90 Duro

5/8 OD tube, 1 for unit A, 3 for unit B

1шт.

31

1310D

LINK

CHAIN, no. 50 connecting link, units A, B and C

1шт.

32

364885R1

O-RING,0.097" Thk x 0.755" ID, -910, Cl 6, 90 Duro

5/8 OD tube, units A and B

1шт.

33

9410360

PLUG

7/8-14 C-Z str thd o-ring boss, units A and B

1шт.

Выбрано товаров: 59