Запчасти Case IH 574 (10-55) - HYDRAULICS, HYDRAULIC CONTROL VALVE, TRACTORS WITH AUXILIARY VALVES, SERIAL NO. 113210 AND ABOVE (07) - HYDRAULICS

Схема запчастей Case IH 574 - (10-55) - HYDRAULICS, HYDRAULIC CONTROL VALVE, TRACTORS WITH AUXILIARY VALVES, SERIAL NO. 113210 AND ABOVE (07) - HYDRAULICS
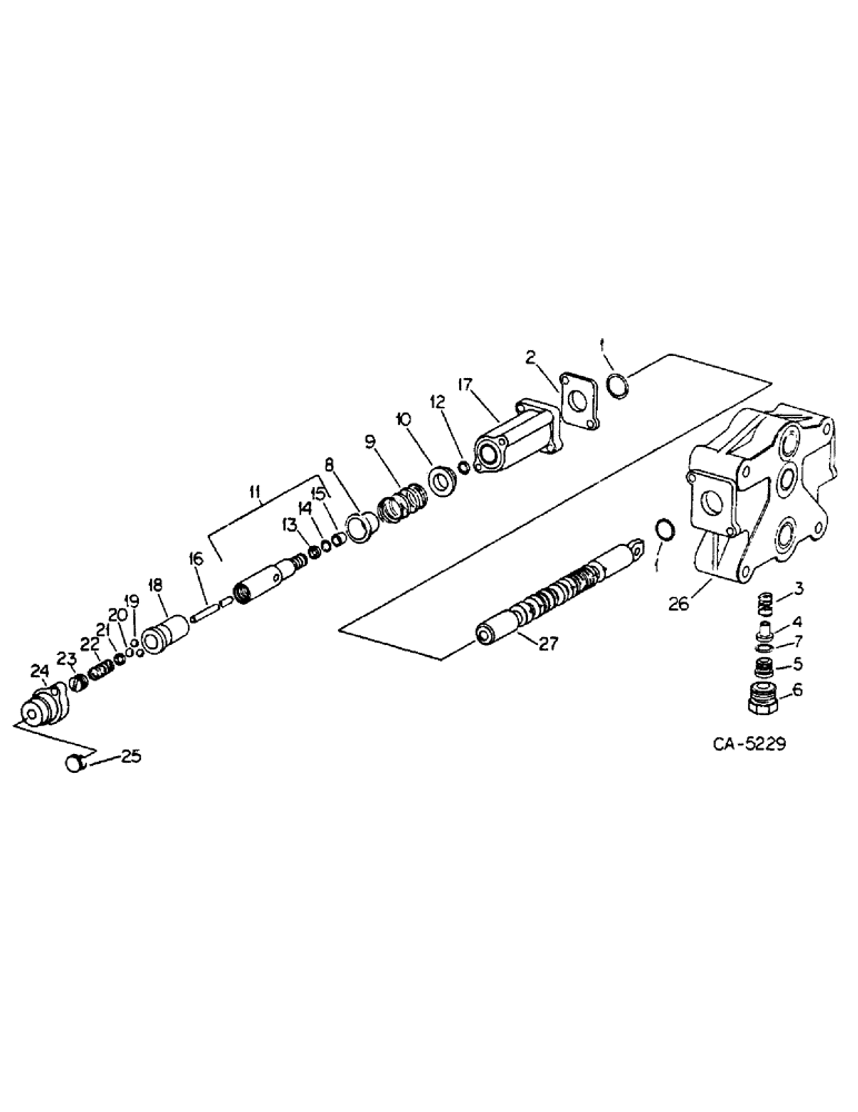
7
2
1
11
20
18
10
12
27
25
5
16
24
15
9
26
4
23
1
13
8
14
3
17
19
6
22
21
FIT
1:1
100%

Артикул

Название

Примечание

Количество

62464C92

VALVE

ASSY, hydraulic control

1шт.

1

350429R1

O-RING,0.103" Thk x 0.612" ID, -114, Cl 5, 75 Duro

5/8 x 13/16 x 3/32, valve spool

2шт.

2

62469C1

RETAINER

o-ring

1шт.

3

62470C1

SPRING

check valve

1шт.

4

108867C1

VALVE POPPET

POPPET, reverse flow check valve

1шт.

5

108868C1

SEAT

reverse flow check valve

1шт.

6

9410359

PLUG

3/4-16 C-Z str thd o-ring boss

1шт.

7

570828R1

O-RING,0.087" Thk x 0.644" ID, -908, Cl 6, 90 Duro

1/2 OD tube

1шт.

8

62471C1

SPRING CUP

CUP, centering spring

1шт.

9

62472C1

SPRING

centering

1шт.

10

62473C2

RETAINER

centering spring

1шт.

11

62474C91

BODY

ACTUATOR ASSY, centering spring

1шт.

12

379795R1

O-RING,0.064" Thk x 0.301" ID, -903, Cl 6, 90 Duro

3-1, .301" ID x .064" Thk, 3/16 OD tube

1шт.

13

529903R1

WASHER

back-up

1шт.

14

21587R1

O-RING,0.07" Thk x 0.114" ID, -6, Cl 6, 90 Duro

1/8 x 1/4 x 1/16, centering spring actuator

1шт.

15

529904R1

RETAINER

o-ring

1шт.

16

529905R1

PISTON

unlatching

1шт.

17

62478C1

HOUSING

sleeve

1шт.

26629R1

12 PT SCREW,Flg, 1/4" - 20 x 1"

SCREW, 1/4 x 1.00 PHC type 8 12 PT

2шт.

18

128034C1

SLEEVE

position control, replaces 62479C1

1шт.

19

16007R1

BALL

7/32 cr-stl detent

3шт.

20

16013R1

BALL

13/32 cr-stl detent actuating

1шт.

21

62480C1

WASHER

detent actuating ball

1шт.

22

114032C1

SPRING

detent

1шт.

23

377803R1

PLUG

spring retaining

1шт.

23

62482C1

CAP

retaining

1шт.

26629R1

12 PT SCREW,Flg, 1/4" - 20 x 1"

SCREW, 1/4 x 1.000 PHC typ 8 12 PT

2шт.

25

432359

PLUG, 7/16 stl button

1шт.

26

BODY, hydraulic control valve, not serviced separately, order valve assy, 62464C92

1шт.

27

SPOOL, hydraulic control valve body, not sercived separately, order valve assy, 62464C92

1шт.

Выбрано товаров: 30