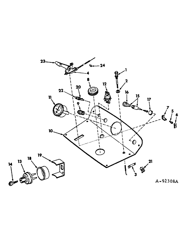
Запчасти Case IH 154 (11-01) - INSTRUMENTS, ENGINE CONTROLS AND INSTRUMENTS, CUB 154 LO-BOY SERIAL NO. 14535 AND BELOW Instruments

Схема запчастей Case IH 154 - (11-01) - INSTRUMENTS, ENGINE CONTROLS AND INSTRUMENTS, CUB 154 LO-BOY SERIAL NO. 14535 AND BELOW Instruments
16
18
9
17
23
4
10
15
19
11
6
7
14
8
13
22
2
5
20
3
1
24
21
12
FIT
1:1
100%

Артикул

Название

Примечание

Количество

1

404558R3

CABLE

ASSY, choke lever

1шт.

2

401440R1

WASHER

bezel choke

1шт.

3

404559R1

CLIP, choke cable

1шт.

4

543920R1

LEVER

Lever and Cable Assy, less knob, replaces 404557R91

1шт.

120221

NUT,Sl Rnd Hd, #10 - 24 x 1/2"

SCREW, no. 10 x 1/2 znp R/HDS mach

2шт.

120217

LOCK WASHER,#10

WASHER, LOCK, #10

2шт.

5

404853R1

PIN

governor control swivel

1шт.

103361

PIN, SPLIT (COTTER)

PIN, 1/16 x 1/2 cot.

1шт.

103373

COTTER PIN,3/32" x 3/4"

Pin, Split (Cotter), 3/32" x 3/4"

1шт.

132105

SCREW,Sl Fil Hd, #10 - 32 x 3/8"

10-32 x 3/4 fil-hd-sl mach

1шт.

120385

WASHER,3/16"

1/4 x 9/16 x .049

1шт.

95-11041

WASHER,3/8"

(13/32 x 13/16 x 16 ga) 3/8"

1шт.

6

32596D

FASTENER

CLAMP, throttle control

1шт.

NLS

NO LONGER SERVICED

10-32 x 5/8 C-Z cr-rec-f-hd mach

1шт.

120217

LOCK WASHER,#10

WASHER, LOCK, #10

1шт.

7

406565R1

SUPPORT

BRACKET ASSY, throttle control

1шт.

8

376254R1

GROMMET

instrument panel

1шт.

9

404854R1

SOCKET

ASSY, tellite

1шт.

10

549998R2

PANEL

instrument

1шт.

23927R1

SCREW

1/4-20 x 5/8 CAD cr-rec-pan hd mach

6шт.

162050

SCREW, 14-10 x 1/2 C-Z cr-rec-pan-hd tap

1шт.

11

378424R91

GAUGE

INDICATOR ASSY, charge

1шт.

12

376851R92

SWITCH

ASSY, lighting

1шт.

13

60736C2

SWITCH

ASSY, battery ignition key, replaces 392950R92

1шт.

365502R1

NUT

battery ignition switch

2шт.

375431R1

LOCK WASHER

battery ignition switch

1шт.

14

131313C1

KEY, IGNITION

switch

1шт.

15

393699R91

CIGARETTE, lighter parts accessory

1шт.

16

378781R91

PACKAGE

UNIT, pop out

1шт.

17

432281

HOLE PLUG BUTTON,29/32"

PLUG, 29/32 button, cigarette lighter opening hole

1шт.

18

402238R1

SOCKET

ignition switch

1шт.

19

402239R1

CHANNEL

RETAINER, ignition switch

1шт.

20

376852R91

HOUSING

ASSY, fuse

2шт.

9426333

FUSE,15 Amp, Type 3AG

cartridge type AGC15

2шт.

21

391076R1

CLIP

speed

1шт.

22

356445R92

KNOB, fuse holder

1шт.

23

530118R1

BUTTON

KNOB, throttle control cable lever

1шт.

24

61813D

CLIP

throttle cable

1шт.

179812

GEAR

SCREW, 5/16-18 x 1/2 hex-hd cap

1шт.

Выбрано товаров: 39