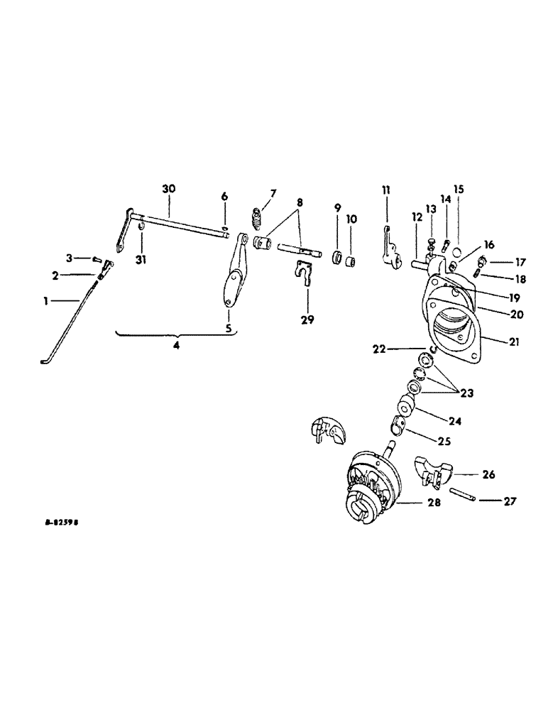
Запчасти Case IH 154 (12-13) - POWER, C-60 ENGINE, GOVERNOR AND CONNECTIONS Power

Схема запчастей Case IH 154 - (12-13) - POWER, C-60 ENGINE, GOVERNOR AND CONNECTIONS Power
2
9
8
12
29
1
15
13
20
6
21
4
24
27
30
19
28
10
31
18
16
22
14
5
23
26
17
7
11
25
3
FIT
1:1
100%

Артикул

Название

Примечание

Количество

1

251470R1

ROD

governor connecting

1шт.

137130

PIN

1/16 x 7/16 cot.

1шт.

2

117824

YOKE

CLEVIS, 10-32 short adj rod end, governor connecting rod

1шт.

103088

NUT,#10-32

10-32 hex. mach screw

1шт.

3

103493

CLEVIS PIN,3/16" x .580"

PIN, 3/16 x 19/32 rod end, governor connecting rod clevis

1шт.

137130

PIN

1/16 x 7/16 cot.

1шт.

4

251472R92

SHAFT

EXTENSION ASSY, governor rockshaft and bracket

1шт.

5

251469R1

BRACKET

governor rockshaft extension

1шт.

179820

BOLT,Hex, 5/16" - 18 x 1 1/4", Gr 5

2шт.

103320

LOCK WASHER,5/16"

WASHER, LOCK, 5/16"

2шт.

6

124542

WOODRUFF KEY,#2, 3/32" x 1/2", HT

KEY, 3/32 x 1/2 Woodruff 2

1шт.

7

369686R2

SPRING

governor

1шт.

142485

GROOVED PIN,1/8" x 5/8", Type A

Pin, Grooved, , governor spring lever 1/8" x 5/8", Type A

1шт.

8

251461R11

LEVER

ROCKSHAFT ASSY, governor and spring lever

1шт.

9

361123R91

OIL SEAL

governor rockshaft oil

1шт.

10

45753D

BEARING, NEEDLE,Needle, 9.51mm ID x 15.89mm OD x 12.7mm W

BEARING, governor rockshaft

1шт.

11

359717R2

LEVER

governor spring throttle

1шт.

103373

COTTER PIN,3/32" x 3/4"

Pin, Split (Cotter), 3/32" x 3/4"

1шт.

95-11041

WASHER,3/8"

(13/32 x 13/16 x .065) 3/8"

1шт.

12

251450R1

PIN

SHAFT, governor throttle lever

1шт.

13

174602C1

SCREW, governor speed change lever stop

1шт.

114501

JAM NUT,Jam, 1/4"-20, G5

1шт.

14

(Not used in this application)

1шт.

15

172529

PLUG

5/8 expansion, governor housing

1шт.

16

36152DA

BUSHING

governor shaft

1шт.

17

251473R2

BODY

governor bumper spring

1шт.

425-157

JAM NUT,Jam, 7/16"-20, G5

1шт.

18

28078D

VALVE SPRING

SPRING, governor bumper

1шт.

19

251448R1

PIN, governor base dowel

1шт.

20

251446R21

HOUSING ASSY, governor

1шт.

179843

BOLT,Hex, 3/8" - 16 x 1 1/2", Gr 5

1шт.

179850

BOLT,Hex, 3/8" - 16 x 2 3/4", Gr 5

SCREW, 3/8-16 x 2-3/4 hex-hd cap

1шт.

103321

LOCK WASHER,3/8"

WASHER, LOCK, 3/8"

2шт.

21

251458R1

GASKET

governor housing

1шт.

22

251460R1

RING, SNAP

RING, governor sleeve stop

1шт.

23

43481D

BEARING ASSY,12.8mm ID x 23.81mm OD x 10.19mm W

BEARING, governor thrust ball

1шт.

24

251459R1

HUB

SLEEVE, governor thrust

1шт.

25

354760R1

BEARING

BUSHING, governor base

1шт.

26

351891R1

WEIGHT

governor

2шт.

27

46924D

PIN

governor weight

2шт.

108628

PIN

1/16 x 7/8 cotter

2шт.

28

357440R91

CARRIER

SHAFT, governor w/carrier and pin

1шт.

17045R1

LOCK PIN,5/32" x 1 3/8", Slotted

PIN, 5/32" x 1 3/8", Slotted

1шт.

29

251462R1

FORK TEDDER

FORK, governor tension

1шт.

131970

SCREW,Sl Fil Hd, #8 - 32 x 1/2"

8-32 x 1/2 slt-rd-hd mach

2шт.

492-11008

LOCK WASHER,#8

Washer, Lock, #8

2шт.

30

358390R11

SHAFT

EXTENSION ASSY, governor rockshaft

1шт.

95-11041

WASHER,3/8"

(13/32 x 13/16 x .065) 3/8"

1шт.

31

251460R1

RING, SNAP

RING, governor rockshaft extension stop

1шт.

PART FOR COMPLETE ASM IS 356750R94, BUT NO LONGER AVAILABLE. PH-CAM 10-27-98

1шт.

Выбрано товаров: 50