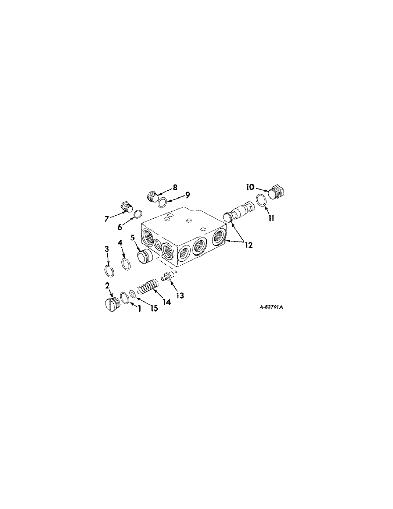
Запчасти Case IH 2424 (110[A]) - STEERING MECHANISM, FLOW DIVIDER VALVE, TRACTORS WITH POWER STEERING Steering Mechanism

Схема запчастей Case IH 2424 - (110[A]) - STEERING MECHANISM, FLOW DIVIDER VALVE, TRACTORS WITH POWER STEERING Steering Mechanism
9
4
3
6
7
12
11
13
8
2
5
10
15
1
14
FIT
1:1
100%

Артикул

Название

Примечание

Количество

389412R91

FLOW DIVIDER ASSY

1шт.

1

252739R1

O-RING,0.103" Thk x 0.487" ID, -112, Cl 5, 75 Duro

11/16 x 1/2 x 3/32

1шт.

2

391458R1

PLUG

SLOTTED

1шт.

3

583476R1

RING, lock

1шт.

4

352221R1

O-RING,0.103" Thk x 0.549" ID, -113, Cl 5, 75 Duro

9/16 x 3/4 x 3/32

1шт.

5

583477R1

PLUG, body

1шт.

6

355967R1

O-RING,0.364" ID x 0.003" Width

3/8 x 1/2 x 1/16

1шт.

7

391457R1

PLUG, body

1шт.

8

391456R1

PLUG, body

1шт.

9

355966R1

O-RING,0.424" ID x 0.103" Width

7/16 x 5/8 x 3/32

1шт.

10

391455R1

PLUG, body

1шт.

11

252707R1

O-RING,0.103" Thk x 0.75" ID, -116, Cl 5, 75 Duro

3/4 x 15/16 x 3/32

1шт.

12

NSS

NOT SOLD SEPARAT

BODY, flow divider, not serviced separately, order flow divider assy, 389412R91

1шт.

13

394653R91

POPPET ASSY

1шт.

14

394654R1

SPRING

relief valve

1шт.

15

394655R1

WASHER

SHIM, relief valve

1шт.

391459R91

PACKAGE, flow divide o-ring service, consists of (1) o-ring 352221R1, (1) o-ring 355967R1, (1) o-ring 252707R1, (1) o-ring 355966R1, (1) o-ring 252739R1, (1) ring 583476R1

1шт.

Выбрано товаров: 17