Запчасти Case IH 2424 (095) - REAR FRAME AND DRIVING MECHANISMS, DIFFERENTIAL LOCK Rear Frame & Driving Mechanisms

Схема запчастей Case IH 2424 - (095) - REAR FRAME AND DRIVING MECHANISMS, DIFFERENTIAL LOCK Rear Frame & Driving Mechanisms
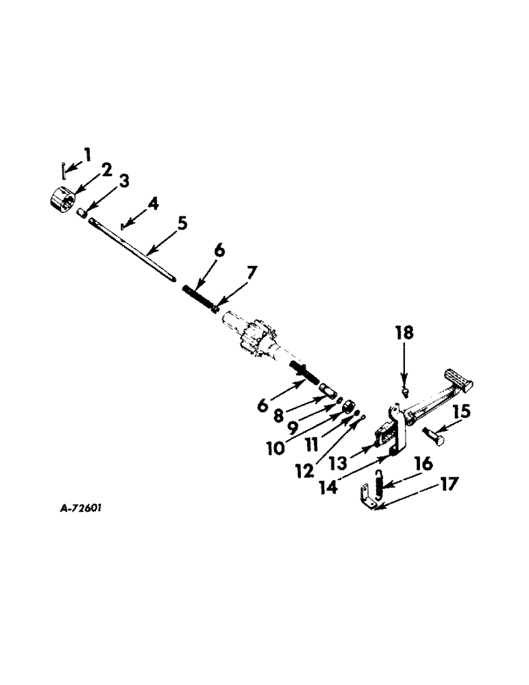
11
15
7
9
6
4
12
6
16
2
17
5
1
18
8
3
13
14
10
FIT
1:1
100%

Артикул

Название

Примечание

Количество

1

443050

PIN

5/16 x 2-1/2 groove

1шт.

2

704747R1

CLUTCH

differential lock

1шт.

3

704750R1

TUBE

SPACER, differential lock shaft

1шт.

4

141155

DOWEL,3/16" x 3/4"

PIN, 3/16 x 3/4 dowel

1шт.

5

708997R2

SHAFT

differential lock

1шт.

6

705233R1

SPRING

differential lock

2шт.

7

704749R1

COLLAR

differential lock shaft

1шт.

8

708996R1

RETAINER

differential lock shaft o-ring

1шт.

9

350667R1

O-RING,0.103" Thk x 0.674" ID, -115, Cl 5, 75 Duro

11/16 x 7/8 x 3/32, differential lock shaft inner

1шт.

10

708998R91

SEAL

differential lock shaft oil

1шт.

11

252739R1

O-RING,0.103" Thk x 0.487" ID, -112, Cl 5, 75 Duro

1/2 x 11/16 x 3/32, differential lock shaft outer

1шт.

12

708999R1

RETAINER

RING, ext snap

1шт.

13

704744R4

LEVER

differential lock

1шт.

14

704758R11

PLATE

ASSY, differential lock lever thrust

1шт.

179859

BOLT,Hex, 7/16" - 14 x 1 1/8", Gr 5

SCREW, 7/16-14 x 1-1/8 hex-hd cap

2шт.

W6652

WASHER

15/32 x 1 x 16 ga

4шт.

103322

LOCK WASHER,7/16"

WASHER, LOCK, 7/16"

2шт.

15

704757R1

BOLT

differential lock pivot

1шт.

615167R1

WASHER

25/32 x 1-1/3/16 x 16 ga

2шт.

16

704759R2

SPRING

differential lock lever return

1шт.

17

3064165R1

PLATE

differential lock lever return

1шт.

18

109461

LUBE NIPPLE,1/8"-27 x .66 lg

NIPPLE, LUBE, , PTF 1/8"-27 x .66 lg

1шт.

Выбрано товаров: 22