Запчасти Case IH 300B-SERIES (146) - POWER STEERING ATTACHMENT, DIESEL UTILITY TRACTOR (05) - STEERING

Схема запчастей Case IH 300B-SERIES - (146) - POWER STEERING ATTACHMENT, DIESEL UTILITY TRACTOR (05) - STEERING
FIT
1:1
100%

Артикул

Название

Примечание

Количество

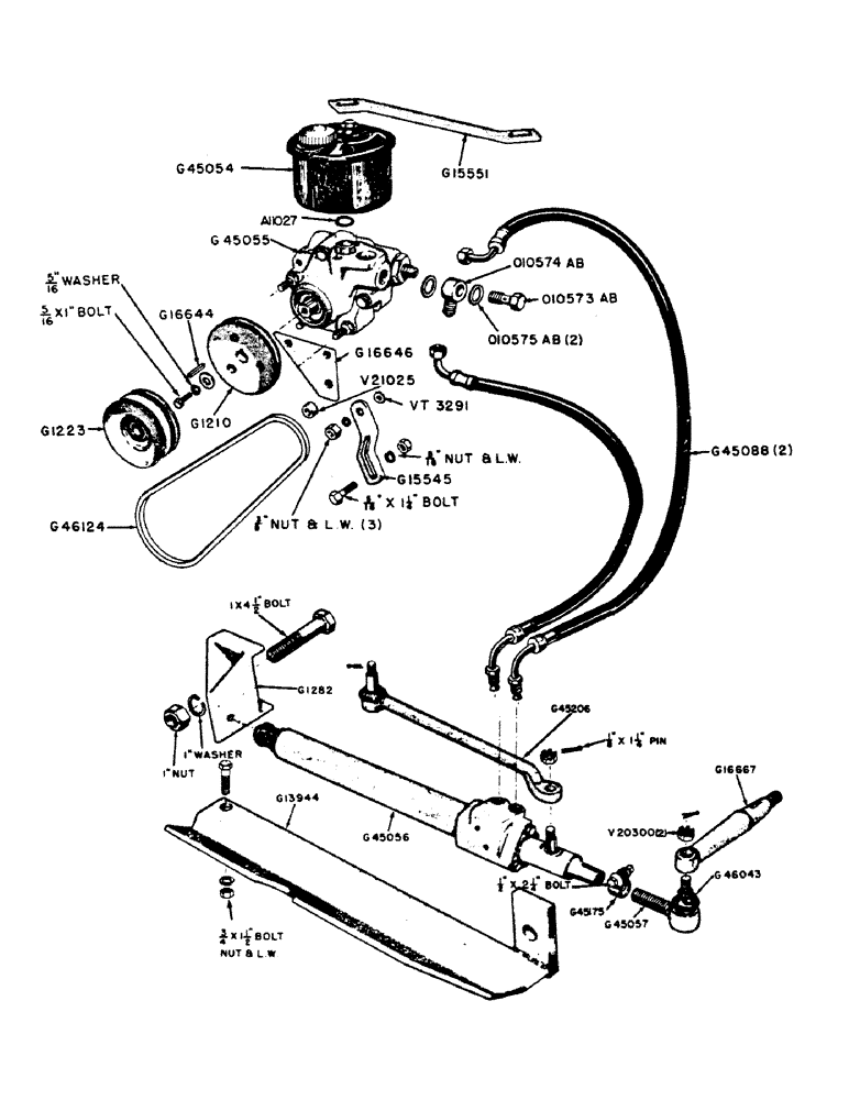
A8248

PLATE - name (under steering wheel nut)

1шт.

A11027

GASKET

"O" RING -, Serial Range: reservoir-pump

2шт.

G1210

BULB

PULLEY - hydraulic pump

1шт.

5/16" x 1" NC hex. hd. bolt w/lockwasher and plain washer

1шт.

G1223

PULLEY - double, generator

1шт.

G1282

BRACKET - mounting, cylinder assembly

1шт.

1" x 5" NF hex. hd. bolt w/hex. nut and lockwasher

1шт.

G13944

GUARD - cylinder and valve

1шт.

3/4" x 1-1/2" NC hex. hd. bolt w/hex. nut and lockwasher

1шт.

G15545

STRAP - pump adjusting

1шт.

3/8" NF hex. nut and lockwasher

1шт.

5/16" x 1-1/4" NC hex. hd. bolt w/lockwasher

1шт.

G15551

BRACE - pump

1шт.

G16644

KEY -, Serial Range: pulley-pump

1шт.

G16646

PLATE - mounting, hydraulic pump

1шт.

3/8" x 1-3/4" NF hex. hd. bolt w/hex. nut and lockwasher

1шт.

G16667

X

ARM - steering, tie rod end to LH spindle

1шт.

G45054

RESERVOIR

- oil, power steering

1шт.

G45055

PUMP - hydraulic, power steering

1шт.

G45056

CYLINDER

AND VALVE - hydraulic, power steering

1шт.

G45057

X

END - tie rod, cylinder to LH steering arm

1шт.

1/8" str. fitting (Lincoln #5000)

1шт.

1/8" x 1-1/4" cotter pin

1шт.

G45088

TUBE ASSY.

HOSE - pump to cylinder valve (54" long)

2шт.

G45175

CLAMP

- tie rod end to cylinder (1-1/4" I.D.) Includes 1/2" x 2-1/4" N.F. hex. hd. bolt w/hex. nut and lockwasher (See VT5114)

1шт.

G45206

DRAG LINK

- center steering, Serial Range: arm-cylinder

1шт.

1/8" str. fitting (Lincoln #5000

1шт.

1/8" x 1-1/4" cotter pin

1шт.

1/2" NF slotted hex. nut

1шт.

G46043

COVER

- dust, tie rod end

1шт.

G46124

V-BELT,0.40" W x 6.00" L

Drive, Power Steering Pump 0.40" W x 6.00" L

1шт.

10573AB

BOLT - hose to pump fitting

1шт.

10574AB

FITTING - pump hose

1шт.

10575AB

WASHER - hose fitting

2шт.

V14102

SEAL KIT

BOLT - for VT5114 clamp

1шт.

5/16" NF hex. nut and lockwasher

1шт.

V20300

OPERATOR MANUAL

NUT - tie rod end

1шт.

V21025

SPACER

- adjusting strap and mounting plate

1шт.

VT3291

X

WASHER - spacer, brace and adjusting strap

1шт.

VT5114

CLAMP

- tie rod end to cylinder (7/8" I.D.) See G45175

1шт.

Выбрано товаров: 40