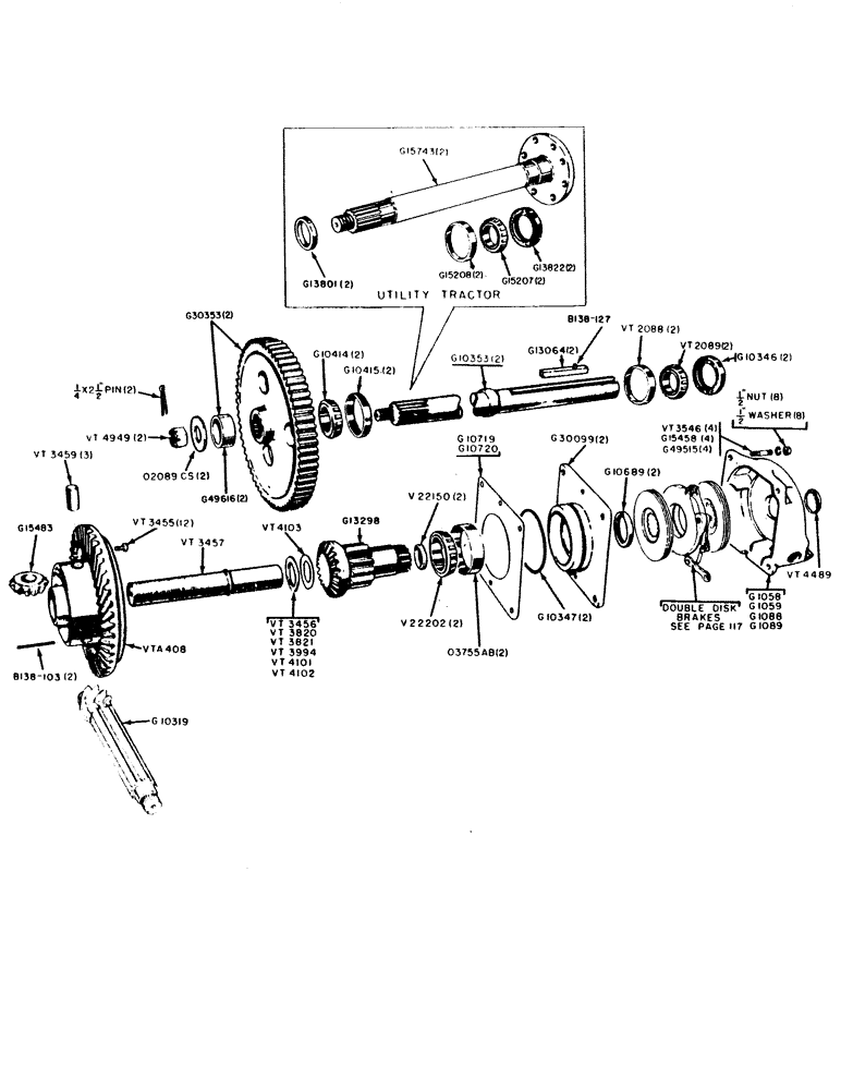
Запчасти Case IH 300B-SERIES (114) - DIFFERENTIAL, REAR AXLE AND FINAL DRIVE GEAR (06) - POWER TRAIN

Схема запчастей Case IH 300B-SERIES - (114) - DIFFERENTIAL, REAR AXLE AND FINAL DRIVE GEAR (06) - POWER TRAIN
FIT
1:1
100%

Артикул

Название

Примечание

Количество

GF1088

WHEEL - center (Use G30454)

1шт.

G1058

COVER - R.H. brake (General Purpose)

1шт.

G1059

COVER - L.H. brake (General Purpose)

1шт.

G1070

CARRIER (Use G30099)

1шт.

G1088

COVER - R.H. brake (Utility)

1шт.

G1089

COVER - L.H. brake (Utility)

1шт.

G10319

COUNTERSHAFT AND SPIRAL BEVEL DRIVE PINION

1шт.

G10347

O-RING,0.139" Thk x 4.984" ID, -250, Cl 5, 75 Duro

"O" RING - bearing carrier (5-1/2" dia.)

2шт.

G10689

SEAL

OIL SEAL - bearing carrier

1шт.

G10717

GEAR - pinion, differential (Before Tractor #6098668) (See G15483)

3шт.

G10719

SHIM,.005" Thk

Bearing carrier .005" Thk

1шт.

G10720

SHIM,.010" Thk

Bearing carrier .010" Thk

1шт.

G13007

GEAR - side (After tractor #6098668) See G13298

2шт.

G13298

GEAR - side differential (Includes V22150 plug) (Before tractor #6098668) See G13007

2шт.

G15458

STUD

- brake cover to transmission (1/2" x 4-1/2") Utility

4шт.

1/2" N.F. hex. nut and lockwasher

4шт.

G15483

GEAR

- pinion, differential (After tractor #6098668) See G10717

3шт.

G30099

CARRIER - differential bearing (Includes 03755AB bearing cup)

2шт.

G30454

RING GEAR AND CENTER WHEEL ASSEMBLY

1шт.

VT211

WHEEL - center (Use C30454)

1шт.

3755AB

CUP - bearing, carrier (Timken #394A)

2шт.

V22150

CAP

PLUG - side gear

2шт.

V22202

BELLCRANK

CONE - bearing, carrier (Timken #390)

2шт.

VT3455

RIVET - ring gear to center wheel

12шт.

VT3456

X

WASHER - thrust, center wheel (.094")

1шт.

VT3457

SHAFT - cross, differential

1шт.

VT3459

PIN - pinion gear

3шт.

VT3546

X

STUD - brake cover to transmission (1/2" x 2-1/2") Utility

4шт.

VT3546

X

STUD - brake cover to transmission (1/2" x 2-1/2") General Purpose

8шт.

1/2" N.F. hex. nut and lockwasher

8шт.

VT3820

WASHER - thrust, center wheel (.099")

1шт.

VT3821

WASHER - thrust, center wheel (.104")

1шт.

VT3994

WASHER - thrust, center wheel (.089")

1шт.

VT4101

WASHER - thrust, center wheel (.109")

1шт.

VT4102

X

WASHER - thrust, center wheel (.119")

1шт.

VT4103

WASHER

SHIM - thrust washer (.101")

1шт.

VT4489

X

PLUG - button, brake cover

2шт.

B138-103

ROLL PIN - pinion gear (3/16" x 1-7/8")

1шт.

G1258

HUB - gear (Use G30353), rear axle & final drive

1шт.

G10346

OIL SEAL

OIL SEAL - outer, rear axle (General Purpose and Utility tractors before #6128060), final drive gear

2шт.

G10353

SHAFT - rear axle (301B, 311B, 411B, Gen. Purpose), final drive gear

2шт.

G10414

ROLLER BEARING

CONE - inner bearing, rear axle (Timken #388A), final drive gear

2шт.

G10415

BEARING CUP

CUP - inner bearing, rear axle (Timken #383A), final drive gear

2шт.

G10851

SHAFT - rear axle, flanged (Utility tractors before #6128060), final drive gear

2шт.

Ref: G10851 Shaft - rear axle, flanged (6 hole flange)

1шт.

G13064

KEY - hub to axle shaft, 301B, 311B, 411B Gen. Purpose (includes B138-127 roll pin), rear axle & final drive gear

2шт.

G13447

KEY - hub to axle shaft, 312B Gen. Purpose (includes B138-127 roll pin), rear axle & final drive gear

2шт.

G13801

OIL SEAL

OIL SEAL - inner, axle shaft (Utility), rear axle & final drive gear

2шт.

G13810

X

OIL SEAL - outer, axle shaft (312B Gen. Purpose and Utility tractor #6128060 and after), rear axle & final drive gear

2шт.

G15207

ROLLER BEARING

CONE - outer bearing, axle shaft (Timken #365S) (312B Gen. Purpose and Utility tractor #6128060 and after), rear axle & final drive gear

2шт.

G15208

BEARING CUP,110mm OD x 18.82mm W

CUP - outer bearing, rear shaft (Timken #394AS) (312B Gen. Purpose and Utility tractor #6128060 and after), rear axle & final drive gear

2шт.

G15743

SHAFT - rear axle, flanged (Utility tractor #6128060 and after), rear axle & final drive gear

2шт.

Ref: G15743 Shaft - rear axle, flanged (8 hole flange)

1шт.

G16586

SHAFT - rear axle (312B Gen. Purpose)final drive gear

2шт.

G30353

GEAR

(66T ) final drive (w/G49616 spacer), rear axle gear

2шт.

G49616

SPACER

- final drive gear, rear axle

2шт.

V2088

CUP - outer bearing, rear axle (Timken #28920) (301B, 311B, 411B Gen. Purpose and Utility tractors before #6128060), rear axle & final drive gear

2шт.

VT2089

X

CONE - outer bearing, axle shaft (Timken #28985) (301B, 311B, 411B, Gen. Purpose and Utility tractors before #6128060), rear axle & final drive gear

2шт.

VT4949

X

NUT - axle shaft (1-1/2" N.F. hex. slotted), rear axle & final drive gear

2шт.

1/4" x 2-1/2" cotter pin

2шт.

2089CS

WASHER - take-up, axle shaft, rear axle & final drive gear

2шт.

B138-127

ROLL PIN - hub key (1/4" x 1/2"), rear axle & final drive gear

2шт.

Выбрано товаров: 62