Запчасти Case IH 320 (118) - ELETRIC HORN ATTACHMENT, EXTRA (09) - CHASSIS/ATTACHMENTS

Схема запчастей Case IH 320 - (118) - ELETRIC HORN ATTACHMENT, EXTRA (09) - CHASSIS/ATTACHMENTS
FIT
1:1
100%

Артикул

Название

Примечание

Количество

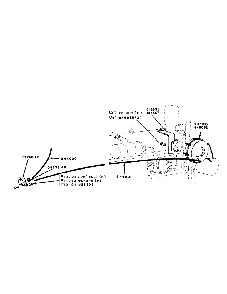
G13357

BRACKET - horn mounting (Diesel engine)

1шт.

G13392

BRACKET - horn mounting (Gasoline engine)

1шт.

G44000

CABLE - horn button to ammeter (11" long)

1шт.

G44001

CABLE - horn button to horn (65" long)

1шт.

G45032

HORN - electric (6 volt)

1шт.

NSS

NOT SOLD SEPARAT

1/4" NF hex. nut and lockwasher

2шт.

G45033

HORN - electric (12 volt)

1шт.

O7740AB

HORN BUTTON

1шт.

NSS

NOT SOLD SEPARAT

#10 - 24 x 1/2" rd. hd. mach. screw w/hex. nut and lockwasher

2шт.

O8332AB

X

GROMMET - rubber

1шт.

NSS

NOT SOLD SEPARAT

Set of no. 51 transfers for model 320 Wheel Tractor

1шт.

Выбрано товаров: 11