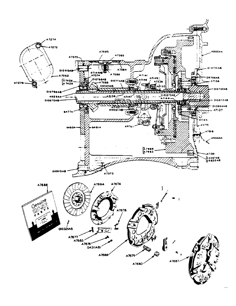
Запчасти Case IH 400-SERIES (104B) - FOOT CLUTCH ASSEMBLY, CLUTCH, FOOT OPERATED (06) - POWER TRAIN

Схема запчастей Case IH 400-SERIES - (104B) - FOOT CLUTCH ASSEMBLY, CLUTCH, FOOT OPERATED (06) - POWER TRAIN
FIT
1:1
100%

Артикул

Название

Примечание

Количество

A7674

LARGE PLATE

PLATE - clutch pressure

1шт.

A7676

ADJUSTMENT SCREW,7/16" - 20 x 15/16"

- adjusting, clutch release lever

3шт.

A7677

PIN

- clutch release lever

3шт.

3/32" x 5/8" cotter pin

3шт.

A7678

SPRING

- clutch lever

3шт.

A7679

X

SPRING - clutch pressure

12шт.

A7680

CUP

- clutch pressure spring

12шт.

A7684

X

PLATE - clutch driving, with facings

1шт.

A7685

LEVER

- clutch release, with adjusting screw and nut (Should be ordered in sets of 3)

3шт.

A7686

PLATE - clutch back, complete

1шт.

1/2" x 1" N.C. hex. bolt with lockwasher

6шт.

A7687

X

CLUTCH COMPLETE - less driving plate

1шт.

A7688

FACINGS - set of clutch, with rivets (consists of two facing with 24-010321AB rivets)

1шт.

O4311AB1

NUT - clutch release lever adjusting screw

3шт.

O10321AB

RIVET

- clutch facing

24шт.

Выбрано товаров: 15