Запчасти Case IH 400-SERIES (136) - REAR AXLE ASSY., FOR HIGH CLRNCE TRAC., UPPER & LOWER REAR AXLES AND HOUSINGS, FOR HIGH CLRNCE TRACT (06) - POWER TRAIN

Схема запчастей Case IH 400-SERIES - (136) - REAR AXLE ASSY., FOR HIGH CLRNCE TRAC., UPPER & LOWER REAR AXLES AND HOUSINGS, FOR HIGH CLRNCE TRACT (06) - POWER TRAIN
FIT
1:1
100%

Артикул

Название

Примечание

Количество

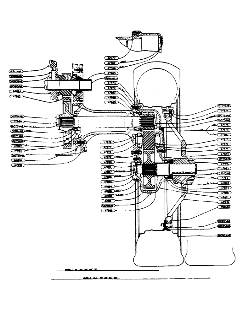
A7356

PLUG

- oil filler, lower rear axle housing, and upper

2шт.

A7357

GASKET - lower rear axle housing oil filler plug, and upper

2шт.

A7871

HOUSING - lower rear axle, and upper

2шт.

A7872

GASKET

- lower rear axle housing, and upper

2шт.

A7881

GEAR - rear axle final drive, upper and lower

2шт.

A7882

SPACER - rear axle final drive gear, upper and lower

2шт.

A7883

SHAFT - rear axle, lower, and upper

2шт.

A7884

COLLAR - lower rear axle shaft, and upper

2шт.

A7885

LOCK NUT - lower rear axle shaft, and upper

2шт.

A7886

WASHER - lower rear axle shaft, and upper

2шт.

A7887

LOCKWASHER - lower rear axle shaft, and upper

2шт.

A7888

RING, SNAP

SNAP RING - on lower rear axle shaft, for drive gear, and upper

2шт.

A7889

SEAL

OIL SEAL - lower rear axle shaft, outer, and upper

2шт.

A7890

BEARING CUP,112.738 mm OD x 23.81 mm

CUP - bearing, lower rear axle shaft, inner (Timken no. 3920), and upper

2шт.

A7891

ROLLER BEARING

CONE - bearing, lower rear axle shaft, inner (Timken no. 3982), and upper

2шт.

A7892

BEARING, CUP

CUP - bearing, lower rear axle shaft, outer (Timken no. 493), and upper

2шт.

A7893

ROLLER BEARING,3.375" ID x 1.172"

CONE - bearing, lower rear axle shaft, outer (Timken no. 497), and upper

2шт.

A7894

CAP - lower rear axle final drive housing, and upper

2шт.

3/8" x 1" N.C. hex. bolt w/lockwasher, upper and lower

10шт.

1/8" hex. socket hd. pipe plug, upper and lower

2шт.

A7895

GASKET

- lower rear axle final drive housing cap, and upper

2шт.

O72A

DOWEL PIN - rear wheel key, upper and lower

2шт.

O7072AB

KEY - rear wheel, upper and lower

2шт.

O10918AB

PLUG - sq. hd. pipe, 1" Lisle magnetic, for lower rear axle housing, and upper

2шт.

A7077

DOWEL

PIN - rear axle housing, upper, for high clearance tractors

4шт.

A7862

HUB - (use A7863), upper, rear axle and housing, for high clearance tractors

1шт.

A7863

RING GEAR - rear axle, with hub, upper, and housing, for high clearance tractors

2шт.

A7864

HOUSING - rear axle, R.H., upper, for high clearance tractors

1шт.

5/8" x 1-3/4" N.C. hex. bolt w/lockwasher, upper, rear axle and housing, for high clearance tractors

8шт.

5/8" x 2" N.C. hex. bolt w/lockwasher, upper, rear axle and housing, for high clearance tractors

6шт.

5/8" x 2-1/4" N.C. hex. bolt w/lockwasher (for platform), upper, rear axle and housing, for high clearance tractors

2шт.

3/4" x 2-1/4" N.C. hex. bolt w/lockwasher, upper, rear axle and housing, for high clearance tractors

2шт.

A7865

HOUSING - rear axle, L.H., upper, for high clearance tractors

1шт.

5/8" x 1-3/4" N.C. hex. bolt w/lockwasher, upper, rear axle and housing, for high clearance tractors

8шт.

5/8" x 2" N.C. hex. bolt w/lockwasher, upper, rear axle and housing, for high clearance tractors

6шт.

5/8" x 2-1/4" N.C. hex. bolt w/lockwasher (for platform), upper, rear axle and housing, for high clearance tractors

2шт.

3/4" x 2-1/4" N.C. hex. bolt w/lockwasher, upper, rear axle and housing, for high clearance tractors

2шт.

A7866

SHAFT - rear axle, upper, and housing, for high clearance tractors

2шт.

A7867

COLLAR - upper rear axle shaft, outer, and housing, for high clearance tractors

2шт.

A7868

BEARING

CUP - upper rear axle shaft bearing, outer (Timken no. 5735), and housing, for high clearance tractors

2шт.

A7869

CONE - upper rear axle shaft bearing, outer (Timken no. 5795), and housing, for high clearance tractors

2шт.

A7870

OIL SEAL

- upper rear axle shaft, outer, and housing, for high clearance tractors

2шт.

A7873

PINION - upper rear axle final drive, and housing, for high clearance tractors

2шт.

A7874

GEAR - upper rear axle final drive idler, and housing, for high clearance tractors

2шт.

A7875

CARRIER - upper rear axle idler gear bearing, and housing, for high clearance tractors

2шт.

1/2" x 1-1/2" N.C. hex. bolt w/lockwasher, upper, rear axle and housing, for high clearance tractors

12шт.

A7876

GASKET

CUP - bearing, rear axle final drive idler gear (Timken no. 59412), upper, and housing, for high clearance tractors

4шт.

A7877

CONE - bearing, rear axle final drive idler gear (Timken no. 5900), upper, and housing, for high clearance tractors

4шт.

A7878

SHIM - rear axle idler gear bearing carrier (.003), upper, and housing, for high clearance tractors

1шт.

A7879

SHIM - rear axle idler gear bearing carrier (.005), upper, and housing, for high clearance tractors

1шт.

A7880

SHIM - rear axle idler gear bearing carrier (.010), upper, and housing, for high clearance tractors

3-8шт.

A7896

GASKET - rear axle housing, upper housing, lower, for high clearance tractors

2шт.

O10752AB

X

CUP - upper rear axle shaft inner bearing (Timken no. 492-A), and housing, for high clearance tractors

2шт.

O10753AB

X

CONE - upper rear axle shaft inner bearing (Timken no. 495-AS), and housing, for high clearance tractors

2шт.

O10754AB

LOCK NUT - upper rear axle, and housing, for high clearance tractors

4шт.

O10755AB

X

LOCKWASHER - upper rear axle, and housing, for high clearance tractors

4шт.

O10759AB

X

GASKET - upper rear axle housing, for high clearance tractors

2шт.

O10761AB

WASHER - thrust, rear axle gear, upper, and housing, for high clearance tractors

2шт.

Выбрано товаров: 58