Запчасти Case IH 400-SERIES (173) - ADJUSTABLE FRONT AXLE, 41" TO 62" TREAD, FOR GENERAL PURPOSE TRACTORS (06) - POWER TRAIN

Схема запчастей Case IH 400-SERIES - (173) - ADJUSTABLE FRONT AXLE, 41" TO 62" TREAD, FOR GENERAL PURPOSE TRACTORS (06) - POWER TRAIN
FIT
1:1
100%

Артикул

Название

Примечание

Количество

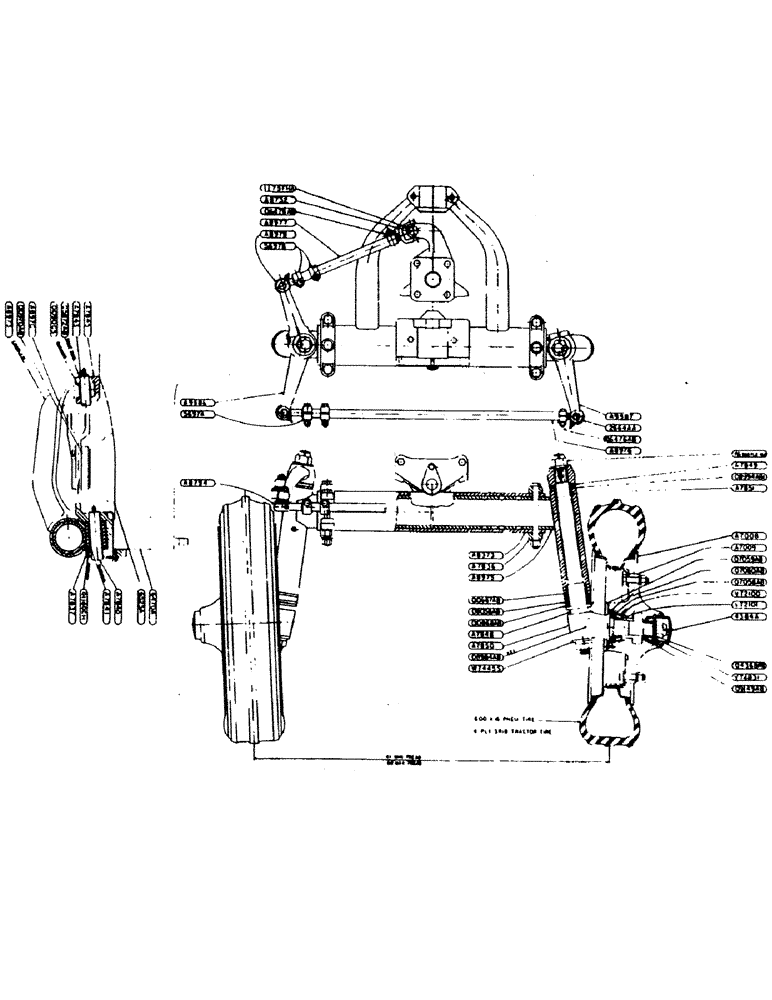
A7836

CLAMP - front axle tube

4шт.

5/8" x 4-1/2" N.F. hex. bolt with hex. nut and lockwasher

4шт.

5/8" x 7" N.F. hex. bolt with hex. nut and lockwasher

2шт.

A7837

PEDESTAL - front axle

1шт.

5/8" x 1-3/4" N.C. hex. bolt with lockwasher

4шт.

A7840

PIVOT PIN

PIN - pivot, front

1шт.

3/8" x 3/4" N.C. hex. bolt with lockwasher

1шт.

1/8" - 90 degree Lincoln fitting no. 5400

1шт.

A7841

BUSHING,31.75mm ID x 38.18mm OD x 38.35mm L

- front axle pivot pin

2шт.

A7843

PIN

- radius rod pivot

1шт.

1/8" - 90 degree Lincoln fitting no. 5400

1шт.

A7845

SUPPORT - radius rod, rear

1шт.

5/8" x 1-3/4" N.C. hex. bolt with lockwasher

2шт.

A7848

SPINDLE - wheel, vertical

2шт.

1-1/8" N.F. hex. castle nut

2шт.

1-1/8" N.F. hex. nut

2шт.

1-1/8" std. lockwasher

2шт.

3/16" x 1-3/4" cotter pin

2шт.

A7849

GUARD

SHIELD - dust, for vertical spindle

2шт.

A7851

NEEDLE BEARING,Needle, 38.09mm ID x 47.64mm OD x 25.4mm W

BEARING - needle, vertical spindle upper (Torrington no. B-2416- OH)

2шт.

A8346

ARBOR - for pressing in A7851 needle bearing

1шт.

A8752

YOKE

END - drag link

1шт.

A8794

ROD

TIE ROD - front axle notched

1шт.

1/8" str. Lincoln fitting no. 5000

1шт.

1/8" x 1" cotter pin

1шт.

A8970

ARM - steering

1шт.

5/8" x 1-1/2" N.F. hex. bolt

4шт.

5/8" shakeproof ext. tooth lockwasher #1128-00

4шт.

A8971

ROD - radius (use A8973)

1шт.

A8973

AXLE - center section, with radius rod (includes A7841 and 01090CS bushings)

1шт.

A8975

AXLE - outer section

2шт.

1/8" str. Lincoln fitting no. 5000

2шт.

A8976

TUBE - notched tie rod

1шт.

A8977

TUBE - notched drag link

1шт.

A8978

TIE-ROD

LINK - drag, front axle notched

1шт.

1/8" str. Lincoln fitting no. 5000

1шт.

1/8" x 1" cotter pin

1шт.

A9586

ARM - steering, R.H., with 5/8" x 3-1/2" N.F. hex. bolt, nut and lockwasher

1шт.

A9587

ARM - steering, L.H. with 1/2" x 3" N.F. hex. bolt, nut and lockwasher

1шт.

5697A

X

CLAMP - tie rod tube R.H. and drag link tube outer

4шт.

7/16" x 2" N.F. hex. bolt with hex. nut and lockwasher

4шт.

O5872AB

X

SNAP RING - radius rod pivot pin

2шт.

O6476AB

X

CLAMP - tie rod tube L.H. and drag link tube inner

2шт.

O8984AB

X

KEY - vertical spindle (no. 129 Woodruff hardened)

2шт.

O8994AB1

X

OIL SEAL - vertical spindle

2шт.

O9058AB

X

BEARING - thrust, for vertical spindle (Timken no. T-199)

2шт.

O10867AB

X

BEARING - needle, vertical spindle (Timken no. T-199)

2шт.

O10868AB

X

WASHER - thrust, for vertical spindle

4шт.

O1160CH

X

WASHER - thrust, front axle pivot pin

2шт.

O1090CS

X

BUSHING - radius rod rear pivot pin

1шт.

W7445S

WASHER - (2-9/16" O.D. x 1-3/16" I.D. x 3/16") - vertical spindle

4шт.

2664AA

X

END - notched tie rod

1шт.

1/8" str. Lincoln fitting no. 5000

1шт.

1/8" x 1" cotter pin

1шт.

1175FHA

X

CROSS - center, drag link universal joint, complete (Consist of center cross with 4-V20955 snap rings, 4-02308FH bushings, 4-02309FH cork washers and 1-#5300 Lincoln fitting 1/8" - 67 1/2 degree)

1шт.

O2308FH

BUSHING, parts for 1175FHA center cross

4шт.

O2309FH

WASHER - cork, parts for 1175FHA center cross

4шт.

V20955

X

SNAP RING, parts for 1175FHA center cross

4шт.

Выбрано товаров: 58