Запчасти Case IH 400-SERIES (092) - FAN AND WATER PUMP ASSEMBLY (04) - ELECTRICAL SYSTEMS

Схема запчастей Case IH 400-SERIES - (092) - FAN AND WATER PUMP ASSEMBLY (04) - ELECTRICAL SYSTEMS
FIT
1:1
100%

Артикул

Название

Примечание

Количество

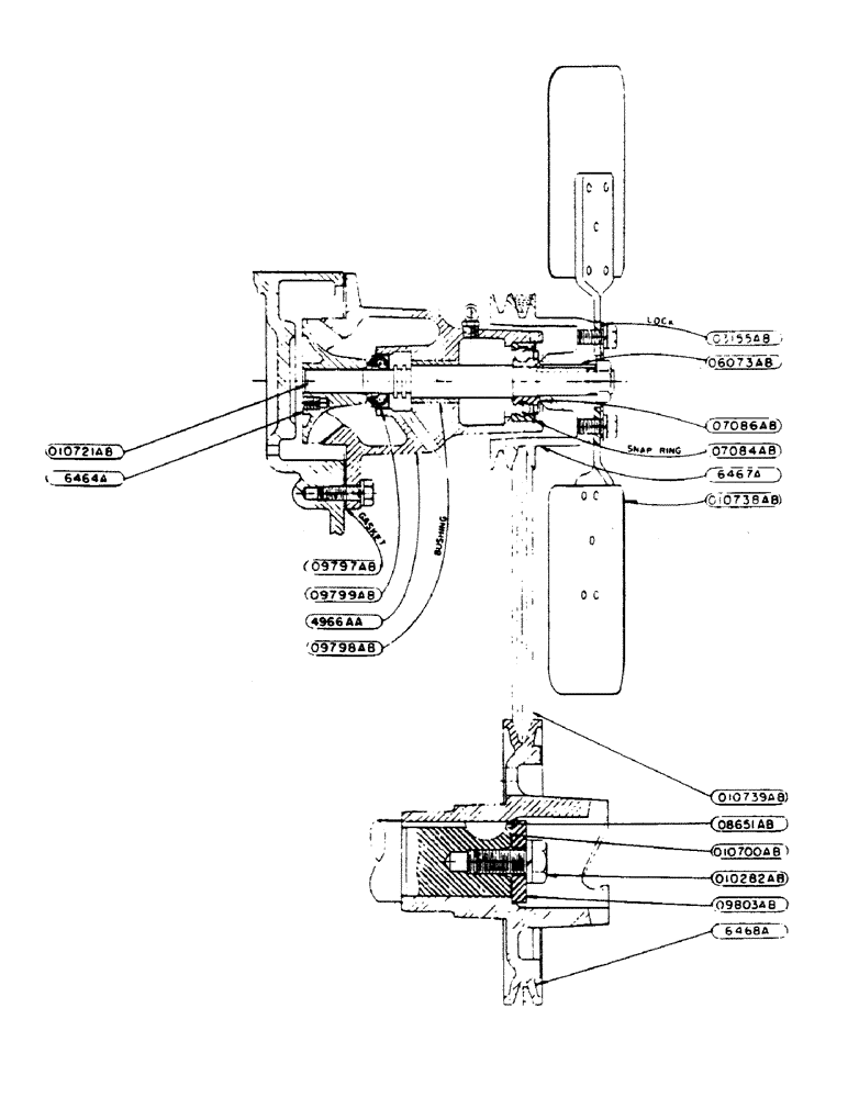
A9768

PUMP

WATER PUMP ASSEMBLY - less fan blades, 6467A pulley and 06073AB key

1шт.

6464A

X

IMPELLER - water pump

1шт.

6465A

X

BODY (use 4966AA)

1шт.

6467A

PULLEY - fan driven, upper

1шт.

6468A

PULLEY - fan drive

1шт.

O3155AB

X

LOCK - water pump shaft nut

1шт.

O6073AB

X

KEY - water pump and fan shaft

1шт.

O7084AB

X

SNAP RING - bearing retainer

1шт.

O7086AB

X

BEARING - water pump and fan shaft (new departure no. 8604)

1шт.

O9797AB

GASKET

- water pump body

1шт.

O9798AB

X

BUSHING - water pump body

1шт.

O9799AB

SEAL - water pump

1шт.

O9803AB

X

WASHER - lower fan drive pulley

1шт.

O10282AB

X

CAP SCREW - lower fan drive pulley, Serial Range: washer-crankshaft

1шт.

5/8" std. lockwasher

1шт.

O10721AB

SHAFT

- water pump and fan

1шт.

5/8" N.F. hex. jam nut

1шт.

O10738AB

FAN BLADE ASSEMBLY

1шт.

3/8" x 3/4" N.C. hex. hd. cap screw with lockwasher

4шт.

O10739AB

X

BELT - fan

1шт.

4966AA

BODY - water pump, with 09798AB bushing

1шт.

1/8" x 67 1/2deg. safety vent fitting, Lincoln no. 5399

1шт.

3/8" x 1-1/8" N.C. hex. bolt with lockwasher

3шт.

Выбрано товаров: 23