Запчасти Case IH 400B-SERIES (164) - HYDRAULIC CONTROLS AND LEVER, 400B SERIES WITH EAGLE HITCH OR REMOTE CONTROL (08) - HYDRAULICS

Схема запчастей Case IH 400B-SERIES - (164) - HYDRAULIC CONTROLS AND LEVER, 400B SERIES WITH EAGLE HITCH OR REMOTE CONTROL (08) - HYDRAULICS
FIT
1:1
100%

Артикул

Название

Примечание

Количество

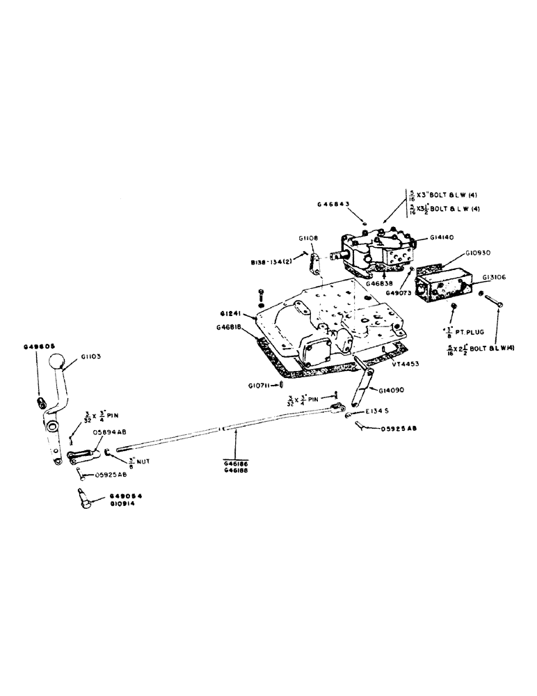
G1103

LEVER

- hand control

1шт.

G1108

ARM ASSY.

BELLCRANK - control valve, Serial Range: crank-valve

1шт.

G1241

HOUSING - adapter, hydraulic pump and control

1шт.

G10711

PIN

- rear dowel, adapter to torque tube

1шт.

G10914

BOLT - pivot, hand lever (1/2" x 2-1/2")(Before tractor #6120001)

1шт.

G10930

GASKET

- interlock to control valve

1шт.

G13106

INTERLOCK - hydraulic (See Page 125)

1шт.

5/16" x 2-1/2" N.C. hex. hd. bolt w/lockwasher

4шт.

3/8" std. ctsk. hd. pipe plug

1шт.

G14090

CRANK - valve control

1шт.

G14140

VALVE - hydraulic control (See Page 130)

1шт.

5/16" x 3" N.C. hex. hd. bolt w/lockwasher

5шт.

5/16" x 3-1/4" N.C. hex. hd. bolt w/lockwasher

3шт.

G46186

ROD - control, hand lever to crank (29-1/4" long) Utility

1шт.

3/8" N.F. hex. nut

1шт.

G46188

ROD - control, hand lever to crank (32-1/4" long) General Purpose

1шт.

G46818

GASKET

- adapter housing to torque tube

1шт.

G46838

GASKET

- control valve to adapter housing

1шт.

G46843

X

WASHER - sealing, valve cover bolt (5/16")

1шт.

G49054

BOLT - pivot, hand lever (1/2" x 3-1/8") (Tractor #6120001 and after)

1шт.

G49073

PLUG - drilled, interlock (w/E.H. only)

1шт.

G49605

SPACER - hand lever (Tractor #6120001 and after)

1шт.

5894AB

YOKE - control rod

1шт.

5925AB

PIN - yoke

2шт.

3/32" x 3/4" cotter pin

2шт.

VT4453

X

PIN - front dowel, adapter to torque tube

1шт.

E134S

WASHER - spacer, 05925AB yoke pin

3шт.

B138-134

ROLL PIN - bellcrank (1/4" x 1")

2шт.

Выбрано товаров: 28