Запчасти Case IH 4100 (H-11) - CONTROLS, CLUTCH CONTROLS AND TRANSMISSION BRAKE Controls

Схема запчастей Case IH 4100 - (H-11) - CONTROLS, CLUTCH CONTROLS AND TRANSMISSION BRAKE Controls
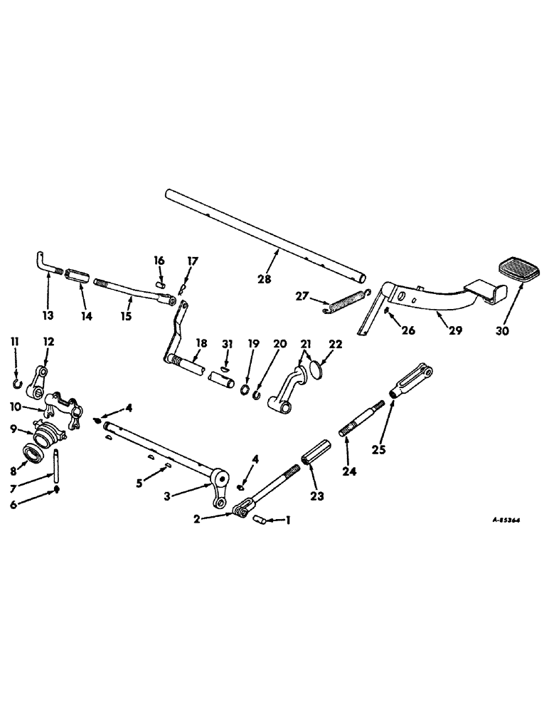
19
26
29
8
18
13
7
2
22
21
1
20
12
16
11
3
17
6
30
27
25
28
10
4
31
23
14
9
15
24
5
FIT
1:1
100%

Артикул

Название

Примечание

Количество

1

382492R2

AXLE PIN,15.77mm OD x 35.56mm L

PIN, clutch rod clevis

1шт.

103398

COTTER PIN,5/32" x 1 1/2"

Pin, Split (Cotter), 5/32" x 1 1/2"

1шт.

2

390273R91

ROD ASSY, clutch operating bottom

1шт.

114507

JAM NUT,Jam, 5/8"-11, G5

1шт.

3

390265R11

SHAFT ASSY.

SHAFT ASSY, clutch release

1шт.

4

80711

LUBE NIPPLE,65 Degree, 1/8" NPT x 7/8" lg

FITTING, 1/8-27 ptf 65 degree angle lub

2шт.

5

126-119

WOODRUFF KEY,#11, 3/16" x 7/8", HT

3/16 x 7/8 Woodruff 11

3шт.

6

Q3618

LUBE NIPPLE,5/16"-32 x .66 lg

FITTING, 5/16-32 nef str lub, clutch release sleeve

1шт.

7

365720R1

PIPE

clutch release sleeve grease

1шт.

8

365867R91

BALL BEARING

BEARING, clutch release ball

1шт.

9

380109R1

SLEEVE

clutch release

1шт.

10

380110R1

FORK

clutch release

1шт.

10

380110R1GV

CLUTCH

Value, Clutch Release

1шт.

179841

BOLT,Hex, 3/8" - 16 x 1 1/4", Gr 5

3/8-16 x 1-1/4 hex-hd cap

2шт.

11

384305R1

RING

clutch release shaft retaining

1шт.

12

384305R1

RING

LEVER, transmission brake operating

1шт.

13

390283R1

ROD, transmission brake operating upper

1шт.

14

390282R1

TURNBUCKLE, transmission brake

1шт.

15

390284R11

ROD ASSY, transmission brake lower

1шт.

114496

HOURMETER,Jam, 1/2"-20, G5

NUT, 1/2-20 hex. jam

1шт.

145406

RELAY

1/2-20 LH hex. jam

1шт.

432-1216

COTTER PIN,3/16" x 1"

Pin, Split (Cotter), 3/16" x 1"

1шт.

395-11053

WASHER,0.53" ID x 1.06" OD x 0.1" Thk

17/32 x 1-1/16 x .095 ga

1шт.

16

384308R2

PIN,12.53mm OD x 28.45mm L

operating rod clevis

1шт.

17

460047R1

CLIP, SPRING

PIN, quick attachable cot., transmission brake operating rod

1шт.

18

384309R11

SHAFT

ASSY, transmission brake

1шт.

19

369908R1

O-RING,0.103" Thk x 0.799" ID, -117, Cl 5, 75 Duro

13/16 x 1 x 3/32, transmission brake shaft

1шт.

20

384305R1

RING

clutch release shaft retaining

1шт.

21

390281R11

LEVER

ASSY, transmission brake

1шт.

22

FACING, transmission brake lever, Not serviced separately, Order lever assy, 390281R11

1шт.

23

384248R1

TURNBUCKLE

1шт.

24

390272R1

STUD, clutch operating top rod

1шт.

114496

HOURMETER,Jam, 1/2"-20, G5

NUT, 1/2-20 hex. jam

1шт.

25

221465

CLEVIS, 1/2-20 x 4-3/16 hv adj. rod end

1шт.

18266R1

NUT, 5/8-11 hex. jam LH thd

1шт.

114787

AXLE PIN

PIN, 1/2 x 1-27/64 rod end

1шт.

103385

COTTER PIN,1/8" x 1"

PIN, SPLIT (COTTER), 1/8" x 1"

1шт.

26

109461

LUBE NIPPLE,1/8"-27 x .66 lg

NIPPLE, LUBE, , PTF 1/8"-27 x .66 lg

1шт.

27

626206R1

SPRING

clutch pedal return

1шт.

28

390275R1

ROD, clutch and brake pedal

1шт.

19885R1

PIN,1/4" x 1 3/8", Coiled

4шт.

29

390266R11

ARM ASSY, clutch pedal

1шт.

30

166880R1

PAD

clutch pedal

1шт.

31

124552

SCREW

3/16 x 1 Woodruff 13

1шт.

Выбрано товаров: 44