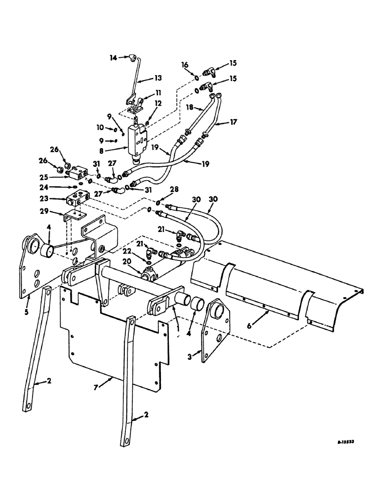
Запчасти Case IH 4100 (K-03) - DRAWBARS AND HITCHES, HYDRAULIC DRAWBAR Drawbars & Hitches

Схема запчастей Case IH 4100 - (K-03) - DRAWBARS AND HITCHES, HYDRAULIC DRAWBAR Drawbars & Hitches
8
24
17
26
23
21
6
19
13
3
19
2
4
18
15
15
9
25
31
27
28
22
21
11
27
30
7
10
9
1
16
14
12
31
4
20
30
29
2
5
26
FIT
1:1
100%

Артикул

Название

Примечание

Количество

390718R91

PARTS ACCESSORY, hydraulic drawbar

1шт.

1

390721R11

ROCKSHAFT ASSY

1шт.

2

390726R1

SUPPORT, drawbar

2шт.

3

390727R91

SUPPORT ASSY, rockshaft RH

1шт.

426099

NUT,3/4"-16, G5

3/4-16 C-Z hex

3шт.

271789

CURTAIN,Hex, 3/4" - 16 x 1 1/2", Gr 5

SCREW, 3/4-16 x 1-1/2 hex-hd cap

3шт.

400839R1

WASHER,21/32" x 1 5/16" x .188", HDN

frame

2шт.

4

390730R1

BUSHING, rockshaft

2шт.

5

390731R91

SUPPORT ASSY, rockshaft and cyl

1шт.

225861

NUT,5/8"-18, G8

5/8-18 C-Z hex., type 4

1шт.

225861

NUT,5/8"-18, G8

5/8-18 C-Z hex., type 4

1шт.

124944

JAM NUT,Hex, 5/8" - 18, Gr 5

1шт.

426099

NUT,3/4"-16, G5

3/4-16 C-Z hex.

2шт.

20523R1

BOLT,5/8" x 2 1/2", Gr 8

SCREW, 5/8-18 x 2-1/2 C-Z hex-hd cap type 4

1шт.

414-1224

BOLT,Hex, 3/4" - 16 x 1-1/2", Gr 5

SCREW, 3/4-16 x 1-1/2 C-Z hex-hd cap

2шт.

414-1024

BOLT,Hex, 5/8" - 18 x 1-1/2", Gr 5

5/8-18 x 1-1/2 C-Z hex-hd

1шт.

575810R1

WASHER

21/32 x 1-1/2 x .1136 plain

2шт.

6

390736R1

COVER, rear top, Serial no. 8000 and below

1шт.

6

393710R2

COVER, rear top, Serial no. 8001 and above

1шт.

7

390737R11

COVER ASSY, rear lower

1шт.

8

383271R94

VALVE ASSY, hyd open center control 3 position, spring centered, For components see list of parts under details of three position hydraulic control valve listing, Section F

1шт.

20847R1

BOLT,Hex, 3/8" - 16 x 6 1/4", Gr 8

SCREW, 3/8-16 x 6-1/4 hex-hd cap

3шт.

20849R1

SCREW, 3/8-16 x 8-1/4 hex-hd cap

3шт.

9

381884R1

O-RING,0.103" Thk x 0.987" ID, -120, Cl 6, 90 Duro

1 x 1-3/16 x 3/32

2шт.

10

381885R1

O-RING,0.103" Thk x 1.362" ID, -126, Cl 6, 90 Duro

1-3/8 x 1-9/16 x 3/32

1шт.

11

378029R1

BRACKET

auxiliary valve

1шт.

426367

SCREW, 5/16-18 x 3/4 hex-soc-hd cap

2шт.

492-21031

LOCK WASHER,5/16"

5/16"

2шт.

J547M

PIN

1/2 x 1-7/16 std hd

1шт.

395-11053

WASHER,0.53" ID x 1.06" OD x 0.1" Thk

17/32 x 1-1/6 x .074

1шт.

432-1220

COTTER PIN,3/16" x 1 1/4"

Pin, Split (Cotter), 3/16" x 1 1/4"

1шт.

12

370290R1

SNAP RING,#50, .392" Dia, E-Type

Ring, Retaining, #50, .392" Dia, E-Type

1шт.

13

390738R91

HANDLE ASSY, hyd drawbar control valve

1шт.

14

379022R2

KNOB

hyd valve control lever

1шт.

15

9410978

ELBOW,90 Degree, 7/8"-14, 37 Degree x 7/8"-14, O-Ring

7/8-14 37 degree hyd flared tube 90 degree adj str thd, hyd drawbar control valve ports

2шт.

16

364885R1

O-RING,0.097" Thk x 0.755" ID, -910, Cl 6, 90 Duro

5/8 OD pipe, elbow seal

2шт.

17

392644R11

TUBE ASSY, drawbar valve lift port

1шт.

18

390740R11

PIPE ASSY, drawbar valve drop port

1шт.

19

467163R91

HOSE

ASSY, control valve to check valve

2шт.

20

381854R91

CYLINDER

ASSY, 3.0 x 8.9 double acting, For components see list of parts under details of double acting hydraulic cylinder, Section F

2шт.

21

9410978

ELBOW,90 Degree, 7/8"-14, 37 Degree x 7/8"-14, O-Ring

7/8-14 37 degree hyd flared pipe 90 degree adj str thd, hyd drawbar cyl ports

2шт.

22

364885R1

O-RING,0.097" Thk x 0.755" ID, -910, Cl 6, 90 Duro

3/4 x 15/16 x 3/32, elbow seal

2шт.

23

374083R92

VALVE

ASSY, double acting check, For components see list of parts under details of double acting check valve, Section F

1шт.

24

350429R1

O-RING,0.103" Thk x 0.612" ID, -114, Cl 5, 75 Duro

5/8 x 13/16 x 13/32, check valve to junction block seal

2шт.

25

381136R91

BLOCK

ASSY, hyd manifold

1шт.

26

9403373

CAP,37 Degree, 7/8"-14

7/8-14 37 deg hyd flared tube

2шт.

27

371357R91

ELBOW

7/8-14 90 deg adjustable, junction block ports

2шт.

28

364885R1

O-RING,0.097" Thk x 0.755" ID, -910, Cl 6, 90 Duro

3/4 x 15/16 x 3/32, elbow seal

2шт.

29

392645R1

BRACKET, junction block mounting

1шт.

189305

BOLT,Hex, 3/8" - 16 x 3 1/2", Gr 5

SCREW, 3/8-16 x 3-1/2 C-Z hex-hd cap

2шт.

180122

BOLT,Hex, 3/8" - 16 x 1", Gr 5

3/8-16 x 1 C-Z hex-hd cap

2шт.

120377

NUT,3/8" - 16, Gr 5

4шт.

30

468879R91

HOSE ASSY, drop and lift

2шт.

31

364885R1

O-RING,0.097" Thk x 0.755" ID, -910, Cl 6, 90 Duro

3/4 x 15/16 x 3/32

4шт.

Выбрано товаров: 54