Запчасти Case IH 4100 (E-02) - FUEL SYSTEM, AIR CLEANER AND CONNECTIONS (02) - FUEL SYSTEM

Схема запчастей Case IH 4100 - (E-02) - FUEL SYSTEM, AIR CLEANER AND CONNECTIONS (02) - FUEL SYSTEM
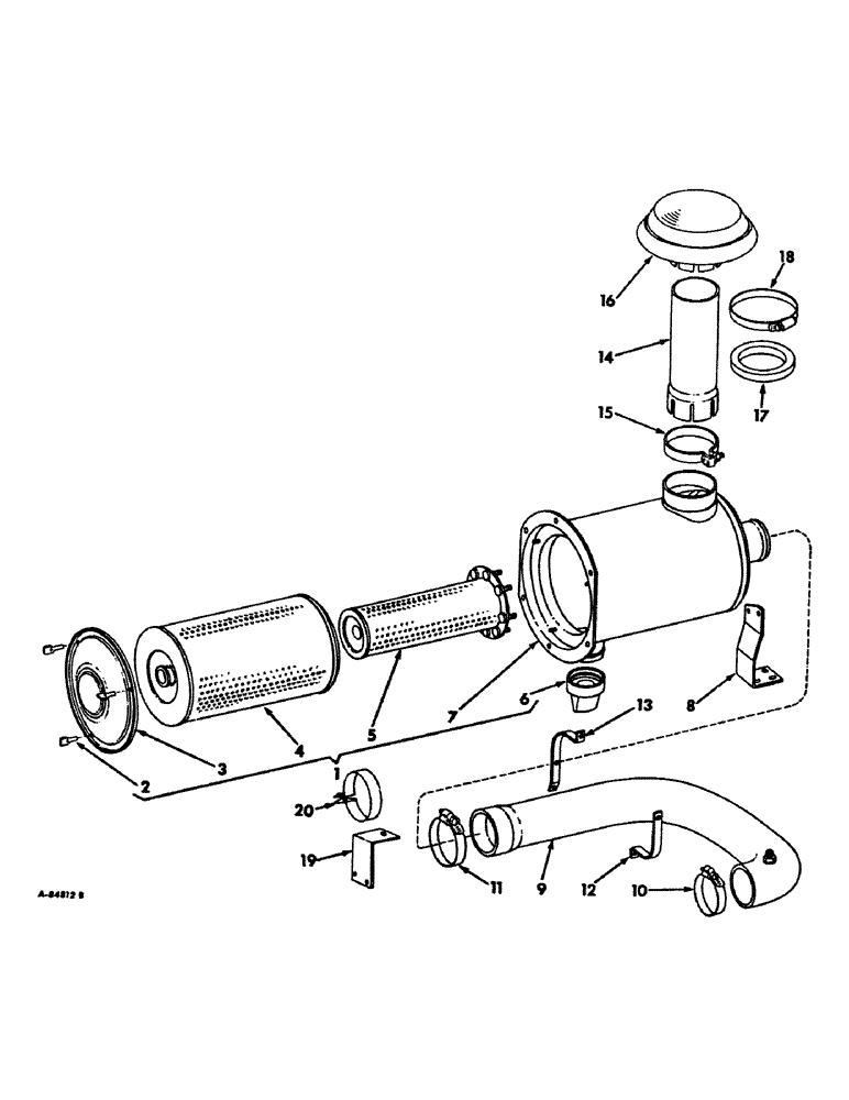
3
18
10
12
7
17
5
11
9
2
6
19
4
16
13
8
14
20
15
FIT
1:1
100%

Артикул

Название

Примечание

Количество

1

390595R91

CLEANER ASSY, air

1шт.

179837

BOLT,Hex, 3/8" - 16 x 3/4", Gr 5

6шт.

103321

LOCK WASHER,3/8"

WASHER, LOCK, 3/8"

6шт.

2

606863C91

NUT, 5/16-18 wing

3шт.

3

606862C91

COVER ASSY, air cleaner

1шт.

4

390642R91

AIR CLEANER

ELEMENT ASSY, air cleaner main

1шт.

5

390643R91

ELEMENT

ASSY, air cleaner safety

1шт.

102635

NUT,3/8"-16, G5

8шт.

103321

LOCK WASHER,3/8"

WASHER, LOCK, 3/8"

8шт.

6

383734R2

VALVE

vaculator

1шт.

7

BODY, air cleaner, Not serviced separately, Order air cleaner 390595R91

1шт.

8

390594R1

STRIP, air cleaner support

1шт.

179838

BOLT,Hex, 3/8" - 16 x 7/8", Gr 5, Full Thd

3/8-16 x 7/8 hex-hd cap

2шт.

103321

LOCK WASHER,3/8"

WASHER, LOCK, 3/8"

2шт.

95-11041

WASHER,3/8"

(13/32 x 13/16 x .065) 3/8"

4шт.

102635

NUT,3/8"-16, G5

2шт.

9

390569R91

HOSE ASSY, air cleaner to turbocharger, Serial Range: -9102

1шт.

9

400445R1

HOSE

ASSY, air cleaner to turbocharger, Start Serial: 9103

1шт.

10

274090R91

HOSE CLAMP,3.75/4.63 Type F Worm

CLAMP ASSY, hose, Serial Range: -9102

1шт.

10

613626C91

CLAMP ASSY, hose, Turbocharger end, Start Serial: 9103

1шт.

11

422688R91

HOSE CLAMP,#72, 4.06/5.00 Type F Worm

CLAMP ASSY, hose, Serial Range: -8603

1шт.

11

397270R1

HOSE CLAMP,#72, 4.06/5.00 Type F Worm, W/liner

CLAMP ASSY, hose, Air cleaner end, Start Serial: 8604

14шт.

12

390596R1

CLIP, air cleaner hose support, Serial Range: -9102

1шт.

12

400441R1

CLIP, air cleaner hose support, Start Serial: 9103

1шт.

13

390597R1

CLIP, air cleaner hose support, Serial Range: -9102

1шт.

13

400444R1

CLIP, air cleaner hose support, Start Serial: 9103

1шт.

102635

NUT,3/8"-16, G5

2шт.

179837

BOLT,Hex, 3/8" - 16 x 3/4", Gr 5

2шт.

179844

BOLT,Hex, 3/8" - 16 x 1 5/8", Gr 5

SCREW, 3/8-16 x 1-5/8 hex-hd cap

1шт.

103321

LOCK WASHER,3/8"

WASHER, LOCK, 3/8"

3шт.

14

390593R1

PIPE, air cleaner extension, optional w/390615R91

1шт.

14

390615R91

PIPE W/CLAMP, air cleaner extension, optional w/390593R1

1шт.

15

333908R91

COLLAR CLAMP

CLAMP ASSY, air cleaner extension pipe, Use only w/extension pipe, 390593R1

1шт.

16

603957C91

CAP

ASSY, extension pipe sealing ring

1шт.

17

395094R1

RING, air cleaner extension pipe sealing

1шт.

18

427312R91

HOSE CLAMP,#100, 5.88/6.75 Type F Worm

CLAMP ASSY, extension pipe sealing ring

1шт.

19

403996R1

SUPPORT, air cleaner hose front, For tractors with airesearch turbocharger

1шт.

181360

BOLT,Hex, 3/8" - 24 x 3/4", Gr 5

SCREW, 3/8-24 x 3/4 hex-hd cap

2шт.

20

650526R1

CLAMP, air cleaner hose front, For tractors with airesearch turbocharger

1шт.

15010R1

CARRIAGE BOLT,Short Sq Nk, 1/2" - 13 x 1", Gr 2

BOLT, 1/2-13 x 1 short sq-nk crg

1шт.

102637

NUT,1/2"-13, G5

1шт.

Выбрано товаров: 41