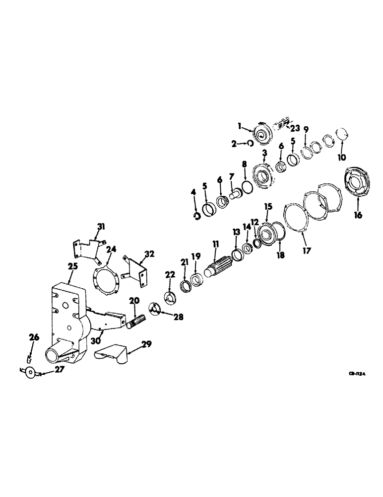
Запчасти Case IH 4100 (B-23) - POWER TRAIN, DROP HOUSING AND CONNECTIONS, INDEPENDENT POWER TAKE OFF (03) - POWER TRAIN

Схема запчастей Case IH 4100 - (B-23) - POWER TRAIN, DROP HOUSING AND CONNECTIONS, INDEPENDENT POWER TAKE OFF (03) - POWER TRAIN
15
32
24
3
18
26
14
30
8
1
12
17
2
7
20
22
6
9
27
29
28
5
20
13
23
31
10
16
6
21
5
11
4
25
FIT
1:1
100%

Артикул

Название

Примечание

Количество

ATTACHMENT, 1000 RPM independent PTO, 406792R91, Refer to independent power take-off listing, This section for reminder of service Refs.

1шт.

1

403920R1

GEAR, drive, 40T

1шт.

2

336000R1

SNAP RING,#175, 1.640", Ext

RING, drive gear retaining

2шт.

3

403921R1

GEAR, idler, 44T

1шт.

4

560025R1

RING, idler gear brg retainer

3шт.

5

165964R1

BEARING CUP

BEARING, idler gear cup

2шт.

6

165963R91

BEARING

ASSY, idler gear cone

2шт.

7

403924R11

SHAFT ASSY, idler

1шт.

19738R1

PIN,5/16" x 3/4", Coiled

1шт.

8

21003R1

O-RING,2.484" ID x 2.762" OD x 0.139"

2-1/2 x 2-3/4 x 1/8, idler shaft

1шт.

9

403925R1

SHIM, idler shaft .004, Or as required

1шт.

9

403926R1

SHIM, idler shaft .007, Or as required

1шт.

9

403927R1

SHIM, idler shaft .012, Or as required

1шт.

10

403928R1

RETAINER, idler shaft

1шт.

297330R1

BOLT

SCREW W/ NYLON PELLET INSERT, 3/8-16 x 1 hex-hd cap

2шт.

11

403929R11

SHAFT ASSY, driven

1шт.

343828R1

PLUG,Cup, 1 13/16"

driven shaft cup

1шт.

12

583564R1

SNAP RING,#250, 2.356, Ext

RING, driven gear retainer

1шт.

13

105497H

BEARING CUP,96.85mm OD x 15.77mm W

BEARING, driven shaft cup

2шт.

14

52843V

BEARING ASSY,57.15mm ID x 22.05mm W

BEARING ASSY, driven shaft cone

2шт.

15

403930R1

GEAR, driven

40Tшт.

16

403673R1

CAGE, driven shaft front brg

1шт.

NLS

NO LONGER SERVICED

4шт.

17

403931R1

SHIM, driven shaft .004, Or as required

1шт.

17

403932R1

SHIM, driven shaft .007, Or as required

1шт.

17

403933R1

SHIM, driven shaft .012, Or as required

1шт.

18

22419R1

O-RING,0.139" Thk x 7.484" ID, -264, Cl 8, 90 Duro

7-1/2 x 7-3/4 x 1/8, driven shaft front bearing cage

1шт.

19

610318C91

SEAL

driven shaft oil

1шт.

20

403934R1

SHAFT, 1.750 output

1шт.

21

190569R2

RING

output shaft retainer

2шт.

22

403939R1

PLATE, output shaft back

1шт.

23

SHAFT, independent PTO output, Refer to independent power take-off listing, This section for reminder of service Refs.

1шт.

24

403672R1

SEAL ASSY.

GASKET, drop housing

1шт.

25

403670R1

HOUSING

ASSY, drop

1шт.

445751

1/2-14 auto. soc-hd pipe

1шт.

151162R1

PLUG,Cup, 1 3/8"

idler shaft opening cup

1шт.

189787

BOLT,Hex, 1/2" - 13 x 5 1/4", Gr 5

SCREW, 12-13 x 5-14 hex-hd cap

4шт.

116105

WASHER

17/32 x 1-1/16 x .074 cup

4шт.

26

403958R1

RETAINER, output shaft cover

2шт.

27

403957R91

COVER ASSY, output shaft

1шт.

432482

PLUG,5/8"

5/8 button

1шт.

28

403940R1

RETAINER

PLATE, output shaft retaining

1шт.

616373C1

BOLT,3/8" - 16

SCREW, output shaft cap

3шт.

29

403945R1

SHIELD ASSY, independent PTO safety

1шт.

340385R1

BOLT

independent PTO safety shield

4шт.

30

403936R1

SUPPORT ASSY, lower

1шт.

272897R1

SPACER

17/32 x 1 x 9/16

2шт.

58745D

SPACER

25/32 x 1-1/2 x 1-1/2

2шт.

22551R1

SCREW, 1/2-13 x 5-1/2 C-Z hex-hd cap

2шт.

120378

NUT,Hex, 1/2" - 13, Gr 5

NUT, 1/2"-13, G5

2шт.

87337

BOLT,Hex, 3/4" - 10 x 3", Gr 5

2шт.

31

403911R1

SUPPORT ASSY, upper LH

1шт.

608838C1

SPACER, 7/8 x 1-3/4 x 1/2 pipe

2шт.

23471S

WASHER

SPACER, 25/32 x 1-1/2 x 7 ga

1шт.

271771

HOUSING,Hex, 3/4" - 10 x 2", Gr 5

SCREW, 3/4-10 x 2 C-Z hex-hd cap

2шт.

280954

NUT,3/4"-10, G5

2шт.

32

403914R1

SUPPORT ASSY, upper RH

1шт.

608838C1

SPACER, 7/8 x 1-3/4 x 1/2 pipe

2шт.

608838C1

SPACER, 25/32 x 1-1/2 x 7 ga

1шт.

271771

HOUSING,Hex, 3/4" - 10 x 2", Gr 5

SCREW, 3/4-10 x 2 C-Z hex-hd cap

2шт.

280954

NUT,3/4"-10, G5

2шт.

403935R1

SHAFT, 1.375 output, shipped loose

1шт.

403910R1

COUPLING

extension shaft front, shipped loose

1шт.

This section for reminder of service Refs.

1шт.

Выбрано товаров: 64