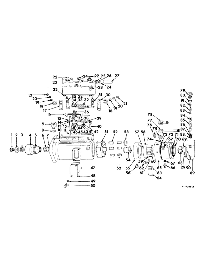
Запчасти Case IH 424 (038) - FUEL SYSTEM, D.P.A. FUEL INJECTION PUMP, DIESEL ENGINE TRACTORS (02) - FUEL SYSTEM

Схема запчастей Case IH 424 - (038) - FUEL SYSTEM, D.P.A. FUEL INJECTION PUMP, DIESEL ENGINE TRACTORS (02) - FUEL SYSTEM
30
36
89
37
72
76
51
67
73
83
14
1
66
21
62
58
90
53
38
68
25
9
22
26
22
80
22
63
17
28
40
67
33
45
79
52
47
74
50
69
24
82
31
29
84
4
54
70
12
87
60
81
65
10
21
35
44
20
6
49
86
32
34
61
88
59
24
43
20
13
27
19
75
78
15
52
56
57
64
42
2
22
3
23
16
77
18
71
48
7
39
8
19
41
55
46
18
85
5
11
FIT
1:1
100%

Артикул

Название

Примечание

Количество

3044494R92

FUEL INJECTION PUMP

PUMP ASSY, D.P.A. fuel injection

1шт.

9635082

NUT,5/16" - 18, Gr 5

5/16-18 hex

3шт.

95-11034

WASHER,1/4"

11/32 x 11/16 x 16 ga

3шт.

1

895956H1

DRIVE SCREW

drive shaft

1шт.

2

895958H1

WASHER

drive shaft support

1шт.

3

3072520R1

WASHER

drive shaft screw spring

1шт.

4

3072521R1

HUB CAP

HUB, drive shaft

1шт.

5

895960H1

SEAL

drive shaft hub oil

1шт.

6

3072518R1

SHAFT, drive

1шт.

7

3072519R1

SEAL

drive shaft oil

1шт.

8

3043093R1

WASHER

housing drain pipe connector

1шт.

9

3043107R1

CONNECTOR, ELEC

CONNECTOR, housing drain pipe

1шт.

10

3072522R1

HOUSING

injection pump

1шт.

11

895963H1

GASKET

control cover

1шт.

12

895964H1

ARM, governor control

1шт.

13

895975H1

WASHER

governor linkage pivot ball retainer

1шт.

14

895977H1

HOOK, governor linkage

1шт.

895976H1

WASHER, linkage

1шт.

15

895972R1

NUT, governor linkage locking

1шт.

895974H1

WASHER

governor linkage spring

1шт.

16

895981H1

BAR

shut-off lever shaft

1шт.

17

3043103R1

LEVER

shut-off

1шт.

18

895983H1

CAP, shut-off lever & throttle control shaft dust

2шт.

19

3043105R1

WASHER

shaft plain

2шт.

20

705380R1

WASHER, shut-off lever & throttle control shaft

2шт.

21

3043096R1

NUT

shut-off lever & throttle shaft

2шт.

22

796020R1

O-RING,0.07" Thk x 0.239" ID, -10, Cl 6, 90 Duro

SEAL, shut-off lever & throttle control shaft

4шт.

23

3072525R1

COVER

control

1шт.

24

3043097R1

ADJUSTMENT SCREW,M10 x 32 x 35mm

SCREW, throttle control adjusting

2шт.

25

3043095R1

ADAPTER

ADAPTOR, control cover locking sleeve

1шт.

26

3043096R1

NUT

throttle control adjusting screw

1шт.

704777R1

WASHER, throttle control adjusting screw

1шт.

27

3064263R1

SLEEVE

control cover locking

1шт.

28

3069753R91

SCREW

ASSY, vent

1шт.

3043100R1

WASHER

vent screw

1шт.

29

795943R1

PIN

pump end plate locating

1шт.

30

3043104R1

ARM

throttle control

1шт.

31

895984H1

SHAFT

throttle control

1шт.

32

3072523R1

SPRING

governor control

1шт.

33

3072524R1

SPRING

idling

1шт.

34

895987H1

GUIDE

idling spring

1шт.

35

895982H1

SHAFT, shut-off lever

1шт.

36

3043101R1

NUT

control cover stud

2шт.

37

3043102R1

SEALING WASHER

control cover stud

2шт.

38

895978H1

SPRING

governor linkage

1шт.

39

895979H1

RETAINER, governor linkage spring

1шт.

40

898980H1

VALVE, metering, standard

1шт.

40

384789R1

VALVE

metering, oversize

1шт.

41

895969H1

SCREW

governor control bracket

1шт.

42

895967H1

WASHER

governor control bracket screw tab

2шт.

43

895968H1

BRACKET, governor control

1шт.

44

895966H1

PLATE

control bracket keep

1шт.

895970H1

WASHER

keep plate tab

1шт.

45

895971H1

STUD

control cover

2шт.

46

895965H1

SPRING

governor control arm

1шт.

47

3043110R1

GASKET

housing cover plate

1шт.

48

3043109R1

PLATE

housing cover

1шт.

49

705380R1

WASHER, housing cover plate screw

2шт.

50

3043111R1

SCREW

housing cover plate

2шт.

51

3072516R1

RETAINER

governor weight

1шт.

52

3072515R1

WEIGHT, governor

6шт.

53

898950H1

WASHER, governor weight thrust

1шт.

54

3072517R1

SLEEVE

governor weight thrust

1шт.

55

3072513R1

RING

CAM, ring

1шт.

56

3072514R1

SCREW

cam locating

1шт.

57

3072512R1

SCREW

drive plate

2шт.

58

3072511R1

PLATE

drive

1шт.

59

3072510R1

KNOB

PLATE, top adjusting

1шт.

60

3072499R1

PLATE ASSY.

PLATE, bottom adjusting

1шт.

61

3043089R1

WASHER

distributor head

1шт.

62

795970R1

BOLT,Locking, 5/16" - 24 x 1/2"

SCREW, distributor head lock

1шт.

63

795977R1

NO LONGER SERVICED

SHOE, cam roller

2шт.

64

795976R1

ROLLER

cam

2шт.

65

3072496R91

ROTOR

HEAD AND ROTOR ASSY, transfer pump distributor

1шт.

66

3043094R1

CONNECTOR, ELEC

CONNECTION, radial

1шт.

67

3043093R1

WASHER

fuel connecting screw

7шт.

68

3072526R1

ROTOR

transfer pump

1шт.

69

3043086R1

BLADE

transfer pump

2шт.

70

795960R1

SLEEVE

LINER, transfer pump

1шт.

71

3069749R1

RING

SEAL, transfer pump

1шт.

72

3043090R1

STUD

fuel connecting

3шт.

73

795965R1

RING

SEAL, distributor head

1шт.

74

3072498R1

WASHER

distributor head locating screw

1шт.

75

3072497R1

SCREW

distributor head locating

1шт.

76

796048R91

SCREW,Lock

ASSY, distributor head vent

1шт.

77

795966R1

BOLT

BANJO, long screwed

2шт.

78

3043091R1

BOLT

BANJO, short screwed

1шт.

79

3043083R1

CONNECTOR, ELEC

CONNECTOR, fuel inlet pipe

1шт.

80

3043085R1

WASHER

inlet pipe connector

1шт.

81

795952R1

SPRING

retaining sleeve

1шт.

82

3072493R1

PLUG, regulating valve

1шт.

83

3072495R1

SPRING

regulating valve

1шт.

84

3043084R1

FILTER

fuel

1шт.

85

3072492R1

SLEEVE

regulating valve

1шт.

86

795946R1

PISTON

regulating valve

1шт.

87

795948R1

WASHER

regulating valve sleeve

1шт.

88

795945R1

SPRING

piston retaining

1шт.

89

3072473R1

PLATE

injection pump end

1шт.

90

795944R1

SCREW

pump end plate

4шт.

384804R91

PACKAGE

seal and gasket

1шт.

12736D

ELECTRICAL WIRE

WIRE, lead sealing

1шт.

Выбрано товаров: 101