Запчасти Case IH 424 (146) - HYDRAULIC SYSTEM, HYDRAULIC FILTER, TRACTORS WITHOUT AUXILIARY VALVES (07) - HYDRAULIC SYSTEM

Схема запчастей Case IH 424 - (146) - HYDRAULIC SYSTEM, HYDRAULIC FILTER, TRACTORS WITHOUT AUXILIARY VALVES (07) - HYDRAULIC SYSTEM
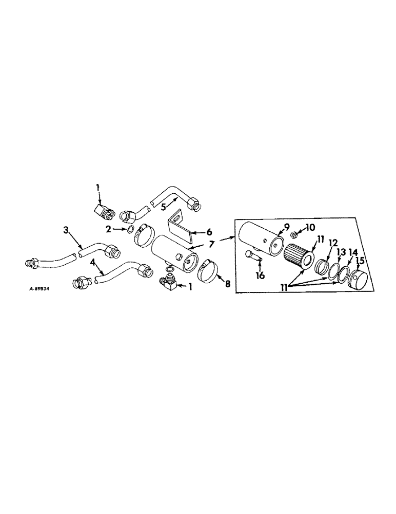
8
12
1
9
11
11
16
15
6
1
4
2
10
7
14
13
5
3
FIT
1:1
100%

Артикул

Название

Примечание

Количество

392018R91

PARTS ACCESSORY, hydraulic filter, consists of all unmarked parts and those marked unit A

1шт.

392019R91

PARTS ACCESSORY, hydraulic filter, consists of all unmarked parts and those marked unit B

1шт.

1

391960R91

ELBOW UNION,90 Degree, 1 1/16"-12, 37 Degree x 3/4"-16, O-Ring

ELBOW, 90 deg adj filter connector

2шт.

2

570828R1

O-RING,0.087" Thk x 0.644" ID, -908, Cl 6, 90 Duro

1/2 OD tube

2шт.

3

391957R11

PIPE ASSY, hose to filter, unit A

1шт.

4

391962R11

TUBE

PIPE ASSY, flow divider to filter, unit B

1шт.

5

392015R11

PIPE ASSY, filter to hyd lift valve

1шт.

6

391959R1

BRACKET, hyd filter support

1шт.

179842

SPACER

3/8-16 x 1-3/8 hex-hd cap

2шт.

7

391958R91

FILTER ASSY, hyd

1шт.

8

279026R91

HOSE CLAMP,#36, 1.81/2.75 Type F Worm

CLAMP, worm-type adjustable

2шт.

9

392529R91

BARREL ASSY, filter

1шт.

10

18253R1

LOCK NUT,3/8"-16, GB

NUT, filter bolt

1шт.

11

392532R91

KIT

PACKAGE, filter & o-ring service

1шт.

12

392528R1

SPRING, filter element

1шт.

(392528R1) : This part was taken by Dresser. Dresser now has this part discontinued.

1шт.

13

343904R1

O-RING,0.103" Thk x 1.799" ID, -133, Cl 6, 90 Duro

1-13/16 x 2-3/32

1шт.

14

392533R1

WASHER, back-up

1шт.

15

392530R1

PLATE, removable end

1шт.

16

392531R1

BOLT, filter

1шт.

Выбрано товаров: 20