Запчасти Case IH 424 (147) - HYDRAULIC SYSTEM, AUXILIARY VALVES AND CONNECTIONS (07) - HYDRAULIC SYSTEM

Схема запчастей Case IH 424 - (147) - HYDRAULIC SYSTEM, AUXILIARY VALVES AND CONNECTIONS (07) - HYDRAULIC SYSTEM
36
22
38
45
49
29
23
17
5
4
20
1
44
6
32
4
21
5
26
35
42
40
19
13
39
9
7
43
32
5
12
34
34
47
15
28
18
21
25
19
3
1
10
31
8
29
14
46
16
50
24
50
37
4
4
48
10
20
33
27
21
41
43
19
20
30
49
2
30
FIT
1:1
100%

Артикул

Название

Примечание

Количество

392262R92

PACKAGE

PARTS ACCESSORY, single auxiliary valve, tractors w/manual steering, consists of all unmarked parts and those marked unit A

1шт.

Not used on tractors with backhoe & loader combination.

1шт.

392263R92

PARTS ACCESSORY, single auxiliary valve, tractors w/power steering, consists of all unmarked parts and those marked unit B

1шт.

Not used on tractors with backhoe & loader combination.

1шт.

392264R92

PARTS ACCESSORY, double auxiliary valve, tractors w/manual steering, consists of all unmarked parts and those marked unit C

1шт.

Not used on tractors with backhoe & loader combination. Not used on tractors with narrow tread rear axle and rear mounted battery.

1шт.

392265R92

PACKAGE

PARTS ACCESSORY, double auxiliary valve, tractors w/power steering, consists of all unmarked parts and those marked unit D

1шт.

Not used on tractors with backhoe & loader combination. Not used on tractors with narrow tread rear axle and rear mounted battery.

1шт.

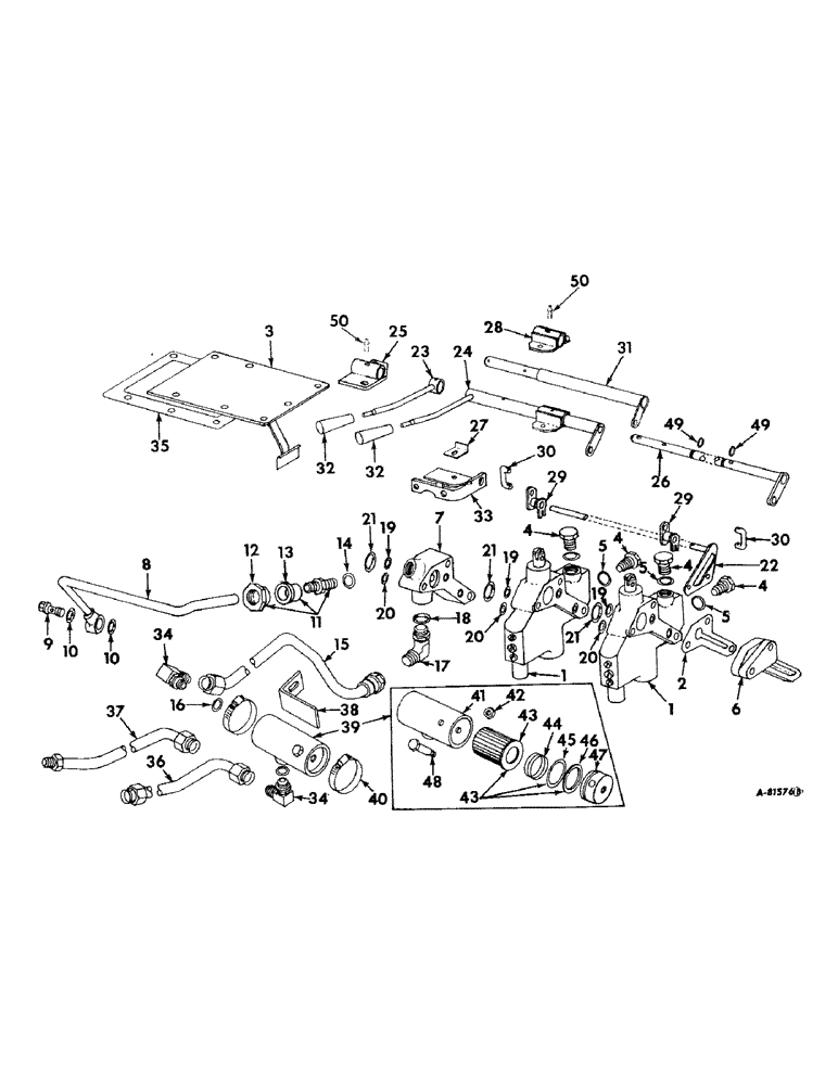
1

3069020R92

CONTROL VALVE

VALVE ASSY, auxiliary, double acting, for components see list of parts under details of double acting auxiliary valve, 1 for units A & B, 2 for units C & D

1шт.

2

3061055R1

GASKET

valve cover plate

1шт.

3

3044366R12

PLATE

ASSY, top cover

1шт.

1798174

SCREW, 5/16-18 x 5/8 hex-hd cap

8шт.

103320

LOCK WASHER,5/16"

WASHER, LOCK, 5/16"

8шт.

4

9410360

PLUG

7/8-14 str thd-o-ring boss, 2 for units A & B, 4 for units C & D

1шт.

5

364885R1

O-RING,0.097" Thk x 0.755" ID, -910, Cl 6, 90 Duro

3/4 x 5/16 x 3/32, 2 for units A & B, 4 for units C & D

1шт.

6

3069021R1

PLATE

valve cover

1шт.

186289

BOLT,Hex, 3/8" - 16 x 5", Gr 5

SCREW, 3/8-16 x 5 hex-hd cap, 2 for units A & B

1шт.

433114

BOLT,Hex, 3/8" - 16 x 4 1/4", Gr 5

SCREW, 3/8-16 x 4-1/4 hex-hd cap, units A & B

1шт.

20507R1

BOLT,Hex, 3/8" - 16 x 6 3/4", Gr 5

SCREW, 3/8-16 x 6-3/4 hex-hd cap, 2 for units C & D

1шт.

186290

BOLT (SPREADER)

SCREW, 3/8-16 x 6 hex-hd cap, 2 for, units C & D

1шт.

103321

LOCK WASHER,3/8"

WASHER, LOCK, 3/8"

3шт.

7

3069943R1

BLOCK, adapter

1шт.

8

3069024R11

PIPE

ASSY, pressure

1шт.

9

3069026R1

BOLT,1/2" BSP x 2"

banjo

1шт.

10

704337R1

SEALING WASHER

WASHER, banjo bolt

2шт.

11

3069027R91

COUPLING, BREAK AWAY

COUPLING ASSY, pressure pipe

1шт.

12

3069907R1

NUT, pressure pipe

1шт.

13

3069908R1

SLEEVE, pressure pipe

1шт.

14

704337R1

SEALING WASHER

WASHER, pressure pipe connector

1шт.

15

391961R11

PIPE ASSY, filter to auxiliary valve, order pipe assy, 400274R1 and elbow, 399651R1

1шт.

15

400274R1

PIPE ASSY, filter to auxiliary valve

1шт.

16

570828R1

O-RING,0.087" Thk x 0.644" ID, -908, Cl 6, 90 Duro

41/64 x 13/16 x 5/64

2шт.

17

9410978

ELBOW,90 Degree, 7/8"-14, 37 Degree x 7/8"-14, O-Ring

7/8-14 37 deg hyd flared tube adj str thd 90 deg, used only with pipe, 391961R11

1шт.

17

399651R1

ELBOW, 7/8-14 37 deg hyd flared tube adj str thd 90 deg, used with pipe, 400274R1

1шт.

18

364885R1

O-RING,0.097" Thk x 0.755" ID, -910, Cl 6, 90 Duro

3/4 x 15/16 x 3/32

1шт.

19

3067183R1

O-RING,0.103" Thk x 0.424" ID, -11, Cl 6, 90 Duro

7/16 x 5/8 x 3/32, 2 for units A & B, 3 for units C & D

1шт.

20

702788R1

O-RING,0.103" Thk x 0.362" ID, -110, Cl 6, 90 Duro

3/8 x 9/16 x 3/32, 2 for units A & B, 3 for units C & D

1шт.

21

395312R1

GASKET

static, 2 for units A & B, 3 for units C & D

1шт.

22

390002R91

BRACKET ASSY, control lever, units A & B

1шт.

22

390003R91

BRACKET ASSY, control lever, units C & D

1шт.

23

390006R11

LEVER ASSY, linkage actuating

1шт.

24

390008R21

PIPE ASSY, linkage, units C & D

1шт.

179816

BOLT,Hex, 5/16" - 18 x 3/4", Gr 5

2шт.

25

390016R21

BUSHING ASSY, linkage

1шт.

179816

BOLT,Hex, 5/16" - 18 x 3/4", Gr 5

2шт.

26

390018R11

ROD ASSY, linkage, units C & D

1шт.

591184R1

PIN,3/16" x 1 1/4", Coiled

3/16" x 1-1/4", coiled

3шт.

Q3501

WASHER

1-1/4 x 25/32 x 16 ga

2шт.

27

391937R1

STOP, seat bracket safety

1шт.

179816

BOLT,Hex, 5/16" - 18 x 3/4", Gr 5

1шт.

103320

LOCK WASHER,5/16"

WASHER, LOCK, 5/16"

1шт.

28

391965R11

BUSHING ASSY, linkage, units A & B

1шт.

179816

BOLT,Hex, 5/16" - 18 x 3/4", Gr 5

2шт.

29

392555R91

ARM

ASSY, pivot, 1 for units A & B, 2 for units C & D

1шт.

39374D

CLEVIS PIN,5/16" x 1 1/16"

PIN, 5/16 x 1-1/16 std-hd, 1 for units A & B, 2 for units C & D

1шт.

103384

COTTER PIN,1/8" x 3/4"

Pin, Split (Cotter), , 1 for units A & B, 2 for units C & D 1/8" x 3/4"

1шт.

30

390021R1

ROD, connecting, 1 for units A & B, 2 for units C & D

1шт.

103373

COTTER PIN,3/32" x 3/4"

Pin, Split (Cotter), , 2 for units A & B; 4 for units C & D 3/32" x 3/4"

1шт.

95-11041

WASHER,3/8"

(13/32 x 13/16 x 16 ga), 2 for units A & B, 4 for units C & D 3/8"

1шт.

31

390014R11

ROD ASSY, pivot, units A & B

1шт.

591184R1

PIN,3/16" x 1 1/4", Coiled

3/16" x 1-1/4", coiled

2шт.

Q3501

WASHER

1-1/4 x 25/32 x 16 ga

1шт.

32

388634R1

GRIP

lever, 1 for units A & B, 2 for units C & D

1шт.

33

391938R91

SUPPORT AND SHIELD ASSY, auxiliary valve

1шт.

179893

BOLT,Hex, 1/2" - 13 x 3", Gr 5

SCREW, 1/2-13 x 3 hex-hd cap

2шт.

34

391960R91

ELBOW UNION,90 Degree, 1 1/16"-12, 37 Degree x 3/4"-16, O-Ring

ELBOW, 90 deg adj filter connector

2шт.

35

3044367R2

GASKET

top cover plate

1шт.

36

391962R11

TUBE

PIPE ASSY, flow divider to filter, units B & D

1шт.

37

391957R11

PIPE ASSY, hose to filter, units A & C

1шт.

38

391959R1

BRACKET, filter support

1шт.

102635

NUT,3/8"-16, G5

x 1-3/8 hex-hd cap 3/8"-16, G5

1шт.

413-622

BOLT,Hex, 3/8" - 16 x 1-3/8", Gr 5

3/8-16 x 1-3/8 hex-hd cap

1шт.

103321

LOCK WASHER,3/8"

WASHER, LOCK, 3/8"

1шт.

39

391958R91

FILTER ASSY, hydraulic oil

1шт.

40

279026R91

HOSE CLAMP,#36, 1.81/2.75 Type F Worm

CLAMP, worm-type adjustable

2шт.

41

392529R91

BARREL ASSY, filter

1шт.

42

18253R1

LOCK NUT,3/8"-16, GB

NUT, filter bolt

1шт.

43

392532R91

KIT

PACKAGE, filter & o-ring service

1шт.

44

392528R1

SPRING, filter element

1шт.

(392528R1) : This part was taken by Dresser. Dresser now has this part discontinued.

1шт.

45

343904R1

O-RING,0.103" Thk x 1.799" ID, -133, Cl 6, 90 Duro

1-13/16 x 2 3/32

1шт.

46

392533R1

WASHER, back-up

1шт.

47

392530R1

PLATE, removable end

1шт.

48

392531R1

BOLT, filter

1шт.

49

378331R1

RING

linkage rod sealing, 2 for units C & D

1шт.

50

219-8

LUBE NIPPLE,1/4" - 28 NPTF

NIPPLE, LUBE, , 1 for units A & B, 2 for units C & D 1/4"-28 NPT x .54" lg

1шт.

Выбрано товаров: 86