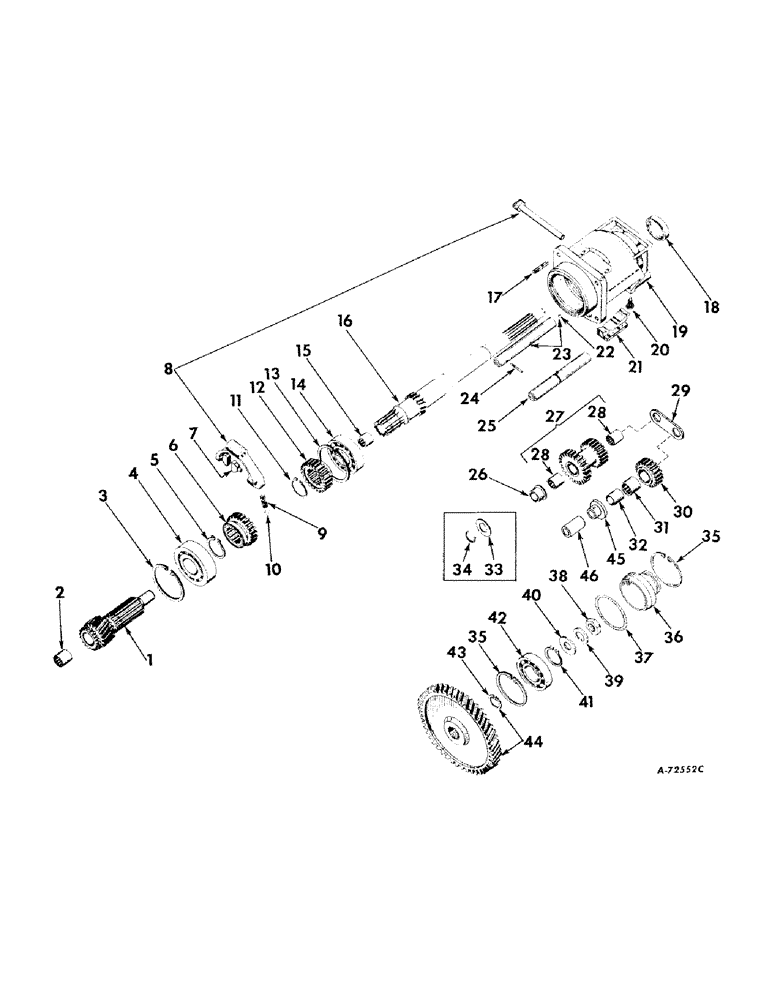
Запчасти Case IH 424 (091) - REAR FRAME AND DRIVING MECHANISMS, FORWARD AND REVERSE TRANSMISSION, TRACTORS WITH SINGLE CLUTCH Rear Frame & Driving Mechanisms

Схема запчастей Case IH 424 - (091) - REAR FRAME AND DRIVING MECHANISMS, FORWARD AND REVERSE TRANSMISSION, TRACTORS WITH SINGLE CLUTCH Rear Frame & Driving Mechanisms
25
28
21
13
36
5
12
38
3
18
46
17
1
26
34
8
14
19
44
37
35
29
4
10
2
23
35
20
28
16
7
41
9
15
43
11
30
24
22
31
32
27
33
6
39
45
42
40
FIT
1:1
100%

Артикул

Название

Примечание

Количество

1

3068319R11

SHAFT

GEAR & SHAFT W/COLLAR, transmission driving, order package

1шт.

1

3070706R11

SHAFT

GEAR & SHAFT W/COLLAR, transmission driving, power train serial no. 15864 & above

1шт.

3062459R1

COLLAR

shaft

1шт.

2

321981R91

NEEDLE BEARING

pilot needle

1шт.

3068278R1

BEARING CUP,1.02" ID x 1.25" OD x 0.1"

pilot bearing

1шт.

3

751149R1

RING

CIRCLIP, transmission driving shaft bearing retaining

1шт.

4

ST353

BALL BEARING,45 mm ID x 100 mm OD x 25 mm

BEARING, transmission driving shaft rear ball

1шт.

5

3048709R1

RING, SNAP

CIRCLIP, transmission driving shaft bearing retaining

1шт.

6

3048714R3

GEAR

output

1шт.

7

3048731R1

SHOE

gear shifter fork

2шт.

8

3067265R91

FORK

& SHAFT W/TWO PINS, 17132R1, gear shifter

1шт.

17132R1

LOCK PIN,1/4" x 1", Slotted

PIN, 3/16 x 1 roll

2шт.

9

3072000R1

SPRING

gear shifter rail poppet

1шт.

10

16013R1

BALL

13/32 dia stl

1шт.

11

3048709R1

RING, SNAP

CIRCLIP, transmission and PTO shaft rear bearing retainer

1шт.

12

3048711R1

GEAR

input

1шт.

13

751149R1

RING

CIRCLIP, forward & reverse & PTO shaft rear bearing retainer

1шт.

14

ST202

BEARING, BALL,45mm ID x 85mm OD x 19mm W

BEARING, forward & reverse & PTO shaft rear ball

1шт.

15

3062462R91

BEARING

forward & reverse & PTO driving shaft

1шт.

3062461R1

SPACER

bearing

1шт.

16

3048700R4

SHAFT

forward & reverse & PTO driving

1шт.

17

703877R1

STUD

gear carrier housing

3шт.

18

751080R91

SEAL

forward & reverse & PTO driving shaft oil ( replaced 3048756R91)

1шт.

19

3067261R2

HOUSING

gear carrier

1шт.

329-146

JAM NUT,Jam, 3/8"-16, G5

3шт.

179840

BOLT,Hex, 3/8" - 16 x 1 1/8", Gr 5

SCREW, 3/8-16 x 1-1/8 hex-hd cap

1шт.

103321

LOCK WASHER,3/8"

WASHER, LOCK, 3/8"

4шт.

20

3048721R1

BOLT (SPREADER)

BOLT, locking

2шт.

80680

LOCK WASHER,3/8 0.381 CST ZND

WASHER, LOCK, 3/8"

2шт.

21

3048730R2

RAIL

gear shifter

1шт.

141155

DOWEL,3/16" x 3/4"

PIN, 3/16 x 3/4 dowel

2шт.

413-414

BOLT,Hex, 1/4" - 20 x 7/8", Gr 5

SCREW, 1/4-14 x 7/8 hex-hd cap

2шт.

103319

LOCK WASHER,1/4"

WASHER, LOCK, 1/4"

2шт.

22

16008R1

BALL,1/4" Dia, Steel

1/4 dia stl

1шт.

23

3048726R11

SHAFT

COUNTERSHAFT ASSY

1шт.

24

443024

GROOVED PIN,3/16" x 1 1/4", Type F

PIN, grooved, 3/16" x 1-1/4", Type F

1шт.

25

3048720R2

SHAFT

idler, order package, 3070727R91, power train serial no. 15863 & below

1шт.

3048718R1

PIN

idler shaft lock

1шт.

25

3070705R1

SHAFT

idler, power train serial no. 15864 & above

1шт.

26

3048725R1

SPACER

countershaft

1шт.

27

3048722R21

GEAR

ASSY, countershaft cluster

1шт.

28

376918R91

NEEDLE BEARING

cluster gear needle, will work for 3048759R91

2шт.

29

3048715R2

THRUST WASHER

WASHER, idler & cluster gear thrust

1шт.

30

3048716R21

GEAR W/BEARING, 392682R91, idler, 19 teeth, order package, 3070727R91, power train serial no. 15863 & below

1шт.

30

3070703R1

GEAR

idler, 19 teeth, power train serial no. 15864 & above

1шт.

31

392682R91

NEEDLE BEARING

BEARING, idler gear needle, will work for 3048758R91, order package, 3070727R91, power train serial no. 15863 & below

1шт.

31

3070729R91

BEARING

idler gear needle, power train serial no. 15864 & above

1шт.

32

3048719R1

SLEEVE

idler gear needle bearing, order package, 3070727R91, power train serial no. 15863 & below

1шт.

32

3070704R1

SLEEVE

idler gear needle bearing, power train serial no. 15864 & above

1шт.

33

3048717R1

WASHER

idler gear rear thrust, order package, 3070727R91, power train serial no. 15863 & below

1шт.

34

3045166R1

RING

CIRCLIP, idler shaft, order package, 3070727R91, power train serial no. 15863 & below

1шт.

35

751149R1

RING

CIRCLIP, PTO driven gear bearing retainer

2шт.

36

751148R3

CAP

PTO front bearing

1шт.

37

468335R1

O-RING,0.21" Thk x 3.25" ID, -340, Cl 5, 75 Duro

3-3/8 x 3-3/4 x 3/16, PTO front bearing cap

1шт.

38

NSS

NOT SOLD SEPARAT

(Not used in this application)

1шт.

39

NSS

NOT SOLD SEPARAT

(Not used in this application)

1шт.

40

751142R1

WASHER

PTO front shaft retaining

1шт.

41

751146R1

RING

CIRCLIP, PTO driven gear retainer

1шт.

42

ST202

BEARING, BALL,45mm ID x 85mm OD x 19mm W

BEARING, PTO driven gear ball

1шт.

43

751145

CIRCLIP, PTO drive gear

1шт.

44

3044007R11

GEAR

ASSY, PTO drive

1шт.

45

3070707R1

SPACER

idler shaft, power train serial no. 15864 & above

1шт.

443024

GROOVED PIN,3/16" x 1 1/4", Type F

PIN, grooved, 3/16" x 1-1/4", Type F

1шт.

46

3070708R1

TUBE,0.828" ID, 1.604" Length

idler shaft spacer, power train serial no. 15864 & above

1шт.

3070727R91

PACKAGE

forward & reverse transmission service, power train serial no. 15863 & below, consists of (1) bearing 3070729R91, (1) gear 3070703R1, (1) pin 443024, (1) shaft 3070705R1, (1) shaft 3070706R11, (1) sleeve 3070704R1, (1) spacer 3070707R1

1шт.

Выбрано товаров: 65