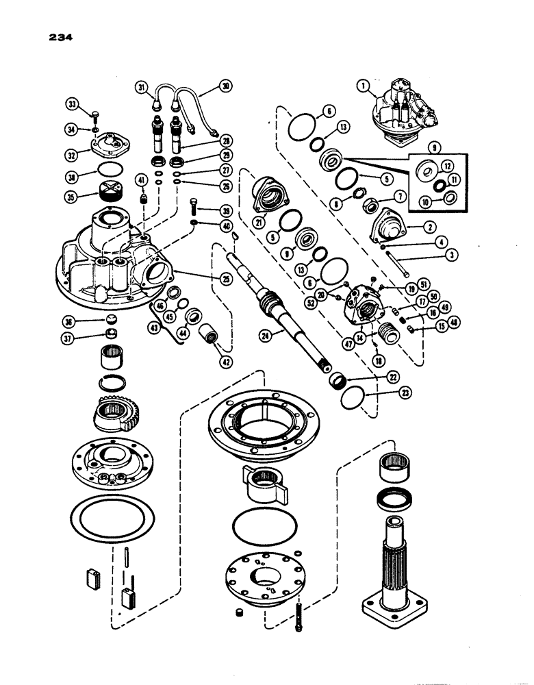
Запчасти Case IH 430 (234) - POWER STEERING GEAR PARTS, GENERAL PURPOSE S/N 8191147 AND AFTER, PRIOR TO S/N 8262800 (05) - STEERING

Схема запчастей Case IH 430 - (234) - POWER STEERING GEAR PARTS, GENERAL PURPOSE S/N 8191147 AND AFTER, PRIOR TO S/N 8262800 (05) - STEERING
46
23
22
32
444
18
9
43
2
14
4
45
33
50
36
26
40
38
25
34
20
5
24
28
30
13
7
11
31
6
39
16
35
49
8
21
41
48
1
47
51
13
5
3
9
12
29
37
17
42
6
52
19
27
15
10
FIT
1:1
100%

Артикул

Название

Примечание

Количество

1

A23318

GEAR ASSY. - steering (Order A36571 when depleted) (incl. ref. 2 - 34)

1шт.

1

A36571

GEAR ASSY. - steering (incl. ref. 2 - 34)

1шт.

2

A33069

CAP - valve (SN 8259171 and after)

1шт.

2

A23595

CAP - valve (Before SN 8259171)

1шт.

3

13-660

BOLT,Hex, 3/8" - 16 x 3-3/4", Gr 5

- cap (3/8 x 3-3/4" N.C. hex)

3шт.

4

92-6

LOCK WASHER,3/8"

3шт.

5

A23904

O-RING,0.103" Thk x 2.175" ID, -139, Cl 5, 75 Duro

-139, 90 Duro, 2.175" ID x .103" Thk - Thrust brg. (2-3/16 x 2-3/8 x 3/32")

2шт.

6

A7990

O-RING,0.103" Thk x 2.8" ID, -149, Cl 5, 75 Duro

"O" RING - cap & carrier (2-13/16 x 3 x 3/32")

2шт.

7

A7988

NUT

- thrust brg. ret. (1"-16 spec.)

1шт.

8

A8317

LOCK ASSY

LOCK - worm shaft nut

1шт.

9

A33067

X

BEARING ASSY. (incl. ref. 10, 11 & 12)

2шт.

10

NSS

NOT SOLD SEPARAT

RACE - thrust brg. (1" O.D.)

1шт.

11

NSS

NOT SOLD SEPARAT

BEARING - thrust (needle)

1шт.

12

NSS

NOT SOLD SEPARAT

RACE - thrust brg. (2-7/32" O.D.)

1шт.

13

A13084

O-RING,12.37" ID x 1.443" OD x 0.103"

"O" RING - thrust brg. (1-1/4" x 1-7/16" x 3/32")

2шт.

14

A33062

VALVE ASSY. - (See ref. 47) (incl. ref. 15 - 20)

1шт.

15

A33064

PLUNGER - valve centering (drilled)

3шт.

16

A33065

SPRING

- valve centering

3шт.

17

A9475

PLUNGER

- valve centering (solid)

3шт.

18

A33066

ORIFICE - dampening

1шт.

19

A9474

VALVE

- check

1шт.

20

A15233

SEAT

- power steering lines

3шт.

21

A33070

CARRIER - shaft bearing (SN 8259171 and after)

1шт.

21

A7984

CARRIER - shaft bearing (Before SN 8259171)

1шт.

22

A7985

BEARING, NEEDLE,1.25" ID x 1.5" OD x 0.75"

BEARING - needle, worm shaft, front

1шт.

23

O10984AB

X

"O" RING - carrier (2-1/2 x 3/4 x 1/8")

1шт.

24

A23596

SHAFT - worm

1шт.

25

A7970

HOUSING - steering gear

1шт.

26

VT2983

X

"O" RING - connector (7/16 x 5/8 x 3/32")

2шт.

27

A7982

O-RING,0.103" Thk x 0.612" ID, -114, Cl 5, 75 Duro

"O" RING - connector (5/8 x 13/16 x 3/32")

2шт.

28

A7979

CONNECTOR - valve inlet & outlet

2шт.

29

A7980

LOCK NUT

NUT - lock, connector

2шт.

30

A8309

TUBE - housing to valve (5-1/4" long)

1шт.

31

A8308

TUBE

- housing to valve (6-13/16" long)

1шт.

32

6524A

COVER - housing

1шт.

33

13-514

BOLT,Hex, 5/16" - 18 x 7/8", Gr 5

Cover Hex, 5/16"-18 x 7/8", G5, Full Thd

4шт.

34

92-5

LOCK WASHER,5/16"

4шт.

35

O10976AB

PLUG - thrust ball, upper seat (incl. ref. 36)

1шт.

36

O10974AB

X

BALL - thrust, spindle

1шт.

37

O10975AB

SADDLE - thrust ball, lower seat (incl. ref. 38 - 52)

1шт.

38

V20352

SCREW

"O" RING - cover (2-3/8 x 5/8 x 1/8")

1шт.

39

13-624

BOLT,Hex, 3/8" - 16 x 1-1/2", Gr 5

- housing (3/8 x 1-1/2" N.C. hex)

2шт.

40

92-6

LOCK WASHER,3/8"

2шт.

41

221-1014

DRAIN PLUG,Sq Hd, 1/2"-14 NPTF

PLUG - housing (1/2" P.T. sq. hd.)

1шт.

42

A7986

NEEDLE BEARING,1" ID x 1.25" OD x 3"

BEARING - needle, worm shaft, rear

1шт.

43

A22660

SEAL

KIT - worm shaft, dust (incl. ref. 44 - 46)

1шт.

44

NSS

NOT SOLD SEPARAT

CARRIER - dust seal

1шт.

45

A9394

RING

QUAD RING - (1 x 1-1/4 x 1/8")

1шт.

46

A9393

SEAL

- dust (1 x 1-3/8 x 3/16")

1шт.

47

A10041

VALVE ASSY. - (Before SN 8259171) (incl. ref. 48 - 52)

1шт.

48

A9476

PLUNGER - inactive (drilled)

1шт.

49

A9478

SPRING

1шт.

50

A9475

PLUNGER

- active (solid)

1шт.

51

A9474

VALVE

- check

1шт.

52

A15233

SEAT

- power steering lines

3шт.

Выбрано товаров: 0