Запчасти Case IH 430 (238) - EASY RIDE SEAT (09) - CHASSIS

Схема запчастей Case IH 430 - (238) - EASY RIDE SEAT (09) - CHASSIS
24
33
9
8
28
6
30
3
19
34
5
32
38
27
2
1
4
18
23
37
24
7
35
41
35
20
35
34
31
23
26
31
21
35
36
10
29
22
39
40
36
24
25
FIT
1:1
100%

Артикул

Название

Примечание

Количество

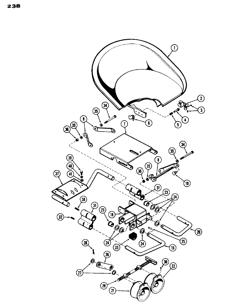
1

G13038

SEAT ASSY., Includes: Ref. 2 - 6

1шт.

2

G16891

BRACKET - plunger

1шт.

3

151-210

RIVET - bracket (3/16" x 7/16" truss hd.)

4шт.

4

G10783

PIN - plunger

1шт.

5

A30370

SPRING - plunger

1шт.

6

G10784

HANDLE - plunger

1шт.

A37945

CHANNEL ASSY. - seat (not illust.) (Replaces A33309), Includes: Ref. 7 - 10

1шт.

7

A33310

CHANNEL

- seat

1шт.

8

A38148

X

ARM - pivot, front (Replaces G13379)

1шт.

9

G10775

ARM

- pivot, rear

2шт.

10

G10779

RIVET

- pivot, Serial Range: arms-channel

4шт.

A37951

SUSPENSION BLOCK

SUSPENSION ASSY. - seat (not illust.) (Replaces G13385), Includes: Ref. 18 - 33

1шт.

18

G45031

BRACKET - support

1шт.

19

G46000

SHAFT - spring, right hand

1шт.

20

G46001

SHAFT - spring, left hand

1шт.

21

G45002

SPRING SEAT

SPRING - cushion, right hand

1шт.

22

G45003

SPRING SEAT

SPRING - cushion, left hand

1шт.

23

G46002

FLANGED BEARING

BEARING - spring cushion (flanged)

2шт.

24

A26462

WASHER

- shaft (49/64 x 1-1/4" x 14 Ga.)

6шт.

25

135-583

GROOVED PIN,1/4" x 1 1/4", Type D

Pin, Grooved, , shaft, upper 1/4" x 1 1/4", Type D

2шт.

26

G45005

LINK - spring stabilizing

1шт.

27

A26381

WASHER

- link (17/32 x 1" x 14 Ga.)

1шт.

28

132-46

COTTER PIN,1/8" x 3/4"

Pin, Split (Cotter), 1/8" x 3/4"

2шт.

29

G45001

STUD

- spring adjusting

1шт.

30

138-57

LOCK PIN,1/8" x 3/4", Slotted

PIN, , Adj. stud 1/8" x 3/4", Slotted

2шт.

31

G45004

LEVER

- suspension

2шт.

32

138-136

LOCK PIN,1/4" x 1 1/4", Slotted

PIN, , Lever to shaft 1/4" x 1 1/4", Slotted

2шт.

33

A30644

BUMPER

- suspension

1шт.

34

16-572

BOLT - channel (5/16" x 4-1/2" N. F. hex.)

2шт.

35

195-21

WASHER,5/16"

(11/32" x 11/16" x 1/16") 5/16"

4шт.

36

131-3

LOCK NUT,5/16"-24, GB

NUT - (5/16" N. F. self-locking)

2шт.

37

A37954

SUPPORT - seat

1шт.

38

138-155

LOCK PIN,5/16" x 1 1/4", Slotted

PIN, , Lever to support 5/16" x 1 1/4", Slotted

2шт.

39

13-614

BOLT,Hex, 3/8" - 16 x 7/8", Gr 5, Full Thd

- support - (3/8" X 3/4" N. C. hex.)

4шт.

40

192-21

LOCK WASHER,3/8"

WASHER, LOCK, 3/8"

4шт.

41

95-6

WASHER,3/8"

- (7/16" x 1" x 5/64")

4шт.

Выбрано товаров: 36