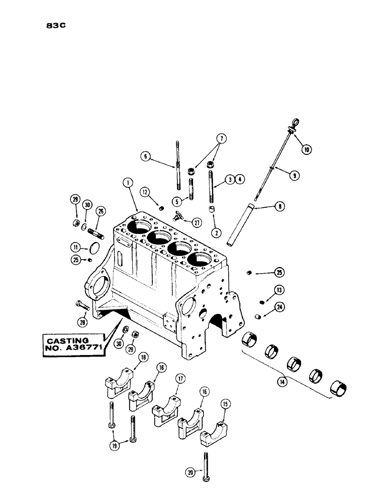
Запчасти Case IH 430 (083C) - CYL. BLOCK ASSY., CASTING NO. A36771, ENG S/N 2117952 THRU 2610997, 430 AND 530 SERIES, 188 DSL ENG (02) - ENGINE

Схема запчастей Case IH 430 - (083C) - CYL. BLOCK ASSY., CASTING NO. A36771, ENG S/N 2117952 THRU 2610997, 430 AND 530 SERIES, 188 DSL ENG (02) - ENGINE
2
1
17
19
14
15
9
12
4
20
6
28
16
16
29
27
26
3
30
7
29
13
11
8
10
24
25
30
18
5
25
FIT
1:1
100%

Артикул

Название

Примечание

Количество

A40592

SHORT BLOCK ASSY. (Casting No. A36771) (Includes stripped block, crankshaft & bearings, camshaft & gear, pistons & sleeves, conn. rods and oil Pump), Includes: Ref. 1 - 27

1шт.

1

A40590

BLOCK ASSY. - stripped (Casting No. A36771), Includes: Ref. 2 - 20

1шт.

2

G49608

RING

DOWEL -, Serial Range: head-block

2шт.

3

A36902

STUD

- head to block (1/2 x 5-5/8")

11шт.

4

A36905

STUD

- head to block (1/2 x 6")

2шт.

5

A36904

STUD

- head to block (1/2" x 4")

4шт.

6

A36903

STUD

-, Serial Range: head-cover

2шт.

7

A37030

FLANGE NUT

- head stud (1/2" N.C. flanged)

19шт.

8

A37149

TUBE

- dipstick

1шт.

9

A37148

DIPSTICK

- oil level, Includes: Ref. 10

1шт.

10

F62075

O-RING,0.139" Thk x 0.734" ID, -210, Cl 5, 75 Duro

"O" RING - dipstick seal

2шт.

11

A39241

PLUG,Exp, 2.12" dia

- camshaft opening (2-1/8" dia.)

1шт.

12

221-1032

DRAIN PLUG,Sq Soc, 3/8"-18 NPTF

PLUG - heater plug opening (3/8" P.T.)

1шт.

13

G49070

PLUG

- drilled, oil gallery front

1шт.

14

A41232

KIT

BUSHING SET - camshaft (pre-sized)

1шт.

15

G2126

CAP

- front crankshaft bearing

1шт.

16

G2128

CAP

- intermediate crankshaft brg.

2шт.

17

G2127

CAP

- center crankshaft brg.

1шт.

18

G2129

CAP

- rear crankshaft brg.

1шт.

19

G49078

BOLT - brg. cap (1/2 x 4-1/2" spec.)

8шт.

20

G49077

BOLT

- front brg. cap (1/2" x 5-1/8" spec.)

2шт.

24

A29442

RING

- dowel, timing gear cover

2шт.

25

217-433

PLUG,Hex Soc, 1/4" - 18 NPTF

Oil gallery Hex Soc, 1/4"-18 NPTF

2шт.

26

A29333

STUD

- eng. to torque tube (5/8" x 3")

2шт.

27

217-103

COCK, DRAIN

DRAINCOCK - cyl. block (1/4" P.T.)

1шт.

28

A30099

X

BOLT - engine to torque tube (5/8 x 3")

2шт.

29

25-1110

NUT,5/8"-18, G5

- 1/2" N.F. hex

4шт.

30

92-10

LOCK WASHER,5/8"

WASHER, LOCK, 5/8"

4шт.

Выбрано товаров: 28