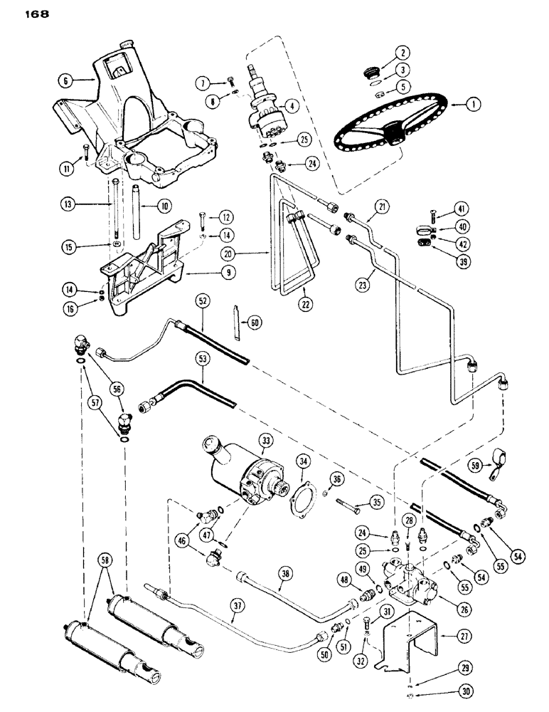
Запчасти Case IH 430 (168) - HYDROSTATIC STEERING, 430 SERIES (05) - STEERING

Схема запчастей Case IH 430 - (168) - HYDROSTATIC STEERING, 430 SERIES (05) - STEERING
5
37
35
55
3
24
59
14
31
32
4
14
22
39
41
10
20
54
52
8
42
6
26
54
56
50
60
16
25
38
51
57
46
58
12
24
28
27
29
49
47
7
40
30
2
11
34
53
23
13
36
25
48
33
55
9
1
15
21
FIT
1:1
100%

Артикул

Название

Примечание

Количество

1

A35602

STEERING WHEEL

WHEEL - steering

1шт.

2

A35603

CAP

MEDALLION - steering wheel

1шт.

3

A28318

O-RING,0.139" Thk x 2.484" ID, -230, Cl 5, 75 Duro

"O" RING - medallion (2-1/2 x 2-3/4 x 1/8")

1шт.

4

F82744

PUMP ASSY. - manual (See Figure 172)

1шт.

4

A35579

PUMP

ASSY. - manual (See Figure 172)

1шт.

5

F19646

LOCK NUT,13/16"-20, Thin

NUT - str. wheel to hand pump

1шт.

6

A38020

STEERING COLUMN

COLUMN - steering support, upper

1шт.

7

13-516

BOLT,Hex, 5/16" - 18 x 1", Gr 5

Hand pump Hex, 5/16"-18 x 1", G5, Full Thd

3шт.

8

92-5

LOCK WASHER,5/16"

3шт.

9

A36705

SUPPORT - steering column, lower

1шт.

10

G10747

SPACER - support, front (7-3/8" lg.) 0.75" OD x 7.375" L

2шт.

11

13-628

BOLT,Hex, 3/8" - 16 x 1-3/4", Gr 5

Column to support Hex, 3/8"-16 x 1 3/4", G5

2шт.

12

13-636

BOLT,Hex, 3/8" - 16 x 2-1/4", Gr 5

Support, Rear Hex, 3/8"-16 x 2 1/4", G5

2шт.

13

15-6128

BOLT

- support, front (3/8 x 8" N.C. hex.)

2шт.

14

92-6

LOCK WASHER,3/8"

6шт.

15

195-25

WASHER,3/8"

- (13/32 x 13/16 x 5/64")

2шт.

16

25-106

NUT,3/8"-16, G5

- (3/8" N.C. hex.)

2шт.

20

A36671

TUBE - pump, left hand, rear

1шт.

21

A36811

TUBE - pump, left hand, front

1шт.

22

A36669

TUBE - pump, right hand, rear

1шт.

23

A36810

TUBE - pump, right hand, front

1шт.

24

218-5059

HYD CONNECTOR,3/4"-16, 37 Degree x 3/4"-16, O-Ring

CONNECTOR Assy - (at pump & valve), Incl. Ref 25

4шт.

26

A37980

VALVE

ASSY. - control (see Figure 172)

1шт.

25

218-5006

O-RING,0.087" Thk x 0.644" ID, -908, Cl 6, 90 Duro

"O" RING - connector (41/64" I.D. x 5/64")

1шт.

27

A36814

BRACKET - valve mounting

1шт.

28

13-618

BOLT,Hex, 3/8" - 16 x 1-1/8", Gr 5

- valve to brkt. (3/8 x 1-3/4" N.C. hex.)

3шт.

29

92-6

LOCK WASHER,3/8"

3шт.

30

25-106

NUT,3/8"-16, G5

- (3/8" N.C. hex.)

3шт.

31

13-812

BOLT,Hex, 1/2" - 13 x 3/4", Gr 5

- brkt. (1/2 x 3/4" N.C. hex.)

2шт.

32

92-8

LOCK WASHER,1/2"

2шт.

33

A36559

PUMP

ASSY. - power (See Figure 174)

1шт.

34

A30042

GASKET

- power str. pump

1шт.

35

13-652

BOLT,Hex, 3/8" - 16 x 3-1/4", Gr 5

- pump (3/8 x 3-1/4" N.C. hex.)

3шт.

36

92-6

LOCK WASHER,3/8"

3шт.

37

A36808

X

TUBE - pressure, Serial Range: pump-valve

1шт.

38

A36809

TUBE

- return, Serial Range: valve-pump

1шт.

39

G46835

GROMMET

CUSHION - pump tubes

3шт.

40

G46194

CLAMP

- tube cushion

3шт.

41

174-203

SCREW,Phil Rnd Hd, #10 - 32 x 3/4"

- clamp (#10 x 3/4" N. F. rd. hd.)

3шт.

42

193-1000

NUT,Keps, w/LW,#10-32

- (#10 N. F. hex.)

3шт.

46

A37080

ELBOW

- pump, 90 deg., Includes: Ref. 47

2шт.

47

218-5006

O-RING,0.087" Thk x 0.644" ID, -908, Cl 6, 90 Duro

"O" RING - elbow (41/64" I.D. x 5/64")

1шт.

48

218-5059

HYD CONNECTOR,3/4"-16, 37 Degree x 3/4"-16, O-Ring

CONNECTOR Assy - valve, return line, Incl. Ref 49

1шт.

51

218-5005

O-RING,0.078" Thk x 0.468" ID, -906, Cl 6, 90 Duro

6-1, 90 Duro, .468" ID x .078" Thk

1шт.

52

A36812

TUBE ASSY.

HOSE - valve to right hand cyl. (37" long)

1шт.

49

218-5006

O-RING,0.087" Thk x 0.644" ID, -908, Cl 6, 90 Duro

"O" RING - connector (41/64" I.D. x 5/64")

1шт.

50

A36663

CONNECTOR, ELEC

CONNECTOR ASSY. - pressure line to valve, Includes: Ref. 51

1шт.

53

A36813

TUBE ASSY.

HOSE - valve to left hand cyl. (35" long)

1шт.

55

218-5005

O-RING,0.078" Thk x 0.468" ID, -906, Cl 6, 90 Duro

6-1, 90 Duro, .468" ID x .078" Thk, connector

1шт.

54

218-5057

HYD CONNECTOR,9/16" - 18 JIC x 9/16" - 18 ORB

CONNECTOR ASSY, hose (at valve), Incl. Ref. 55

2шт.

57

218-5005

O-RING,0.078" Thk x 0.468" ID, -906, Cl 6, 90 Duro

6-1, 90 Duro, .468" ID x .078" Thk, elbow

1шт.

58

A36761

CYLINDER ASSY. - steering (See Figure 174)

2шт.

56

218-5105

ELBOW,90 Degree Elbow, 9/16" - 18 Male JIC x 9/16" - 18 Male ORB

ASSY. - hose (at cylinder) (90 deg.), Includes: Ref. 57

2шт.

59

A37042

BRACKET - clamp, valve to cyl. hose

1шт.

60

A35209

CLAMP

- strap, valve to cyl. hose

1шт.

Выбрано товаров: 55