Запчасти Case IH 430 (124) - TORQUE CONVERTER AND HOUSING, CASE-O-MATIC (06) - POWER TRAIN

Схема запчастей Case IH 430 - (124) - TORQUE CONVERTER AND HOUSING, CASE-O-MATIC (06) - POWER TRAIN
33
30
8
18
17
12
19
5
9
21
21
2
1
11
24
26
15
21
27
14
31
7
3
6
28
22
4
20
25
32
29
16
23
10
13
17
FIT
1:1
100%

Артикул

Название

Примечание

Количество

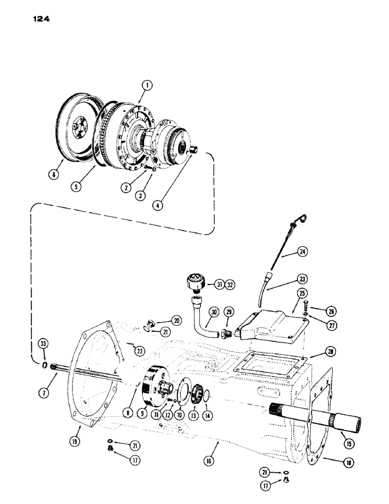
1

G30373

CONVERTER

- torque (for repairs see Figure 126)

1шт.

2

13-624

BOLT,Hex, 3/8" - 16 x 1-1/2", Gr 5

- 3/8" x 1-1/2" N.C. hex. hd.

5шт.

3

92-6

LOCK WASHER,3/8"

5шт.

4

G49634

BUSHING

- converter to drive shaft

1шт.

5

G46817

GASKET,293.62mm ID x 314.58mm OD x 4.95mm Thk

-, Serial Range: converter-flywheel

1шт.

6

G11860

FLYWHEEL

- engine

1шт.

7

A37086

SHAFT

- clutch main drive

1шт.

8

G46046

WASHER - thrust, mainshaft

1шт.

9

G16792

DRUM HUB

DRUM - driven, traction clutch

1шт.

10

G16780

CAP - bearing retainer

1шт.

11

13-512

BOLT,Hex, 5/16" - 18 x 3/4", Gr 5

3шт.

12

92-5

LOCK WASHER,5/16"

3шт.

13

40027

BALL BEARING,49.99mm ID x 80mm OD x 16mm W

- drum, traction clutch

1шт.

14

G46177

SNAP RING,#196, 1.849", Ext

- cup bearing

1шт.

15

G14118

COUPLING - converter to trans. (w/4 speed only)

1шт.

16

G30391

TORQUE TUBE - (Includes: Ref. 20, 21, 22 & 23)

1шт.

17

A14280

PLUG

- drain

2шт.

18

G46840

GASKET

GASKET - housing to transmission case

1шт.

19

G46876

GASKET

-, Serial Range: housing-engine

1шт.

20

A14280

PLUG

- timing hole

1шт.

21

A27927

OIL PAN GASKET SET

- plug, timing hole & drain

3шт.

22

138-63

LOCK PIN,1/8" x 1 1/4", Slotted

PIN, , Timing pointer 1/8" x 1 1/4", Slotted

1шт.

23

G30284

SUPPORT - dipstick

1шт.

24

G45253

DIPSTICK

- oil level

1шт.

25

G1360

COVER - rear (w/4 speed transmission)

1шт.

26

13-624

BOLT,Hex, 3/8" - 16 x 1-1/2", Gr 5

- 3/8" x 1-1/2" N.C. hex. hd.

4шт.

27

92-6

LOCK WASHER,3/8"

4шт.

28

G46842

GASKET

- cover

1шт.

29

222-508

TUBE NUT,1"-18

NUT - breather tube to cover (81LB-3/4")

1шт.

30

G30309

BREATHER,0.7535" OD x 1.5" L

TUBE - breather

1шт.

31

A9238

BREATHER

- oil (Includes: Ref. 32)

1шт.

32

A10059

FILTER, ELEMENT

ELEMENT - filter, oil breather (not shown)

1шт.

33

A37087

RING

- seal, clutch drive shaft

1шт.

Выбрано товаров: 33