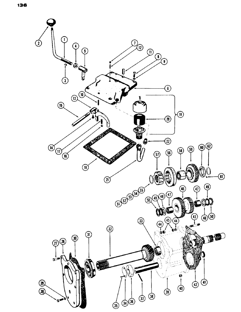
Запчасти Case IH 430 (136) - DUAL RANGE CONTROLS AND UNIT (06) - POWER TRAIN

Схема запчастей Case IH 430 - (136) - DUAL RANGE CONTROLS AND UNIT (06) - POWER TRAIN
12
19
60
37
55
44
32
59
58
61
34
29
53
7
42
26
31
40
43
48
57
17
3
47
28
20
2
27
22
38
16
36
4
48
11
52
35
9
46
50
41
5
33
49
54
50
62
30
14
51
44
39
15
1
45
47
49
13
6
56
21
18
8
10
FIT
1:1
100%

Артикул

Название

Примечание

Количество

1

G15656

LEVER

- control

1шт.

2

A26727

BALL

KNOB - han lever

1шт.

3

126-12

WOODRUFF KEY,#6, 5/32" x 5/8"

1шт.

4

A26778

SEAL

OIL SEAL - control lever

1шт.

5

G15657

LEVER

- shift fork

1шт.

6

G30390

COVER

- control, order A87985 & A37986, Includes: Ref. 7

1шт.

7

221-1850

PLUG,Hex Soc, 1/16"-27

- 1/16" socket hd.

1шт.

8

13-620

BOLT,Hex, 3/8" - 16 x 1-1/4", Gr 5, Full Thd

4шт.

9

92-6

LOCK WASHER,3/8"

4шт.

10

A29426

AXLE PIN

PIN - dowel, front

1шт.

11

G10711

PIN

- dowel, rear

1шт.

12

138-61

LOCK PIN,1/8" x 1", Slotted

PIN, , Shift lever 1/8" x 1", Slotted

1шт.

13

G16632

FORK

- shift

1шт.

14

A29964

LOCK SCREW,Sq Hd, 3/8" - 24 x 27/32", Drilled

- lock, shift fork

1шт.

15

G16634

RAIL

- shift fork

1шт.

16

211-11

BALL,3/8" Dia

- detent, shift rail

1шт.

17

G47039

SPRING

- detent, shift rail

1шт.

18

G46842

GASKET

- cover to torque tube

1шт.

19

A9238

BREATHER

- oil, Includes: Ref. 20

1шт.

20

A10059

FILTER, ELEMENT

ELEMENT - oil filter

1шт.

21

G30309

BREATHER,0.7535" OD x 1.5" L

TUBE - breather

1шт.

22

222-508

TUBE NUT,1"-18

NUT - breather tube (3/4" tube)

1шт.

26

G1253

PLATE - cover, gear housing

1шт.

27

13-628

BOLT,Hex, 3/8" - 16 x 1-3/4", Gr 5

3шт.

28

13-618

BOLT,Hex, 3/8" - 16 x 1-1/8", Gr 5

4шт.

29

92-6

LOCK WASHER,3/8"

7шт.

30

G46825

GASKET

-, Serial Range: cover-housing

1шт.

31

G13606

BALL BEARING

BEARING - input gear

1шт.

32

G16800

GEAR

- input (25T)

1шт.

33

G10419

NEEDLE BEARING

BEARING - needle, input gear

1шт.

34

G16608

SHIM,.005" Thk

Countershaft .005" Thk

1шт.

35

138-88

LOCK PIN,3/16" x 1/2", Slotted

PIN, 3/16" x 1/2", Slotted

2шт.

36

G16607

COLLAR

- countershaft

1шт.

37

138-104

LOCK PIN,3/16" x 2", Slotted

PIN, , Collar to shaft 3/16" x 2", Slotted

1шт.

38

G16606

SHAFT

COUNTERSHAFT

1шт.

39

G1254

HOUSING

1шт.

40

221-849

PLUG,Hex Soc, 1/8"-27

- pipe, 1/8" hex. socket hd.

1шт.

41

A30084

PLUG

- housing rear (1-1/2")

1шт.

42

G46841

GASKET

-, Serial Range: housing-transmission

1шт.

43

G10710

STUD

-, Serial Range: housing-transmission

7шт.

44

92-6

LOCK WASHER,3/8"

7шт.

45

25-116

NUT,Hex, 3/8"-24, G5

- 3/8" N.F. hex.

7шт.

46

G16611

GEAR

- cluster, countershaft (34T & 27T)

1шт.

47

F51079

NEEDLE BEARING

BEARING - needle, cluster gear

2шт.

48

G46082

WASHER

- thrust, inner

2шт.

49

G13609

THRUST BEARING,25.4mm ID x 39.67mm OD x 1.98mm W

BEARING, THRUST, Countershaft

2шт.

50

G46081

BEARING WASHER

WASHER - thrust, outer

2шт.

51

A27565

RING

SNAP RING - shift collar (.076")

1шт.

52

A27566

RING

SNAP RING - shift collar (.080")

1шт.

53

A27567

RING

SNAP RING - shift collar (.083")

1шт.

54

G46097

RING

SNAP RING - shift collar (.087")

1шт.

55

A27568

RING

SNAP RING - shift collar (.091")

1шт.

56

A38153

COLLAR

- shift (Replaces G16622)

1шт.

57

G16621

CARRIER

- shift collar

1шт.

58

G16619

SLEEVE

- output gear

1шт.

59

G16620

GEAR

- output (32T)

1шт.

60

G13458

COLLAR

- thrust, output gear, Includes: Ref. 61

1шт.

61

138-18

LOCK PIN,5/64" x 3/8", Slotted

PIN, 5/64" x 3/8", Slotted

1шт.

62

A26946

RING

SNAP RING -, Serial Range: collar-mainshaft

1шт.

Выбрано товаров: 59