Запчасти Case IH 430 (142) - DUAL RANGE UNIT WITH SHUTTLE (06) - POWER TRAIN

Схема запчастей Case IH 430 - (142) - DUAL RANGE UNIT WITH SHUTTLE (06) - POWER TRAIN
17
25
14
17
16
11
4
7
22
3
23
6
15
28
20
19
19
18
21
2
13
9
1
20
18
26
5
27
10
12
8
24
FIT
1:1
100%

Артикул

Название

Примечание

Количество

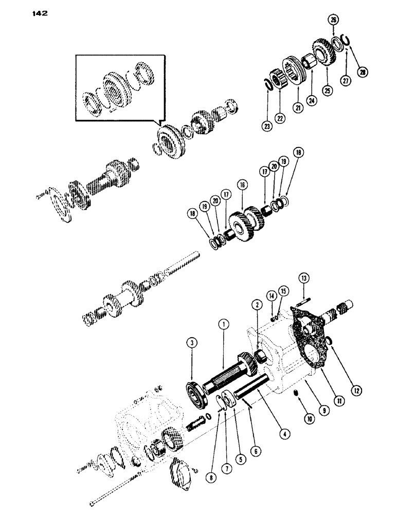
1

G16623

GEAR

- input (25T)

1шт.

2

G10419

NEEDLE BEARING

BEARING - needle, input gear

1шт.

3

G13606

BALL BEARING

BEARING - ball, input gear

1шт.

4

G16606

SHAFT

COUNTERSHAFT - low range

1шт.

5

G16607

COLLAR

- countershaft

1шт.

6

138-104

LOCK PIN,3/16" x 2", Slotted

PIN, , Collar to countershaft 3/16" x 2", Slotted

1шт.

7

G16608

SHIM,.005" Thk

Countershaft .005" Thk

1шт.

8

138-88

LOCK PIN,3/16" x 1/2", Slotted

ROLL PIN- shim to collar, 5/64" x 3/8"

2шт.

9

G1254

HOUSING - low range gear

1шт.

10

221-849

PLUG,Hex Soc, 1/8"-27

- pipe, 1/8" hex. socket hd.

1шт.

11

G46841

GASKET

- housing to trans. case

1шт.

12

A30084

PLUG

- rear, housing (1-1/2" Welch)

1шт.

13

G10710

STUD

- hsg. to trans. case (3/8" x 1-3/4")

7шт.

14

25-116

NUT,Hex, 3/8"-24, G5

- 3/8" N.F. hex.

7шт.

15

92-6

LOCK WASHER,3/8"

7шт.

16

G16611

GEAR

- cluster, countershaft (34T and 27T)

1шт.

17

F51079

NEEDLE BEARING

BEARING - needle

2шт.

18

G46081

BEARING WASHER

WASHER - thrust, outer, cluster gear (.031")

2шт.

19

G13609

THRUST BEARING,25.4mm ID x 39.67mm OD x 1.98mm W

BEARING, THRUST

2шт.

20

G46082

WASHER

- thrust, inner, cluster gear (.125")

2шт.

21

A38153

COLLAR

- shift (Replaces G16622)

1шт.

22

G16621

CARRIER

- shift collar (12T)

1шт.

23

A27565

RING

SNAP RING - shift cover (.076")

1шт.

23

A27566

RING

SNAP RING - shift collar (.080")

1шт.

23

A27567

RING

SNAP RING - shift collar (.083")

1шт.

23

G46097

RING

SNAP RING - shift collar (.087")

1шт.

23

A27568

RING

SNAP RING - shift collar (.091")

1шт.

24

G16619

SLEEVE

- output gear

1шт.

25

G16620

GEAR

- output (32T)

1шт.

26

G13458

COLLAR

- thrust, output gear (Includes ref. 27)

1шт.

27

138-18

LOCK PIN,5/64" x 3/8", Slotted

PIN, , Thrust collar 5/64" x 3/8", Slotted

1шт.

28

A26946

RING

SNAP RING - thrust collar

1шт.

Выбрано товаров: 32