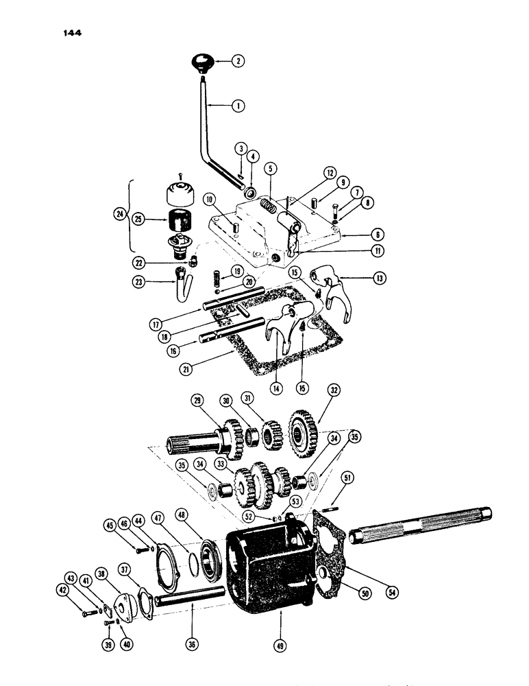
Запчасти Case IH 430 (144) - TRIPLE RANGE CONTROL COVER (06) - POWER TRAIN

Схема запчастей Case IH 430 - (144) - TRIPLE RANGE CONTROL COVER (06) - POWER TRAIN
46
53
13
29
32
43
22
42
45
17
15
6
9
35
54
18
1
52
31
37
30
48
34
24
40
10
8
44
12
33
49
15
16
14
47
5
23
34
51
21
3
11
36
4
38
2
20
35
19
39
41
7
25
50
FIT
1:1
100%

Артикул

Название

Примечание

Количество

1

A36873

LEVER - hand (includes Ref. 12)

1шт.

2

A26727

BALL

KNOB - hand lever

1шт.

3

126-12

WOODRUFF KEY,#6, 5/32" x 5/8"

1шт.

4

A26778

SEAL

OIL SEAL - hand lever

1шт.

5

G10715

VALVE SPRING

SPRING - hand lever

1шт.

6

G1361

SPARE PART

COVER - control

1шт.

7

13-624

BOLT,Hex, 3/8" - 16 x 1-1/2", Gr 5

- 3/8 x 1-1/2" N.C. hex. hd.

1шт.

8

92-6

LOCK WASHER,3/8"

1шт.

9

G10711

PIN

- dowel, rear (1/2" x 3/4")

1шт.

10

A29426

AXLE PIN

PIN - dowel, front (3/8 x 3/4")

1шт.

11

A36859

LEVER - shift fork, low range

1шт.

12

138-2024

PIN,5/32" x 1", Coiled

1шт.

13

G10399

FORK - shift, low range

1шт.

14

G10398

FORK TEDDER

FORK - shift, direct and high range

1шт.

15

A29964

LOCK SCREW,Sq Hd, 3/8" - 24 x 27/32", Drilled

- lock, shift fork

2шт.

16

G10392

RAIL - shift, direct and high range

1шт.

17

G10394

RAIL - shift, low range

1шт.

18

G10391

PLUG - interlock, shift rail

1шт.

19

G47039

SPRING

- detent, shift rail

2шт.

20

211-11

BALL,3/8" Dia

- detent, shift rail

2шт.

21

G46842

GASKET

- control cover

1шт.

22

222-508

TUBE NUT,1"-18

NUT - breather tube to cover

1шт.

23

G30309

BREATHER,0.7535" OD x 1.5" L

TUBE - breather

1шт.

24

A9238

BREATHER

- oil, torque tube (incl. ref. 25)

1шт.

25

A10059

FILTER, ELEMENT

ELEMENT - filter, oil breather

1шт.

29

G10442

PINION

GEAR - input (24T), triple range unit

1шт.

30

G10419

NEEDLE BEARING

BEARING - needle, input gear, triple range unit

1шт.

31

G10374

PINION

GEAR - direct and high (18T), triple range unit

1шт.

32

G10375

PINION

GEAR - low (30T), triple range unit

1шт.

33

G10378

GEAR - cluster, countershaft (24T, 30T & 18T), triple range unit

1шт.

34

G10420

NEEDLE BEARING

BEARING - needle, triple range unit

2шт.

35

G46071

WASHER

- thrust, countershaft, triple range unit

2шт.

36

G10372

SHAFT

COUNTERSHAFT, triple range unit

1шт.

37

G10386

SHIM,.005" Thk

Countershaft, Triple range unit .005" Thk

1шт.

37

G10387

SHIM,.0075" Thk

Countershaft, Triple range unit .0075" Thk

1шт.

38

G14109

BUSHING

- countershaft (Includes Ref. 35), triple range unit

1шт.

39

13-516

BOLT,Hex, 5/16" - 18 x 1", Gr 5

Triple range unit Hex, 5/16"-18 x 1", G5, Full Thd

2шт.

40

92-5

LOCK WASHER,5/16"

triple range unit 5/16"

2шт.

41

G10368

LOCK

- countershaft, triple range unit

1шт.

42

13-620

BOLT,Hex, 3/8" - 16 x 1-1/4", Gr 5, Full Thd

- 5/16" x 1-1/4" N.C. hex. hd., triple range unit

1шт.

43

92-5

LOCK WASHER,5/16"

triple range unit 5/16"

1шт.

44

G10381

RETAINER - bearing input gear, triple range unit

1шт.

45

G49000

BOLT,Hex, 5/16" - 18 x 3/4", Gr 5, Drilled

- drilled, 5/16" x 3/4" N.C. hex. hd., triple range unit

3шт.

46

92-5

LOCK WASHER,5/16"

triple range unit 5/16"

3шт.

47

A30087

SNAP RING - bearing, to input gear, triple range unit

1шт.

48

A33537

BALL BEARING,54.99mm ID x 90mm OD x 18mm W

BEARING - input gear, triple range unit

1шт.

49

G14108

HOUSING

- Tripl-Range (incl. ref. 35), unit

1шт.

50

A30084

PLUG

- expansion, housing, triple range unit

1шт.

51

G10710

STUD

- housing to trans. case (3/8" x 1-5/8"), triple range unit

7шт.

52

25-116

NUT,Hex, 3/8"-24, G5

- 3/8" N.F. hex., triple range unit

7шт.

53

92-6

LOCK WASHER,3/8"

triple range unit 3/8"

7шт.

54

G46841

GASKET

- housing to trans. case, triple range unit

1шт.

Выбрано товаров: 52