Запчасти Case IH 430 (156) - DIFFERENTIAL LOCK (06) - POWER TRAIN

Схема запчастей Case IH 430 - (156) - DIFFERENTIAL LOCK (06) - POWER TRAIN
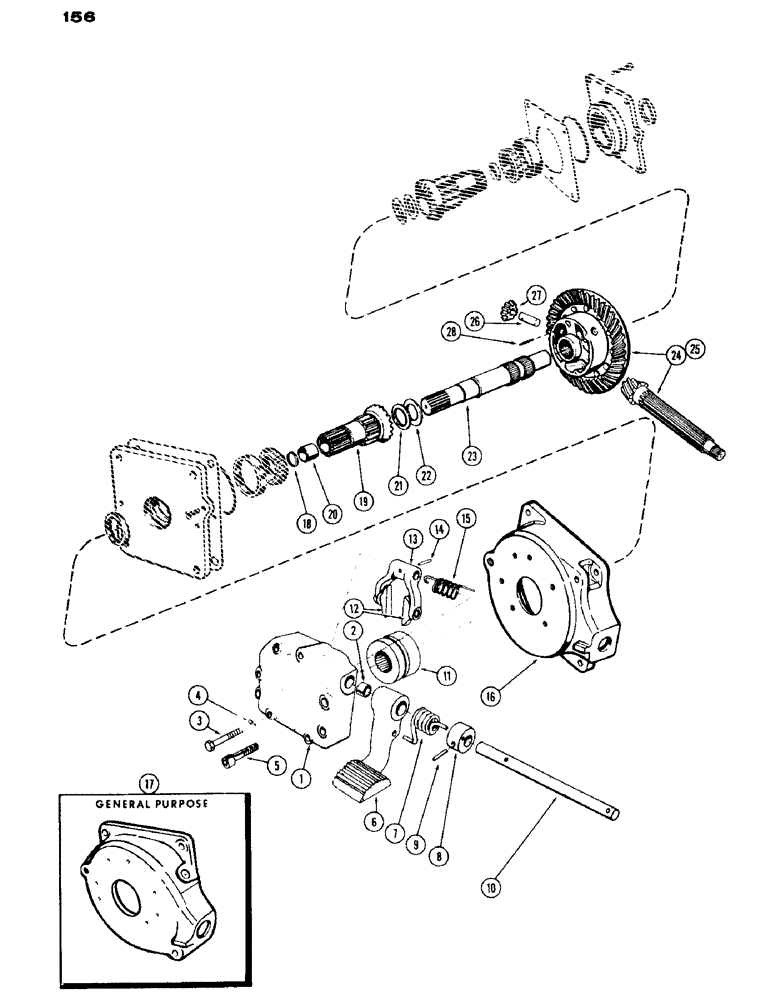
8
18
9
28
19
15
4
16
2
17
24
7
20
1
25
3
14
23
22
21
13
6
10
26
12
5
27
11
FIT
1:1
100%

Артикул

Название

Примечание

Количество

1

A35923

HOUSING

COVER - lock assembly, Includes: Ref. 2

1шт.

2

A35925

BUSHING

- pedal & lever

1шт.

3

13-540

BOLT,Hex, 5/16" - 18 x 2-1/2", Gr 5

5шт.

4

92-5

LOCK WASHER,5/16"

5шт.

5

61-536

HEX SOC SCREW,5/16"-18 x 2 1/4"

SCREW - 5/16" x 2-1/4" N. C. hex. socket hd.

1шт.

6

A36445

PEDAL - foot, Serial Range: -8286659

1шт.

6

A37043

PEDAL - foot, Start Serial: 8286659

1шт.

7

A36446

SPRING

- foot pedal

1шт.

8

A36447

RETAINER

COLLAR - pedal spring

1шт.

9

138-99

LOCK PIN,3/16" x 1 3/8", Slotted

PIN, 3/16" x 1 3/8", Slotted

1шт.

10

A36444

SHAFT - pedal & lever

1шт.

11

A35929

CLAMP

COLLAR - locking

1шт.

12

A35928

FINGER

- locking collar

2шт.

13

A35927

LEVER

- locking collar

1шт.

14

138-96

LOCK PIN,3/16" x 1", Slotted

PIN, 3/16" x 1", Slotted

1шт.

15

A35933

SPRING

- inner

1шт.

16

A36599

X

COVER - R. H. brake (Standard), Serial Range: -8286659

1шт.

16

A37052

COVER

- R. H. brake (Standard), Start Serial: 8286659

1шт.

17

A35926

COVER - R. H. brake (Gen. Purpose)

1шт.

18

A35919

OIL SEAL

OIL SEAL - R.H. side gear

2шт.

19

A35920

GEAR WHEEL

GEAR - R. H. side, Includes: Ref. 20

1шт.

20

A35921

BUSHING,34.89mm ID x 39.83mm OD x 20.65mm L

- R. H. side gear

1шт.

21

A30539

WASHER

- thrust, side gear (.090")

1шт.

21

A39007

WASHER

- thrust, side gear (.094")

1шт.

21

A30533

WASHER

- thrust, side gear (.099")

1шт.

21

A30045

WASHER

- thrust, side gear (.104")

1шт.

21

A30543

WASHER

- thrust, side gear (.109")

1шт.

21

A30051

WASHER

- thrust, side gear (.119")

1шт.

22

A29388

WASHER

SHIM - thrust, side gear (.010")

1шт.

23

A35918

SHAFT

- cross, differential

1шт.

24

A37196

RING GEAR ASSY. & COUNTERSHAFT (matched For Std. or G. P.)

1шт.

25

A37059

RING GEAR ASSY. & COUNTERSHAFT (matched set) For L.C.K. models

1шт.

26

A37097

PIN

SHAFT - pinion gear

3шт.

27

G15483

GEAR

- pinion

3шт.

28

138-103

LOCK PIN,3/16" x 1 7/8", Slotted

PIN, LOCK, 3/16" x 1 7/8", Slotted

3шт.

Выбрано товаров: 35