Запчасти Case IH 430 (222) - STANDARD P.T.O. (06) - POWER TRAIN

Схема запчастей Case IH 430 - (222) - STANDARD P.T.O. (06) - POWER TRAIN
47
23
16
20
14
49
18
22
42
16
10
34
39
27
37
36
28
9
21
13
6
17
12
41
33
26
25
44
5
19
29
7
17
32
18
11
30
31
35
4
15
40
45
8
48
43
50
1
38
2
46
24
3
FIT
1:1
100%

Артикул

Название

Примечание

Количество

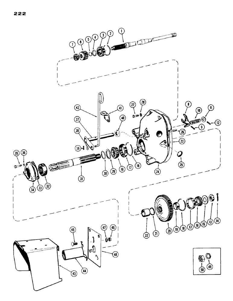
1

G13009

SHAFT

- PTO drive

1шт.

2

A30091

RING, SNAP

SNAP RING - drv. shaft frt. bearing

1шт.

3

G10624

BALL BEARING

BEARING - frt. drive shaft

1шт.

4

B18275

WASHER

- ft. retainer, drive shaft

1шт.

5

F62095

RING, SNAP

SNAP RING - frt. bearing, drive shaft

1шт.

6

G10675

GEAR

- PTO drive (14T)

1шт.

7

G10623

BALL BEARING

BEARING - rear, drive shaft

1шт.

8

A36397

FORK TEDDER

FORK - shift, drive gear

1шт.

9

138-137

LOCK PIN,1/4" x 1 3/8", Slotted

PIN, , Shift fork 1/4" x 1 3/8", Slotted

1шт.

10

A30146

SPRING

- shift fork throwout

1шт.

11

B18080

WASHER

- retainer, shift shaft spring

1шт.

12

138-98

LOCK PIN,3/16" x 1 1/4", Slotted

PIN, , Shift shaft 3/16" x 1 1/4", Slotted

1шт.

13

B18305

NUT

- slotted, 1" N.F. (See ref. 49 & 50)

1шт.

14

132-58

COTTER PIN

PIN - cotter, 1/8" x 1-1/4"

1шт.

15

195-53

WASHER,1" x 2" x .134"

- 1" plain

1шт.

16

G57452

ROLLER BEARING

CONE - bearing, driven shaft

2шт.

17

G57451

BEARING, CUP

CUP - bearing, driven shaft

2шт.

18

A27414

RING

SNAP RING - driven shaft bearing

2шт.

19

A29360

SPACER

- frt., driven shaft gear

1шт.

20

G10676

GEAR

- driven (46T)

1шт.

21

A29969

WASHER

- spring

1шт.

22

G10456

SPACER

- rear, driven shaft gear

1шт.

23

G10447

GASKET

- PTO housing to trans. case

1шт.

24

A36887

HOUSING

- PTO

1шт.

25

41-16

PLUG,Exp, 1"

- housing (Welch)

1шт.

26

G10711

PIN

- dowel, PTO hsg. to trans. case

2шт.

27

13-616

BOLT,Hex, 3/8" - 16 x 1", Gr 5, Full Thd

6шт.

28

92-6

LOCK WASHER,3/8"

6шт.

29

T25644

WASHER

- rear brg. ret., driven shaft

1шт.

30

A21619

CIRCLIP

SNAP RING - rear, driven shaft

1шт.

31

A36579

SHAFT

- driven

1шт.

32

G13803

OIL SEAL

- rear, driven shaft

1шт.

33

A30037

GASKET

- retainer, rear oil seal

1шт.

34

A28805

RETAINER

- rear oil seal

1шт.

35

13-620

BOLT,Hex, 3/8" - 16 x 1-1/4", Gr 5, Full Thd

3шт.

36

92-6

LOCK WASHER,3/8"

3шт.

37

G30605

SHAFT ASSY.

LEVER AND SHAFT - shift out

1шт.

38

132-46

COTTER PIN,1/8" x 3/4"

Pin, Split (Cotter), 1/8" x 3/4"

1шт.

39

95-6

WASHER,3/8"

- plain 3/8"

1шт.

40

A26778

SEAL

OIL SEAL - shift shaft

1шт.

41

G10721

SUPPORT

- control rod

1шт.

42

G10870

ROD - control, PTO shift

1шт.

43

A27335

GUARD

- universal joint

1шт.

44

A29493

SHIELD

GUARD - PTO shaft

1шт.

45

11-612

BOLT

- 3/8" x 3/4" rd. hd.

2шт.

46

25-106

NUT,3/8"-16, G5

- 3/8" N. C.

2шт.

47

92-6

LOCK WASHER,3/8"

2шт.

48

A29087

PLATE

- guard mounting

1шт.

49

131-403

LOCK NUT,PAL, 1"-14

NUT - lock, 1" Pal (use on driven shaft without cotter hole)

1шт.

50

25-1516

NUT,Jam, 1"-14, G5

- jam, 1" N. F. (Use on driven shaft without cotter hold)

1шт.

Выбрано товаров: 50