Запчасти Case IH 430 (162) - DIFFERENTIAL LOCK (06) - POWER TRAIN

Схема запчастей Case IH 430 - (162) - DIFFERENTIAL LOCK (06) - POWER TRAIN
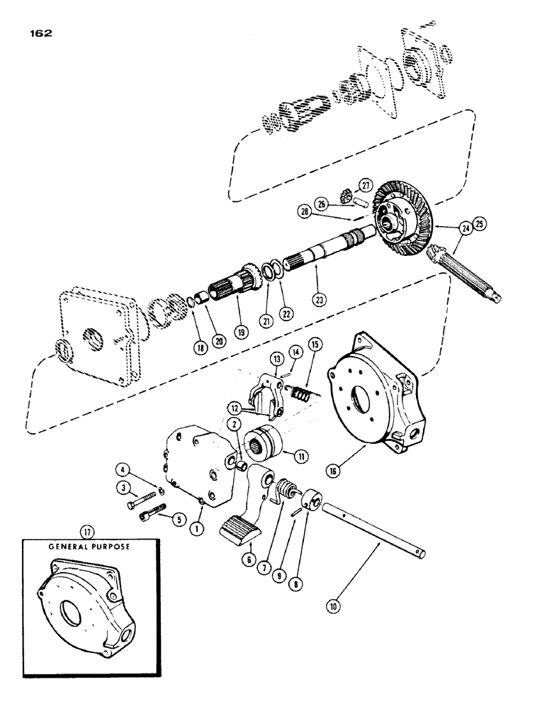
15
26
10
7
5
6
19
4
12
11
3
2
14
13
24
8
1
23
20
27
28
22
25
17
16
21
18
9
FIT
1:1
100%

Артикул

Название

Примечание

Количество

1

A35923

HOUSING

COVER ASSY. - differential lock, Includes: Ref. 2

1шт.

2

A35925

BUSHING

- pedal and lever

1шт.

3

13-540

BOLT,Hex, 5/16" - 18 x 2-1/2", Gr 5

5шт.

4

92-5

LOCK WASHER,5/16"

5шт.

5

61-536

HEX SOC SCREW,5/16"-18 x 2 1/4"

SCREW - 5/16 x 2-1/4" N. C. hex. socket hd.

1шт.

6

A37043

PEDAL - foot, differential lock

1шт.

7

A36446

SPRING

- foot pedal

1шт.

8

A36447

RETAINER

COLLAR - pedal spring

1шт.

9

138-99

LOCK PIN,3/16" x 1 3/8", Slotted

PIN, 3/16" x 1 3/8", Slotted

1шт.

10

A36444

SHAFT - pedal & lever

1шт.

11

A35929

CLAMP

COLLAR - locking

1шт.

12

A35928

FINGER

- locking collar

1шт.

13

A35927

LEVER

- locking collar

1шт.

14

138-96

LOCK PIN,3/16" x 1", Slotted

PIN, 3/16" x 1", Slotted

1шт.

15

A35933

SPRING

- inner

1шт.

16

A37052

COVER

- R. H. brake (Std.)

1шт.

17

A35926

COVER - R. H. brake (G. P.)

1шт.

18

A35919

OIL SEAL

S - oil, R.H. side gear (1-3/8 x 1-5/8 x 1/8")

1шт.

19

A37928

GEAR WHEEL

GEAR ASSY. - R.H. side (3-1/8" spur gear dia.) (incl. Ref. 20), Start Serial: 8309386

1шт.

19

A35920

GEAR WHEEL

GEAR ASSY. - R.H. side (3" spur gear dia.) (incl. Ref. 20), Serial Range: -8309386

1шт.

20

A35921

BUSHING,34.89mm ID x 39.83mm OD x 20.65mm L

- R. H. side gear

1шт.

21

A30539

WASHER

- thrust, side gear (.089")

1шт.

21

A39007

WASHER

- thrust, side gear (.094")

1шт.

21

A30533

WASHER

- thrust, side gear (.099")

1шт.

21

A30045

WASHER

- thrust, side gear (.104")

1шт.

21

A30543

WASHER

- thrust, side gear (.109")

1шт.

21

A30051

WASHER

- thrust, side gear (.119")

1шт.

22

A29388

WASHER

SHIM - side gear (.010")

1шт.

23

A35918

SHAFT

- cross, differential

1шт.

24

A38401

GEAR-SET

GEAR SET - ring & countershaft (Matched set) Gen. Purpose & Std. 4 Wheel (Replaces A37196)

1шт.

25

A37059

GEAR SET - ring & countershaft (Matched set) L.C.K.

1шт.

26

A37097

PIN

SHAFT - pinion gear

3шт.

27

G15483

GEAR

- pinion

3шт.

28

138-2036

PIN,3/16" x 2", Coiled

3шт.

Выбрано товаров: 34