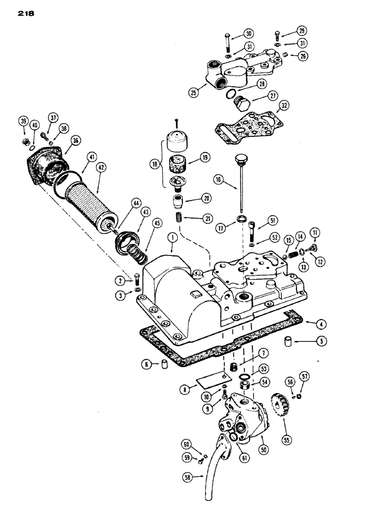
Запчасти Case IH 430 (218) - HYD. HOUSING & COVER, PUMP & FILTER, STANDARD CLUTCH DRIVE (08) - HYDRAULICS

Схема запчастей Case IH 430 - (218) - HYD. HOUSING & COVER, PUMP & FILTER, STANDARD CLUTCH DRIVE (08) - HYDRAULICS
15
61
43
25
4
59
21
11
7
31
16
51
28
44
29
5
40
36
17
56
32
19
38
50
55
42
31
60
12
41
8
52
26
57
45
6
1
39
37
58
27
3
10
14
9
30
13
2
54
53
20
18
FIT
1:1
100%

Артикул

Название

Примечание

Количество

1

A37790

HOUSING

- adapter, hydraulic

1шт.

2

13-616

BOLT,Hex, 3/8" - 16 x 1", Gr 5, Full Thd

9шт.

2

13-628

BOLT,Hex, 3/8" - 16 x 1-3/4", Gr 5

2шт.

3

92-6

LOCK WASHER,3/8"

11шт.

4

G10876

GASKET

- adapter housing

1шт.

5

H10711

PIN - front dowel, housing (1/2 x 3/4")

1шт.

6

A29426

AXLE PIN

PIN - rear dowel, housing (3/8 x 3/4")

1шт.

7

221-32

PLUG,Sq Soc, 3/8"-18 NPTF

- pipe, 3/8" socket hd.

1шт.

8

G10922

BAFFLE - oil

1шт.

9

13-48

BOLT,Hex, 1/4" - 20 x 1/2", Gr 5

1шт.

10

92-4

LOCK WASHER,1/4"

WASHER, LOCK, 1/4"

1шт.

11

A14280

PLUG

- drop check valve

1шт.

12

138-106

LOCK PIN,3/16" x 2 1/2", Slotted

PIN, 3/16" x 2 1/2", Slotted

1шт.

13

A58608

GASKET

- plug, drop check valve (Replaces A27927)

1шт.

14

A35427

SPRING

- drop check valve

1шт.

15

211-14

BALL,9/16" Dia

- drop check valve (.) 9/16" Dia

1шт.

16

A38309

DIPSTICK - oil, torque tube (replaces A37832)

1шт.

17

A38660

GASKET

- dipstick (replaces G10351)

1шт.

18

A9238

BREATHER

ASSY. - oil, Includes: Ref. 19

1шт.

19

A10059

FILTER, ELEMENT

ELEMENT - filter, breather

1шт.

20

221-731

COUPLING - reducer, Serial Range: 3/4"-1/4"

1шт.

21

221-130

PIPE,Nipple, 1/4" NPT x 7/8"

NIPPLE - pipe, 1/4" P.T. x 7/8"

1шт.

25

A35425

COVER ASSY

COVER - housing (w/D-O-M)

1шт.

26

221-1849

PLUG

- pipe, 1/8" socket hd.

1шт.

27

86512512

PLUG,7/8" - 14 ORB

Incl. Ref. 28 Hex Hd, 7/8"-14 ORB

1шт.

28

237-6010

O-RING,0.097" Thk x 0.755" ID, -910, Cl 6, 90 Duro

"O" RING - (3/4 x 15/16 x 3/32")

1шт.

29

13-520

BOLT,Hex, 5/16" - 18 x 1-1/4", Gr 5

- 5/16 x 1-1/4" N.C. hex. hd.

7шт.

30

13-528

BOLT,Hex, 5/16" - 18 x 1-3/4", Gr 5

- 5/16 x 1-3/4" N.C. hex. hd.

1шт.

31

92-5

LOCK WASHER,5/16"

8шт.

32

A35617

GASKET

- cover

1шт.

36

A35108

CAP

- cover, oil filter

1шт.

37

13-514

BOLT,Hex, 5/16" - 18 x 7/8", Gr 5

4шт.

38

92-5

LOCK WASHER,5/16"

4шт.

39

218-5158

PLUG,Hex Hd, 1 1/16"-12 ORB

Assy, Cap (w/no hitch), Includes: Ref. 40 Hex Hd, 1 1/16"-12 ORB

1шт.

40

218-5008

O-RING,0.116" Thk x 0.924" ID, -912, Cl 6, 90 Duro

"O" RING - (15/16 x 1-5/32 x 1/8")

1шт.

41

A30095

O-RING,0.139" Thk x 2.984" ID, -234, Cl 5, 75 Duro

"O" RING - cap to housing (3 x 3-1/4 x 1/8")

1шт.

42

A36524

FILTER, ELEMENT

ELEMENT - filter, hydraulic oil

1шт.

43

A36523

CAP

- retainer, filter element

1шт.

44

13-428

BOLT,Hex, 1/4" - 20 x 1-3/4", Gr 5

1шт.

45

A29993

VALVE SPRING

SPRING - retainer, filter element

1шт.

50

A35081

PUMP

ASSY. - hydraulic (Repairs Figure 222)

1шт.

51

165-116

SCREW - 7/16 x 2" N.C. socket hd.

2шт.

52

92-7

LOCK WASHER,7/16"

2шт.

53

A7623

O-RING,0.139" Thk x 0.984" ID, -214, Cl 5, 75 Duro

"O" RING - pump to adapter (1 x 1-1/4 x 1/8")

1шт.

54

G10929

BUSHING

- dowel, Serial Range: pump-housing

1шт.

55

A35082

GEAR

- pump drive

1шт.

56

126-11

WOODRUFF KEY,#5, 1/8" x 5/8"

Gear to pump #5, 1/8" x 5/8"

1шт.

57

G46176

SNAP RING,#56, Ext

RING - snap, , gear to pump #56, Ext

1шт.

58

A35213

TUBE

- suction, hydraulic pump

1шт.

59

13-512

BOLT,Hex, 5/16" - 18 x 3/4", Gr 5

2шт.

60

92-5

LOCK WASHER,5/16"

2шт.

61

A27352

O-RING,0.859" ID x 1.137" OD x 0.139"

"O" RING - suction tube (7/8 x 1-1/8 x 1/8")

1шт.

Выбрано товаров: 52