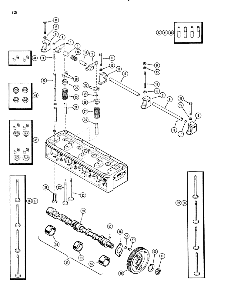
Запчасти Case IH 430 (012) - VALVE MECHANISM AND CAMSHAFT, 430, 148B, SPARK IGNITION ENGINE (02) - ENGINE

Схема запчастей Case IH 430 - (012) - VALVE MECHANISM AND CAMSHAFT, 430, 148B, SPARK IGNITION ENGINE (02) - ENGINE
44
24
28
38
21
2
11
10
61
51
58
36
60
20
3
55
11
1
50
30
5
15
45
6
9
7
43
13
39
9
15
27
41
26
4
52
8
54
42
17
11
15
53
30
22
9
16
15
6
23
29
56
59
24
25
12
57
40
14
37
FIT
1:1
100%

Артикул

Название

Примечание

Количество

1

G45234

ARM

ROCKER ARM ASSY. - R.H. (incl. ref. 3, 4 & 5)

4шт.

2

G45235

ARM

ROCKER ARM ASSY. - L.H. (incl. ref. 3, 4 & 5)

4шт.

3

A31056

ADJUSTMENT SCREW,5/16" - 24 x 1 11/32"

SCREW - adjusting

1шт.

4

25-155

JAM NUT,Jam, 5/16"-24, G5

- jam, 5/16" N.F. hex.

1шт.

5

A31055

BUSHING

1шт.

6

A37197

SHAFT

- rocker arm

2шт.

7

A26796

PLUG

- shaft, rocker arm

2шт.

8

139-205

PIN - rocker shaft (Type 00 x 3/4" taper) 2/0 x 3/4", Tapered

2шт.

9

G46250

BRACKET

- rocker arm shaft

4шт.

10

G2107

BRACKET

- center, rocker arm shaft

1шт.

11

13-644

BOLT,Hex, 3/8" - 16 x 2-3/4", Gr 5

- bracket, 3/8" x 2-3/4" N.C. hex.

3шт.

12

G49505

STUD

- bracket & cover (3/8" N.C. x 4-5/8")

2шт.

13

A29277

WASHER

- plain, bracket nut

2шт.

14

25-106

NUT,3/8"-16, G5

- 3/8" N.C. hex.

2шт.

15

92-6

LOCK WASHER,3/8"

4шт.

16

A30007

SPRING

- rocker arm shaft

4шт.

17

A30008

SPACER

- rocker arm shaft

2шт.

20

G11086

ROD

PUSH ROD

8шт.

21

A30006

TAPPET

LIFTER - push rod

8шт.

22

NSS

NOT SOLD SEPARAT

VALVE - exhaust (Order ref. 36 or 37)

4шт.

23

NSS

NOT SOLD SEPARAT

VALVE - intake (Order ref. 38 or 39)

4шт.

24

NSS

NOT SOLD SEPARAT

GUIDE - valve stem (Order ref. 40, 41 or 42)

8шт.

25

G10004

SPRING

- exhaust valve (2-3/16" free length)

4шт.

26

NSS

NOT SOLD SEPARAT

ROTO-CAP - exhaust valve (Order ref. 43)

4шт.

27

A30025

SPRING

- intake valve (2-3/8" free length)

4шт.

28

NSS

NOT SOLD SEPARAT

RETAINER - intake valve spring (Order ref. 45)

4шт.

29

G46851

SEAL

- intake valve stem

4шт.

30

NSS

NOT SOLD SEPARAT

LOCK - valve spring (Order ref. 44)

16шт.

36

H11915

VALVE SET - exhaust (Set of 4) (1-13/64" head) (used w/G11909 head) (see Figure 11A)

1шт.

37

G11962

VALVE, ENG EXHAUST,

VALVE SET - exhaust (Set of 4) (1-13/32" head) (used w/G11888 head) (see Figure 10)

1шт.

38

G11914

VALVE

SET - intake (Set of 4) (1-21/64" head) (used w/G11909 head) (see Figure 11A)

1шт.

39

G11961

VALVE

SET - intake (Set of 4) (1-1/4" head) (used w/G11888 head) (see Figure 11)

1шт.

40

A30270

GUIDE

SET - intake & exhaust valve (Set of 4) (2-11/16" long) (used w/G11909 head) (see Figure 11A)

2шт.

41

A10269

GUIDE SET - intake valve (Set of 4) (2-7/16" long) (used w/G11888 head) (see Figure 10)

1шт.

42

A30270

GUIDE

SET - exhaust valve (Set of 4) (2-11/16" long) (used w/G11888 head) (see Figure 10)

1шт.

43

G11928

CAP

ROTO-CAP SET - exhaust valve (Set of 4)

1шт.

44

G11929

LOCK

SET - valve spring (Set of 4)

4шт.

45

G11927

RETAINER

SET - intake valve (Set of 4 w/locks)

1шт.

50

G2055

CAMSHAFT

1шт.

51

A41225

KIT

BUSHING SET - camshaft (pre-sized), Includes: Ref. 52 - 54

1шт.

52

NSS

NOT SOLD SEPARAT

BUSHING - rear (1-3/16" long)

1шт.

53

NSS

NOT SOLD SEPARAT

BUSHING - center (23/32" long)

1шт.

54

NSS

NOT SOLD SEPARAT

BUSHING - front (1-5/16" long)

1шт.

55

126-12

WOODRUFF KEY,#6, 5/32" x 5/8"

Gear to camshaft #6, 5/32" x 5/8"

1шт.

56

A29290

PLATE

- thrust, camshaft

1шт.

57

A30056

SCREW,Hex, 5/16" - 18 x 1/2"

- thrust plate

2шт.

58

193-9

LOCK WASHER,Ext Tooth, 5/16"

WASHER, LOCK, Ext Tooth, 5/16"

2шт.

59

G37066

GEAR

- camshaft

1шт.

60

A29438

LOCK NUT

WASHER - lock, camshaft nut

1шт.

61

A30063

NUT

- camshaft

1шт.

Выбрано товаров: 50