Запчасти Case IH 430 (104) - ELECTRICAL EQUIPMENT AND WIRING, 430, 148B, SPARK IGNITION ENGINE (04) - ELECTRICAL SYSTEMS

Схема запчастей Case IH 430 - (104) - ELECTRICAL EQUIPMENT AND WIRING, 430, 148B, SPARK IGNITION ENGINE (04) - ELECTRICAL SYSTEMS
44
42
29
28
29
5
2
30
1
2
19
30
7
32
9
47
26
46
62
48
31
38
22
60
20
43
24
8
25
45
18
52
4
51
33
34
59
27
21
23
17
61
55
6
FIT
1:1
100%

Артикул

Название

Примечание

Количество

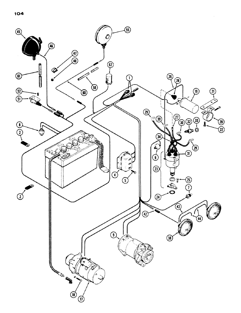
1

A37933

HARNESS - main wire (includes plugs) (used w/flasher attachment)

1шт.

1

A36676

HARNESS

- main wire (includes plugs) (used w/out flasher attachment)

1шт.

2

A37179

CLIP

- harness, main wire

6шт.

4

A36194

REGULATOR

- voltage

1шт.

5

173-214

SCREW,Phil Rnd Hd, 1/4" - 20 x 3/4"

- regulator, 1/4 x 3/4" rd. hd.

3шт.

6

A13794

TRANSMITTER

SENDER - engine oil pressure

1шт.

7

A21462

SENDER UNIT

SENDER - engine temperature

1шт.

8

A20990

SWITCH

- safety, neutral start

1шт.

9

A41452

GENERATOR ASSY. - (See Figure 110)

1шт.

9

A36195

GENERATOR ASSY. - (See Figure 110) (Order A41452)

1шт.

17

36581

HUB

STARTING ASSY. - (See Figure 112)

1шт.

18

413-632

BOLT,Hex, 3/8" - 16 x 2", Gr 5

3шт.

19

A41820

COIL

- ignition (Replaces A33438)

1шт.

20

G46106

BRACKET

CLAMP - coil (includes screw)

1шт.

21

G11705

BRACKET

- coil mounting

1шт.

22

14-512

BOLT,Hex, 5/16" - 24 x 3/4", Gr 5, Full Thd

2шт.

23

G11051

DISTRIBUTOR

ASSY. - (See Figure 108)

1шт.

24

A29456

O-RING,0.139" Thk x 1.046" ID, -215, Cl 5, 75 Duro

"O" RING - distributor to block (1-1/16 x 1-5/16 x 1/8")

1шт.

25

113-1

BOLT,Hex, 1/4" - 20 x 1/2", Gr 5

Dist. adj. arm Hex, 1/4"-20 x 1/2", G5, Full Thd

1шт.

26

G13085

ELECTRICAL WIRE

WIRE - lo-tension, dist. to coil (12")

1шт.

27

CASA30038

CABLE

WIRE - hi-tension, coil to dist. (11")

1шт.

28

G46803

BOOT

NIPPLE - coil wire

1шт.

29

A29994

CABLE

WIRE - #1 and #4 spark plug (10-1/2")

2шт.

30

A30018

CABLE

WIRE - #2 and #3 spark plug (8-1/2")

2шт.

31

A29338

COVER

NIPPLE - distributor wire

5шт.

32

G44840

SPARK PLUG

PLUG ASSY. - spark (18 mm), Includes: Ref. 32

4шт.

33

G468396

GASKET - spark plug

1шт.

34

A30109

WASHER

RING - harness, dist., wires

1шт.

38

A24572

LAMP

KIT - head (See Figure 117C)

2шт.

42

A11943

WIRE - head lamp to harness (21")

1шт.

43

A11764

WIRE - jumper, head lamp (16")

1шт.

44

A33439

WIRE - ground, head lamp (12")

2шт.

45

A20965

LAMP BASE

LAMP ASSY. - flood and tai. (Repairs Figure 122)

1шт.

46

A37934

WIRE - harness to tail lamp (48")

1шт.

47

G46047

CLIP - wire, tail lamp & main harness

1шт.

48

A27338

GROMMET

- rubber, Serial Range: wire-fender

1шт.

51

SA8170

SOCKET - electrical outlet

1шт.

52

173-237

SCREW,Sl Rnd Hd, #10 - 32 x 1/2"

- socket (#10-32 x 1/2" rd. hd.)

2шт.

55

A34853

LAMP

ASSY. - flasher warning (Repairs, Figure 125A)

1шт.

59

A37940

LOOM

- wire, 1/4 x 5-1/2"

1шт.

60

A34889

WIRE - lamp to main harness, 47-1/2"

1шт.

61

A11776

LOOM - tail & flasher lamp wires, 3/8 x 41"

1шт.

62

A34867

FLASHER UNIT

FLASHER - 12 volt (See Figure 125A)

1шт.

Выбрано товаров: 43