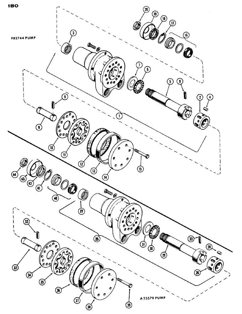
Запчасти Case IH 430 (180) - HYDROSTATIC STEERING, F82744 PUMP/A35579 PUMP (05) - STEERING

Схема запчастей Case IH 430 - (180) - HYDROSTATIC STEERING, F82744 PUMP/A35579 PUMP (05) - STEERING
5
20
9
8
31
17
12
18
32
36
7
35
27
34
44
26
2
29
25
37
43
6
16
11
33
13
1
19
10
33
40
42
38
3
9
4
41
14
28
15
39
30
FIT
1:1
100%

Артикул

Название

Примечание

Количество

F82744

PUMP ASSY. - manual (Ross Gear #P4001), Includes: Ref. 1 - 20

1шт.

1

F82945

BODY

ASSY, Includes: Ref. 2 & 3

1шт.

2

NSS

NOT SOLD SEPARAT

COMMUTATOR (Order F82945)

1шт.

3

A30588

NEEDLE BEARING,Needle, 22.23mm ID x 28.57mm OD x 12.7mm W

BEARING - needle

1шт.

4

F19631

PIN

- commutator

1шт.

5

F19632

SHAFT

- coupling

1шт.

6

F19633

NEEDLE BEARING,22.27mm ID x 36.24mm OD x 1.98mm W

BEARING - needle, thrust

1шт.

7

F19634

BEARING WASHER

RACE - thrust bearing

1шт.

8

F19635

LINK

- rotor drive

1шт.

9

F19636

PIN

- link

2шт.

10

A42206

SPACER

- rotor (Replaces F19637)

1шт.

11

F19638

ROTOR SET

1шт.

12

F19640

SEAL

- rotor

1шт.

13

F19639

RETAINER

- rotor seal

1шт.

14

F19641

COVER - end

1шт.

15

F19642

BOLT - cover, 5/16 x 1-3/4" N.C.hex.

7шт.

16

A40624

SEAL

KIT - (incl. felt washer F19645)

1шт.

17

A21145

SNAP RING,1.25, Int, #125

RING - snap, 1.25", Int, #125, thrust washer

1шт.

18

F19645

BUSHING

SEAL - dust, felt

1шт.

19

F19644

SEAL

RETAINER - dust seal

1шт.

20

F19646

LOCK NUT,13/16"-20, Thin

NUT - coupling shaft

1шт.

A35579

PUMP

ASSY. - manual (Ross Gear P5001 or P5007), Includes: Ref. 25 - 44

1шт.

25

F82945

BODY

ASSY, Includes: Ref. 26 & 27

1шт.

26

NSS

NOT SOLD SEPARAT

COMMUTATOR (Order F82945)

1шт.

27

A30588

NEEDLE BEARING,Needle, 22.23mm ID x 28.57mm OD x 12.7mm W

BEARING - needle

1шт.

28

F19631

PIN

- commutator

1шт.

29

F19632

SHAFT

- coupling (Replaces A40735)

1шт.

30

F19633

NEEDLE BEARING,22.27mm ID x 36.24mm OD x 1.98mm W

BEARING - needle, thrust

1шт.

31

F19634

BEARING WASHER

RACE - thrust bearing

1шт.

32

F19635

LINK

- rotor drive

1шт.

33

F19636

PIN

- link

2шт.

34

A42206

SPACER

- rotor (Replaces F19637)

1шт.

35

A35786

STATOR

ROTOR SET

1шт.

36

NLS

NO LONGER SERVICED

SEAL - rotor

1шт.

37

A35787

RETAINER

- rotor seal

1шт.

38

F19641

COVER - end

1шт.

39

F19642

BOLT - cover (5/16 x 1-3/4" N.C.hex.)

7шт.

40

A40624

SEAL

KIT - (incl. felt washer F19645)

1шт.

41

A21145

SNAP RING,1.25, Int, #125

RING - snap, 1.25", Int, #125, thrust washer

1шт.

42

F19645

BUSHING

SEAL - dust, felt

1шт.

43

A42057

SEAL

RETAINER - dust seal (Replaces F19644)

1шт.

44

F19646

LOCK NUT,13/16"-20, Thin

NUT - coupling shaft

1шт.

Выбрано товаров: 42