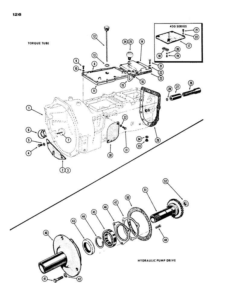
Запчасти Case IH 430 (126) - TORQUE TUBE, STANDARD CLUTCH DRIVE (06) - POWER TRAIN

Схема запчастей Case IH 430 - (126) - TORQUE TUBE, STANDARD CLUTCH DRIVE (06) - POWER TRAIN
22
2
34
1
27
5
22
11
29
32
28
40
13
15
3
31
45
43
19
20
48
18
46
26
50
33
12
21
8
6
25
21
44
41
16
47
14
42
52
10
7
4
30
51
23
24
17
9
FIT
1:1
100%

Артикул

Название

Примечание

Количество

1

A37976

TUBE - torque

1шт.

2

A35842

COVER

- flywheel (w/adj. front axle)

1шт.

3

G17029

COVER - flywheel (w/dual front wheel)

1шт.

4

13-1012

BOLT,Hex, 5/8" - 11 x 3/4", Gr 5, Full Thd

2шт.

5

92-10

LOCK WASHER,5/8"

WASHER, LOCK, 5/8"

2шт.

6

A35216

COVER

- timing hole

1шт.

7

138-65

LOCK PIN,1/8" x 1 1/2", Slotted

PIN, , Timing pointer 1/8" x 1 1/2", Slotted

1шт.

8

NLS

NO LONGER SERVICED

COVER - front (w/no hydraulics)

1шт.

9

13-616

BOLT,Hex, 3/8" - 16 x 1", Gr 5, Full Thd

11шт.

10

92-6

LOCK WASHER,3/8"

11шт.

11

G10876

GASKET

- front cover

1шт.

12

A38306

DIPSTICK

- oil, torque tube (Replaces G10348)

1шт.

13

A38660

GASKET

- dipstick (Replaces G10351)

1шт.

14

G1360

COVER - rear (530 w/4 speed trans.)

1шт.

15

G30309

BREATHER,0.7535" OD x 1.5" L

TUBE - oil breather (530)

1шт.

16

222-506

TUBE NUT,11/16"-16

NUT - breather tube (530)

1шт.

17

G1339

COVER - rear (430 w/4 speed trans.)

1шт.

18

G16525

DEFLECTOR - oil (430)

1шт.

19

G49011

BOLT - drilled (1/4 x 3/4" N.C. hex.)

2шт.

20

92-4

LOCK WASHER,1/4"

WASHER, LOCK, 1/4"

2шт.

21

13-624

BOLT,Hex, 3/8" - 16 x 1-1/2", Gr 5

- 3/8 x - 1-1/2" N.C. hex.

4шт.

22

92-6

LOCK WASHER,3/8"

4шт.

23

G46842

GASKET

- rear cover

1шт.

24

A9238

BREATHER

- oil, rear cover, Includes: Ref. 25

1шт.

25

A10059

FILTER, ELEMENT

ELEMENT - filter, breather

1шт.

26

G10615

SLEEVE - coupling (w/4 speed trans.)

1шт.

27

A37569

COUPLING

SLEEVE - coupling (w/4 speed & 8 speed trans.)

1шт.

28

G10438

RING

- snap (Used w/A37569 coupling)

1шт.

29

A37218

X

GASKET - torque tube to trans. case (Replaces G46840)

1шт.

30

A7082

COVER

- hand hole

1шт.

31

13-68

SCREW,Hex, 3/8" - 16 x 1/2", Gr 5

BOLT - 3/8 x 1/2" N. C. hex. hd.

1шт.

32

92-6

LOCK WASHER,3/8"

1шт.

33

A14280

PLUG

- drain, torque tube

1шт.

34

A58608

GASKET

- drain plug (Replaces A27927)

1шт.

40

A37612

HOUSING

- hydraulic pump drive

1шт.

41

13-616

BOLT,Hex, 3/8" - 16 x 1", Gr 5, Full Thd

Hydraulic pump drive Hex, 3/8"-16 x 1", G5, Full Thd

3шт.

42

92-6

LOCK WASHER,3/8"

hydraulic pump drive 3/8"

3шт.

43

A37615

OIL SEAL

- oil, drive housing (1-7/8 x 2-3/4 x 1/4"), hydraulic pump drive

1шт.

44

A27089

SNAP RING,2.36mm Thk, Ext

RING - snap, rear, hydraulic pump drive

1шт.

45

G10418

BEARING, BALL

BEARING - drive gear, hydraulic pump drive

1шт.

46

A37616

RETAINER

CAP - bearing retainer, hydraulic pump drive

1шт.

47

G10382

LOCK

- bearing cap, hydraulic pump drive

1шт.

48

13-512

BOLT,Hex, 5/16" - 18 x 3/4", Gr 5

Hydraulic pump drive Hex, 5/16"-18 x 3/4", G5, Full Thd

3шт.

50

G10407

GASKET

- housing, hydraulic pump drive

1шт.

51

A37610

GEAR

- pump drive, hydraulic

1шт.

52

A37611

OIL SEAL

- oil, drive gear (1-3/8 x 2-1/8 x 7/16"), hydraulic pump drive

1шт.

Выбрано товаров: 46