Запчасти Case IH 430 (130) - CONVERTER AND TORQUE TUBE, CASE-O-MATIC DRIVE (06) - POWER TRAIN

Схема запчастей Case IH 430 - (130) - CONVERTER AND TORQUE TUBE, CASE-O-MATIC DRIVE (06) - POWER TRAIN
12
17
25
13
4
14
6
21
9
11
23
17
10
1
22
5
8
16
19
18
20
3
24
7
2
18
15
FIT
1:1
100%

Артикул

Название

Примечание

Количество

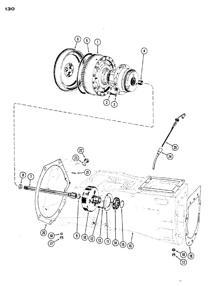
1

G30373

CONVERTER

- torque (Repairs Figure 132)

1шт.

2

13-624

BOLT,Hex, 3/8" - 16 x 1-1/2", Gr 5

- 3/8 x 1-1/2" N. C. hex. hd.

5шт.

3

92-6

LOCK WASHER,3/8"

5шт.

4

G49634

BUSHING

- drive shaft (part of converter)

1шт.

5

G46817

GASKET,293.62mm ID x 314.58mm OD x 4.95mm Thk

-, Serial Range: converter-flywheel

1шт.

6

G11860

FLYWHEEL

- engine

1шт.

7

A37086

SHAFT

- clutch main drive

1шт.

8

A37087

RING

- seal, clutch shaft

1шт.

9

G49046

WASHER

- thrust, clutch shaft

1шт.

10

G16792

DRUM HUB

DRUM - driven, traction clutch

1шт.

11

G16780

CAP - bearing retainer

1шт.

12

13-512

BOLT,Hex, 5/16" - 18 x 3/4", Gr 5

3шт.

13

92-5

LOCK WASHER,5/16"

3шт.

14

40027

BALL BEARING,49.99mm ID x 80mm OD x 16mm W

- drum, traction clutch

1шт.

15

G46177

SNAP RING,#196, 1.849", Ext

RING - snap, cup bearing

1шт.

16

A37811

TUBE - torque, converter drive

1шт.

17

A14280

PLUG

- drain

2шт.

18

A58608

GASKET

- drain plug (Replaces A27927)

2шт.

19

A37218

X

GASKET - housing to trans. case

1шт.

20

G46876

GASKET

-, Serial Range: housing-engine

1шт.

21

138-63

LOCK PIN,1/8" x 1 1/4", Slotted

PIN, , Timing pointer 1/8" x 1 1/4", Slotted

1шт.

22

A14280

PLUG

- timing hole

1шт.

23

A58608

GASKET

- plug, timing hole (Replaces A27927)

1шт.

24

G30284

SUPPORT - dipstick, oil level

1шт.

25

G45253

DIPSTICK

- oil level

1шт.

Выбрано товаров: 25