Запчасти Case IH 430 (142) - DUAL RANGE CONTROL COVER (06) - POWER TRAIN

Схема запчастей Case IH 430 - (142) - DUAL RANGE CONTROL COVER (06) - POWER TRAIN
7
16
10
9
14
1
6
11
3
20
18
4
15
17
8
2
23
5
13
12
19
21
22
FIT
1:1
100%

Артикул

Название

Примечание

Количество

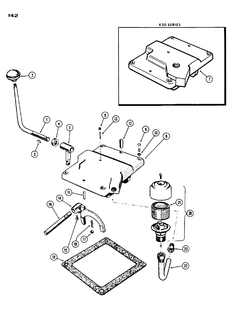
1

G15656

LEVER

- hand, 8 speed control

1шт.

2

A26727

BALL

KNOB - hand lever

1шт.

3

126-12

WOODRUFF KEY,#6, 5/32" x 5/8"

1шт.

4

A26778

SEAL

- oil, hand lever

1шт.

5

G15657

LEVER

- shift fork

1шт.

6

G30390

COVER

ASSY. - control (530 Series) (Includes ref. 8)

1шт.

7

A37988

COVER - control (430 Series) (Replaces A37799) (Also Order 1-A37985 rail), Includes: Ref. 8

1шт.

8

221-1850

PLUG,Hex Soc, 1/16"-27

- pipe, 1/16" socket hd.

1шт.

9

13-624

BOLT,Hex, 3/8" - 16 x 1-1/2", Gr 5

- 3/8 x 1-1/2" N.C. hex. hd.

4шт.

10

92-6

LOCK WASHER,3/8"

4шт.

11

A29426

AXLE PIN

PIN - dowel, front (3/8 x 3/4")

1шт.

12

G10711

PIN

- dowel, rear (1/2" x 3/4")

1шт.

13

138-61

LOCK PIN,1/8" x 1", Slotted

PIN, , Shift lever 1/8" x 1", Slotted

1шт.

14

G16632

FORK

- shift

1шт.

15

A29964

LOCK SCREW,Sq Hd, 3/8" - 24 x 27/32", Drilled

- lock, shift fork

1шт.

16

A37985

RAIL

- shift fork (Replaces G16634)

1шт.

17

211-11

BALL,3/8" Dia

- detent, shift rail (.) 3/8" Dia

1шт.

18

G47039

SPRING

- detent ball

1шт.

19

G46842

GASKET

- cover to torque tube

1шт.

20

A75179

BREATHER

- oil (Replaces A9238), Includes: Ref. 21

1шт.

21

A10059

FILTER, ELEMENT

ELEMENT - filter, breather

1шт.

22

G30309

BREATHER,0.7535" OD x 1.5" L

TUBE - breather to cover (530 only)

1шт.

23

222-508

TUBE NUT,1"-18

NUT - breather tube (3/4" tube) 530 only

1шт.

Выбрано товаров: 23