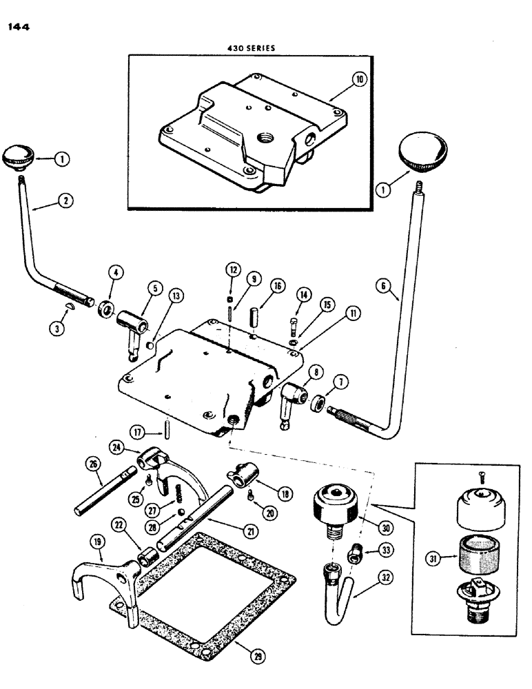
Запчасти Case IH 430 (144) - SHUTTLE AND DUAL RANGE CONTROL COVER (06) - POWER TRAIN

Схема запчастей Case IH 430 - (144) - SHUTTLE AND DUAL RANGE CONTROL COVER (06) - POWER TRAIN
5
28
16
15
18
10
8
1
27
26
19
12
17
7
22
3
14
4
2
13
6
1
20
32
29
24
30
21
9
11
25
31
33
FIT
1:1
100%

Артикул

Название

Примечание

Количество

1

A26727

BALL

KNOB - hand lever

2шт.

2

G15656

LEVER

- hand, range control

1шт.

3

126-12

WOODRUFF KEY,#6, 5/32" x 5/8"

1шт.

4

A26778

SEAL

- oil, range shift lever (5/8 x 1-1/8 x 3/8")

1шт.

5

G15657

LEVER

- shift fork, low & direct range

1шт.

6

G15658

LEVER

- hand, shuttle control

1шт.

7

G10450

OIL SEAL,19.05mm ID x 31.85mm OD x 6.35mm Thk

- oil, shuttle control hand lever (3/4 x 1-1/4 x 3/8")

1шт.

8

G15659

LEVER

- shift fork, shuttle

1шт.

9

138-61

LOCK PIN,1/8" x 1", Slotted

PIN, , Range shift lever 1/8" x 1", Slotted

1шт.

10

A37989

COVER - control (430 Series) (includes ref. 12 & 13) (Replaces G30385) (Also Order 1-A37985 rail)

1шт.

11

A37987

COVER ASSY

. - control (530 Series) (Replaces G30389) (Also Order 1-A37985 rail), Includes: Ref. 12 and 13

1шт.

12

221-1849

PLUG

- pipe, 1/8" hex. socket hd.

1шт.

13

221-1850

PLUG,Hex Soc, 1/16"-27

- pipe, 1/16" hex. socket hd.

2шт.

14

13-624

BOLT,Hex, 3/8" - 16 x 1-1/2", Gr 5

- 3/8 x 1-1/2" N. C. hex. hd.

4шт.

15

92-6

LOCK WASHER,3/8"

4шт.

16

G10711

PIN

- dowel, rear (1/2 x 3/4")

1шт.

17

A29426

AXLE PIN

PIN - fowel, front (3/8 x 3/4")

1шт.

18

G16638

LUG

- shuttle shift rail

1шт.

19

G16633

FORK

- shift, shuttle

1шт.

20

A29964

LOCK SCREW,Sq Hd, 3/8" - 24 x 27/32", Drilled

- lock, lug and shift fork

2шт.

21

G30264

KIT

RAIL - shuttle shift, Includes: Ref. 22

1шт.

22

A38203

SPACER

- shuttle shift rail (33/64" long) (Replaces G49612, G49628 & G49629)

1шт.

24

G16632

FORK

- shift, range

1шт.

25

A29964

LOCK SCREW,Sq Hd, 3/8" - 24 x 27/32", Drilled

- lock, shift fork

1шт.

26

A37985

RAIL

- shift, range fork (Replaces G16634)

1шт.

27

G47039

SPRING

- detent, shift rail

2шт.

28

211-11

BALL,3/8" Dia

- detent, shift rail (.) 3/8" Dia

2шт.

29

G46842

GASKET

- cover to torque tube

1шт.

30

A9238

BREATHER

- oil, Includes: Ref. 31

1шт.

31

A10059

FILTER, ELEMENT

ELEMENT - filter, oil breather

1шт.

32

G30309

BREATHER,0.7535" OD x 1.5" L

TUBE - breather (530 only)

1шт.

33

222-508

TUBE NUT,1"-18

NUT - breather tube (3/4" tube) 530 only

1шт.

Выбрано товаров: 32