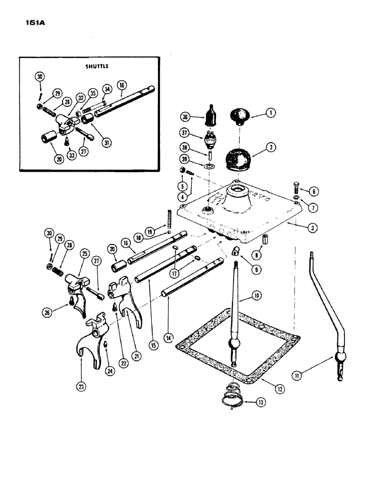
Запчасти Case IH 430 (151A) - GEAR SHIFT COVER, USED PRIOR TO TRANSMISSION SERIAL NUMBER 2244027 (06) - POWER TRAIN

Схема запчастей Case IH 430 - (151A) - GEAR SHIFT COVER, USED PRIOR TO TRANSMISSION SERIAL NUMBER 2244027 (06) - POWER TRAIN
14
24
19
26
30
27
32
29
28
5
31
18
33
17
25
15
23
16
8
36
12
28
35
20
13
22
9
6
34
10
3
39
37
21
4
38
29
16
7
20
11
1
2
30
27
FIT
1:1
100%

Артикул

Название

Примечание

Количество

1

A26727

BALL

KNOB - shift lever

1шт.

2

A26956

DUST CAP

COVER - dust, shift lever

1шт.

3

G1328

COVER ASSY

COVER - control

1шт.

4

G15468

SET SCREW,5/16" - 18 x 3/4"

- retaining, shift lever

1шт.

5

25-145

JAM NUT,Jam, 5/16"-18, G5

- jam, 5/16" N.C. hex.

1шт.

6

13-624

BOLT,Hex, 3/8" - 16 x 1-1/2", Gr 5

- cover, 3/8 x 1-1/2" N.C. hex. hd.

4шт.

7

92-6

LOCK WASHER,3/8"

4шт.

8

138-200

LOCK PIN,1/2" x 1", Slotted

PIN, , cover to trans. case 1/2" x 1", Slotted

1шт.

9

A35839

PLUG

SEAL - rubber, speedometer cable

1шт.

THERE IS A SEAL IN THE HOLE PART IS G10799

1шт.

10

G15465

LEVER

- gear shift (430 Series)

1шт.

11

G15628

LEVER

- gear shift (530 Series)

1шт.

12

G10342

GASKET

- cover to trans. case

1шт.

13

G10611

SPRING

- support, shift lever

1шт.

14

G10327

ROD

RAIL - shift, 3rd & 4th speeds

1шт.

15

G10326

ROD

RAIL - shift, 1st & 2nd speeds

1шт.

16

A35313

RAIL

- shift, reverse

1шт.

17

A29060

PLUG

- interlock, shift rail

2шт.

18

211-11

BALL,3/8" Dia

- mesh lock, shift rail (.) 3/8" Dia

3шт.

19

G47039

SPRING

- mesh lock

3шт.

20

G49611

SPACER

- reverse shift rail (1-1/4" long)

1шт.

21

G10332

FORK

- shift, 1st & 2nd speeds (Order A41467) (See Figure 150)

1шт.

22

A29964

LOCK SCREW,Sq Hd, 3/8" - 24 x 27/32", Drilled

- lock, shift fork

1шт.

23

G10333

X

FORK - shift, 3rd & 4th speeds (Order A41468) (See Figure 150)

1шт.

24

A29965

LOCK SCREW,3/8" - 24 x 11/16", Drilled

- lock, shift fork

1шт.

25

A37805

FORK

- shift, reverse (not used w/shuttle)

1шт.

26

A29964

LOCK SCREW,Sq Hd, 3/8" - 24 x 27/32", Drilled

- lock, shift fork

1шт.

27

A29963

PLUNGER

- reverse latch

1шт.

28

T25643

VALVE SPRING

SPRING - plunger, reverse latch

1шт.

29

25-135

SLOTTED NUT,5/16"-24, G5

NUT - slotted, 5/16" N.F. hex.

1шт.

30

135-5

PIN - cotter, 1/16 x 1/2"

1шт.

31

G49632

SPACER

- rear, shift rail (3/4" long) w/shuttle only

1шт.

32

G15585

LUG - reverse shift rail (w/shuttle only)

1шт.

33

A29964

LOCK SCREW,Sq Hd, 3/8" - 24 x 27/32", Drilled

- lock, lug

1шт.

34

13-548

CAP,Hex, 5/16" - 18 x 3", Gr 5

BOLT - 5/16 x 3" N.C. hex. hd. (w/shuttle only)

1шт.

35

25-145

JAM NUT,Jam, 5/16"-18, G5

- jam, 5/16" N.C. hex.

1шт.

36

A20991

BOOT

- cover, safety switch

1шт.

37

A20990

SWITCH

- safety, neutral start

1шт.

38

G15574

PLUNGER

- safety switch

1шт.

39

G49401

SHIM,.005" Thk

Safety switch .005" Thk

1шт.

39

G49402

SHIM,.010" Thk

Safety switch .010" Thk

1шт.

Выбрано товаров: 41