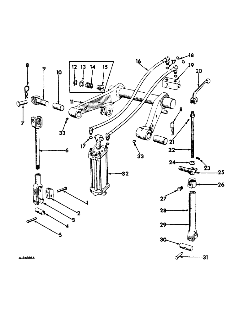
Запчасти Case IH 460 (206) - DRAWBARS & HITCHES, ROCKSHAFT, LIFT & LEVELING LINK, HYDRAULIC CYLINDER & CONNECTIONS Drawbar & Hitches

Схема запчастей Case IH 460 - (206) - DRAWBARS & HITCHES, ROCKSHAFT, LIFT & LEVELING LINK, HYDRAULIC CYLINDER & CONNECTIONS Drawbar & Hitches
4
23
29
14
19
22
7
20
9
26
6
8
32
8
17
1
13
17
30
10
28
24
33
12
3
31
5
15
27
21
33
11
18
25
16
2
FIT
1:1
100%

Артикул

Название

Примечание

Количество

1

522855R1

PIN,12.7mm OD x 66.67mm L

1шт.

520175R1

CLIP

1шт.

2

523085R1

BLOCK

1шт.

3

522818R1

YOKE

UNIVERSAL JOINT YOKE

1шт.

4

522849R1

PIN

1шт.

5

522856R1

PIN,12.7mm OD x 63.5mm L

1шт.

6

522997R11

ROD

1шт.

7

523113R1

CLEVIS PIN,19.05mm OD x 60.33mm L

1шт.

8

520175R1

CLIP

1шт.

9

523090R1

PIN

1шт.

Q3482

WASHER

1шт.

10

523092R1

BUSHING,28.63mm ID x 33.45mm OD x 63.5mm L

1шт.

11

523095R93

SPARE PART

1шт.

523094R2

1шт.

523092R1

BUSHING,28.63mm ID x 33.45mm OD x 63.5mm L

1шт.

522828R1

1шт.

526206R2

SPARE PART

1шт.

526207R1

SPARE PART

1шт.

523091R1

1шт.

526208R2

SPARE PART

1шт.

526219R1

RING

1шт.

526212R1

1шт.

526209R1

SPARE PART

1шт.

526207R1

SPARE PART

1шт.

374705R1

SPARE PART

1шт.

11

374916R91

SPARE PART

1шт.

12

526219R1

RING

1шт.

13

526208R2

SPARE PART

1шт.

14

526209R1

SPARE PART

1шт.

15

526206R2

SPARE PART

1шт.

16

371800R91

HOSE

1шт.

16

371798R91

HOSE,12.7mm ID x 542.92mm L, SAE 100R1

1шт.

17

364885R1

O-RING,0.097" Thk x 0.755" ID, -910, Cl 6, 90 Duro

1шт.

18

350429R1

O-RING,0.103" Thk x 0.612" ID, -114, Cl 5, 75 Duro

1шт.

19

370965R92

SPARE PART

1шт.

19

374083R91

VALVE

1шт.

20

523861R1

GRIP

1шт.

576483R1

LOCK PIN,5/16" x 1 1/2", Slotted

5/16" x 1 1/2", Slotted

1шт.

21

86636814

LUBE NIPPLE,1/4"-28 x .52" lg

1шт.

22

523864R11

ADJUSTMENT SCREW

1шт.

23

441012R1

LOCK PIN,1/4" x 7/8", Slotted

1/4" x 7/8", Slotted

1шт.

24

522850R1

WASHER

1шт.

25

523863R1

PIVOT

1шт.

Q3482

WASHER

1шт.

26

522816R1

COLLAR

1шт.

27

113020

SET SCREW,Sq Hd, 5/8"-11 x 1"

1шт.

28

86636814

LUBE NIPPLE,1/4"-28 x .52" lg

1шт.

29

522819R1

HOUSING

1шт.

30

522849R1

PIN

1шт.

31

522856R1

PIN,12.7mm OD x 63.5mm L

1шт.

32

371208R92

CYLINDER

1шт.

33

80710

LUBE NIPPLE,1/8” – 27 Dryseal PTF

1шт.

364885R1

O-RING,0.097" Thk x 0.755" ID, -910, Cl 6, 90 Duro

1шт.

9410360

PLUG

1шт.

374174R91

PACKAGE

1шт.

364885R1

O-RING,0.097" Thk x 0.755" ID, -910, Cl 6, 90 Duro

1шт.

9410360

PLUG

1шт.

374083R91

VALVE

1шт.

Выбрано товаров: 0