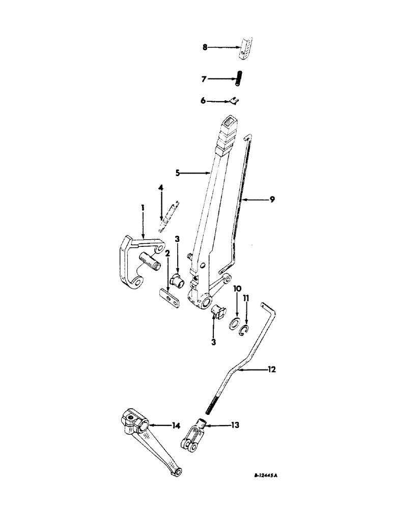
Запчасти Case IH 460 (118) - REAR FRAME & DRIVING MECHANISMS, INDEPENDENT POWER TAKE-OFF, LEVER AND CONTROLS Rear Frame & Driving Mechanisms

Схема запчастей Case IH 460 - (118) - REAR FRAME & DRIVING MECHANISMS, INDEPENDENT POWER TAKE-OFF, LEVER AND CONTROLS Rear Frame & Driving Mechanisms
5
7
8
3
12
4
13
9
14
6
2
3
11
1
10
FIT
1:1
100%

Артикул

Название

Примечание

Количество

1

377737R11

SPARE PART ASSEMBLY, pivot shaft

1шт.

271563

SUPPORT,Hex, 5/8" - 11 x 2 1/4", Gr 5

SCREW, 5/8 x 2-1/4" cap

2шт.

2

373688R1

SPARE PART PAWL, control handle

1шт.

PIN, 3/32 x 5/8" cotter

1шт.

WASHER, 9/32 x 5/8" x .065

1шт.

3

373445R1

BUSHING,22.25mm ID x 22.99mm L

BEARING, control handle pivot

2шт.

4

255297R1

SPARE PART Control handle retaining

1шт.

5

377735R11

SPARE PART ASSEMBLY, control

1шт.

6

373447R1

SPARE PART PLATE, control handle button spring

1шт.

7

373448R1

SPRING

Control handle

1шт.

8

373449R1

BUTTON

Control handle

1шт.

9

377736R1

SPARE PART Control handle

1шт.

10

370451R1

WASHER

SPARE PART Control handle

1шт.

11

373522R1

SNAP RING,#87, .668" Dia, E-Type

Retaining, , control handle #87, .668" Dia, E-Type

1шт.

12

377738R1

SPARE PART C

1шт.

PIN, 3/16 x 1" cotter

1шт.

WASHER, 17/32 x 1-1/16" x .095

1шт.

13

104039

ADJUSTABLE CLEVIS,1/2"-20 x 3"

1/2" adjustable rod end

1шт.

NUT, 1/2NF jam

1шт.

103498

CLEVIS PIN,1/2" x 1.360"

1/2" rod end

1шт.

PIN, 1/4 x 3/4" cotter

1шт.

14

377739R1

SPARE PART Cross shaft

1шт.

112139

WOODRUFF KEY,#A, 1/4" x 7/8"

1шт.

SCREW, 7/16 x 2" cap

1шт.

Выбрано товаров: 0