Запчасти Case IH 460 (130) - STEERING MECHANISM, POWER STEERING, INTERNATIONAL 460 SERIES Steering Mechanism

Схема запчастей Case IH 460 - (130) - STEERING MECHANISM, POWER STEERING, INTERNATIONAL 460 SERIES Steering Mechanism
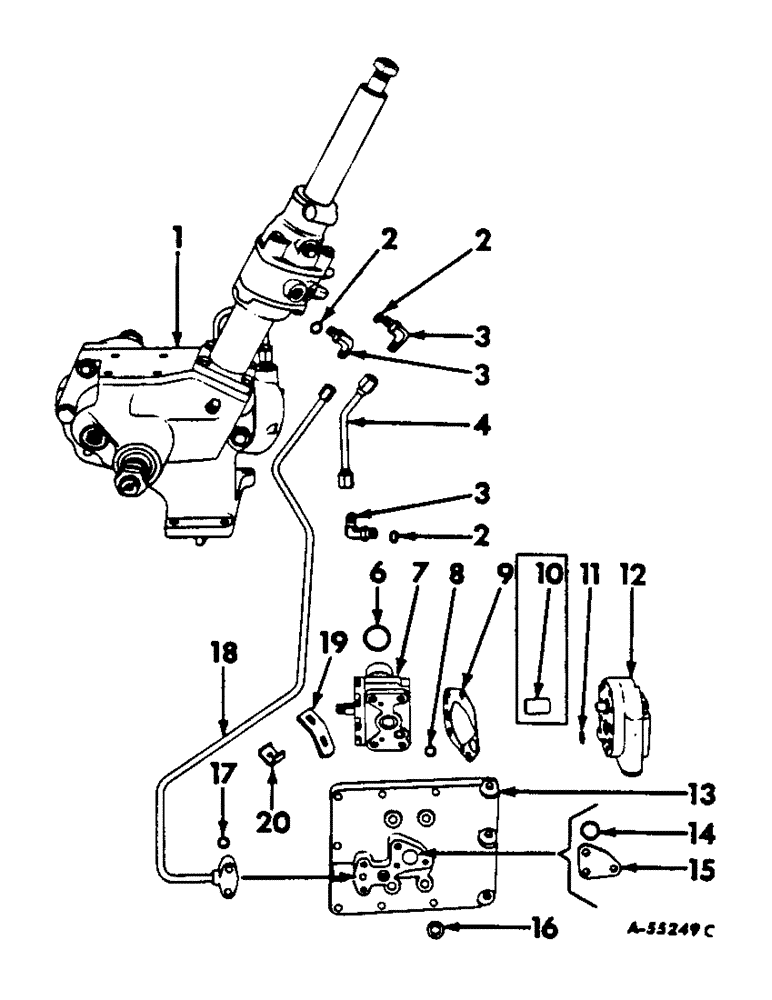
2
13
19
2
3
6
3
8
16
14
18
9
1
7
20
10
4
15
2
12
3
17
11
FIT
1:1
100%

Артикул

Название

Примечание

Количество

371172R91

SPARE PART

1шт.

Letters of these units correspond with those shown following the description of the parts in the list and identifies the unit for which the part is used. Items without letters after the description indicate that the part is used for all units.

1шт.

b

371937R91

SPARE PART

1шт.

Letters of these units correspond with those shown following the description of the parts in the list and identifies the unit for which the part is used. Items without letters after the description indicate that the part is used for all units.

1шт.

c

373740R92

SPARE PART

1шт.

Letters of these units correspond with those shown following the description of the parts in the list and identifies the unit for which the part is used. Items without letters after the description indicate that the part is used for all units.

1шт.

d

377563R91

SPARE PART

1шт.

Letters of these units correspond with those shown following the description of the parts in the list and identifies the unit for which the part is used. Items without letters after the description indicate that the part is used for all units.

1шт.

1

377565R92

SPARE PART

1шт.

1

370548R92

SPARE PART

1шт.

2

364839R1

O-RING,0.078" Thk x 0.468" ID, -906, Cl 6, 90 Duro

1шт.

3

9410976

ELBOW,90 Degree, 9/16"-18, 37 Degree x 9/16"-18, O-Ring

1шт.

4

371176R11

TUBE

return

1шт.

6

252483R1

O-RING,-218, 70 Duro, 1.234" ID x .139" Thk

1шт.

7

372065R91

SPARE PART

1шт.

7

375416R91

SPARE PART

1шт.

19263R1

LOCK NUT,Hex, 5/8" - 18

1шт.

8

252739R1

O-RING,0.103" Thk x 0.487" ID, -112, Cl 5, 75 Duro

1шт.

9

371543R1

GASKET

power steering pump

1шт.

10

372066R1

SPARE PART

1шт.

11

371544R1

O-RING,0.07" Thk x 0.551" ID, -15, Cl 5, 75 Duro

1шт.

12

371135R92

PUMP

1шт.

12

1949250C1

REMAN-HYD PUMP

460 INTERNATIONAL DIESEL, 460 INTERNATIONAL GAS, Both TRACTOR, 460 SERIES (1/58-12/63)

1шт.

12

1949251C1

CORE-HYDRAULIC PUMP

Return Number

1шт.

371802R1

SPARE PART power steering pump short

3шт.

371803R1

BOLT,Hex, 3/8" - 16 x 2 1/2"

power steering pump long

1шт.

12

370924R92

PUMP

1шт.

12

1949250C1

REMAN-HYD PUMP

Reman for New P/N 370924R92

1шт.

12

1949251C1

CORE-HYDRAULIC PUMP

Return Number

1шт.

371803R1

BOLT,Hex, 3/8" - 16 x 2 1/2"

power steering pump

4шт.

12

1949251C1

CORE-HYDRAULIC PUMP

Return No, PUMP - N.A. Only

1шт.

13

370890R11

SPARE PART

1шт.

13

373713R11

SPARE PART

1шт.

14

364840R1

O-RING,0.07" Thk x 0.801" ID, -19, Cl 5, 75 Duro

1шт.

15

372067R1

SPARE PART

1шт.

16

52999D

WASHER

1шт.

17

252738R1

O-RING,0.103" Thk x 0.362" ID, -110, Cl 5, 75 Duro

1шт.

18

371175R21

TUBE,22.772, 5.970" Length

1шт.

19

374895R1

SPARE PART 1.55, 1.07" Length

1шт.

20

374894R1

SPARE PART

1шт.

366566R1

CAP

1шт.

9410207

HYD CONNECTOR,1 5/16"-12, 37 Degree x 1 5/16"-12, O-Ring

1шт.

370216R1

SPARE PART

1шт.

370801R1

GASKET

oil strainer opening cover

1шт.

370892R2

GASKET

pump mounting flange-light

1шт.

370893R2

GASKET

pump mounting flange-heavy

1шт.

370889R1

GEAR

1шт.

373711R1

PINION

1шт.

296247R1

O-RING,16-1, 90 Duro, 1.171" ID x .116" Thk

1шт.

350667R1

O-RING,0.103" Thk x 0.674" ID, -115, Cl 5, 75 Duro

1шт.

364839R1

O-RING,0.078" Thk x 0.468" ID, -906, Cl 6, 90 Duro

Pump mounting flange plug

1шт.

9410358

PLUG

pump mounting flange

1шт.

370883R92

STRAINER ASSY.

oil

1шт.

370582R11

SPARE PART

1шт.

370888R22

TUBE

1шт.

373710R92

TUBE

1шт.

Выбрано товаров: 0