Запчасти Case IH 500-SERIES (059) - DIFFERENTIAL BRAKE ASSEMBLY (06) - POWER TRAIN

Схема запчастей Case IH 500-SERIES - (059) - DIFFERENTIAL BRAKE ASSEMBLY (06) - POWER TRAIN
FIT
1:1
100%

Артикул

Название

Примечание

Количество

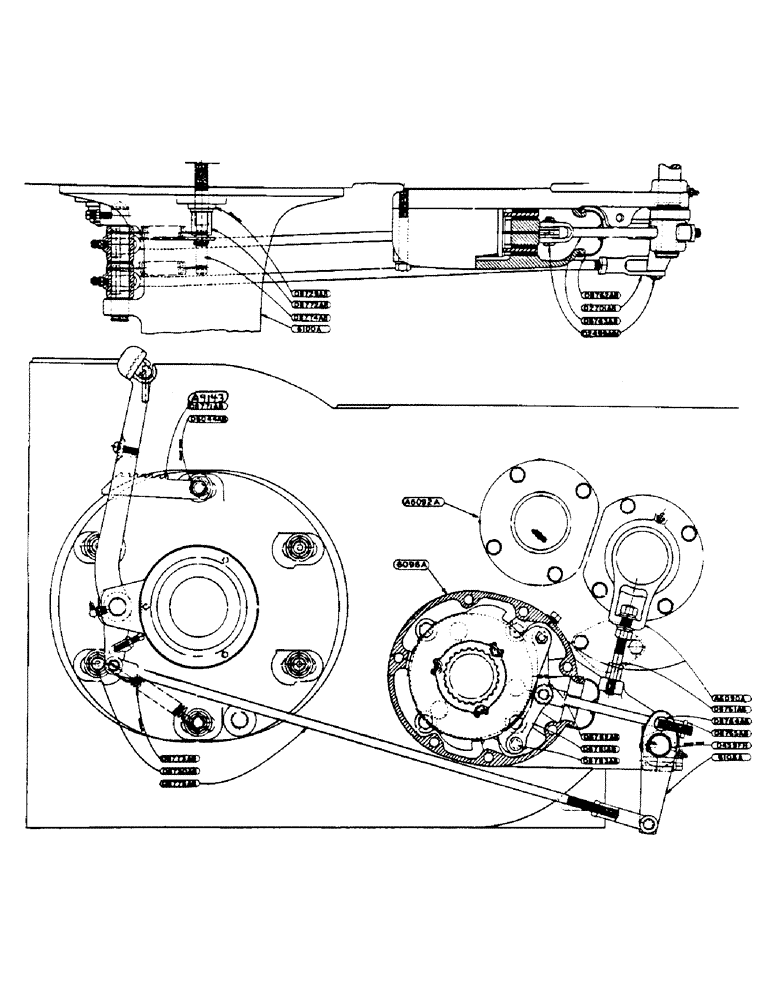
A9443

RATCHET - brake pedal (Serial #8060852 and after) See o8771AB

1шт.

6096A

COVER - differential brake

2шт.

1/2" x 3-3/4" hex hd. cap screw, N.C. thrd., with lockwasher

14шт.

3/8" sq. hd. pipe plug

2шт.

6097A

X

DISC - differential brake actuating (Their no. BP776)

4шт.

6098A

PEDAL - differential brake, R.H.

1шт.

5/16" x 1" sq. hd. cup point set screw, N.C. thrd., with hex jam nut

1шт.

1/8" - 90 degree Lincoln fitting, no. 5400

1шт.

6099A

PEDAL - differential brake, L.H.

1шт.

5/16" x 1" sq. hd. cup point set screw, N.C. thrd., with hex jam nut

1шт.

1/8" - 90 degree Lincoln fitting, no. 5400

1шт.

6106A

LEVER - differentail brake, R.H.

1шт.

1/8" str. Lincoln fitting, no. 5000

1шт.

6107A

LEVER - differential brake, L.H.

1шт.

1/2" x 1-3/4" hex hd. cap screw, N.C. thrd., with lockwasher

1шт.

O1971AB

WASHER - differential brake pedal spacer

2шт.

O2499AB1

X

PIN - yoke end, for O8763AB and O8775AB brake rods

6шт.

1/8" x 1" cotter pin

6шт.

O2701AB

X

END - yoke, for O8775AB brake rod

2шт.

O6044AB

X

SNAP RING - differential brake pedal ratchet stud

1шт.

O6698AB

PIN - differential brake pedal lock

1шт.

3/8" x 2" type 1 groove pin

1шт.

O7183AB

X

PAWL - differential brake pedal

1шт.

3/8" x 7/8" hex hd. cap screw, N.C. thrd., with lockwasher

1шт.

O7607AB

WASHER - differential brake cross shaft

1шт.

O8295AB

X

INSERT - for 6097A actuating disc

12шт.

O8296AB

X

BALL - 5/8" steel, for 6097 actuating disc

6шт.

O8651AB

X

KEY - for 6107A lever

1шт.

O8761AB

BOLT - differential brake bearing carrier anchor

2шт.

1/2" hex nut, light, N.F. thrd., with lockwasher and U.S. std. washer

4шт.

O8762AB

X

CAP - differential brake dust

2шт.

O8763AB

X

ROD - pull, differential brake

2шт.

O8764AB

X

TRUNNION - differential brake pull rod

2шт.

O8765AB

X

NUT - differential brake pull rod

2шт.

O8770AB

PIN - fulcrum, differential brake pedal

1шт.

3/8" x 1-1/4" sq. hd. cup point set screw, N.C. thrd.

1шт.

3/8" hex jam nut, N.c. thrd.

1шт.

O8771AB

RATCHET - differential brake pedal (Prior to serial #8060852) See A9443

1шт.

O8772AB

STUD - differential brake pedal ratchet

1шт.

O8773AB

X

SPRING - differential brake pedal

2шт.

O8774AB

STUD - differential brake pedal spring hanger

1шт.

3/4" hex nut, light, N.F. thrd.

1шт.

O8775AB

ROD - differential brake

2шт.

1/2" hex jam nut, light, N.F. thrd.

2шт.

O8780AB

X

SPRING - actuating disc

6шт.

O8781AB

X

LINK - single, actuating disc

2шт.

O8782AB

X

LINK - yoke, actuating disc

2шт.

O8783AB

X

BOLT - actuating disc link

4шт.

3/8" hex jam nut, light, N.F. thrd.

4шт.

O8788AB

X

RIVET - differential brake lining

72шт.

O459FH

X

RING - retaining, differential brake cross shaft

1шт.

3973AA

X

DISC - middle with brake lining

4шт.

3978AA

SHAFT - cross, with lever, differential brake

1шт.

4046AA

X

LININGS - set of two, with rivets, for 3973AA disc

4шт.

Выбрано товаров: 54