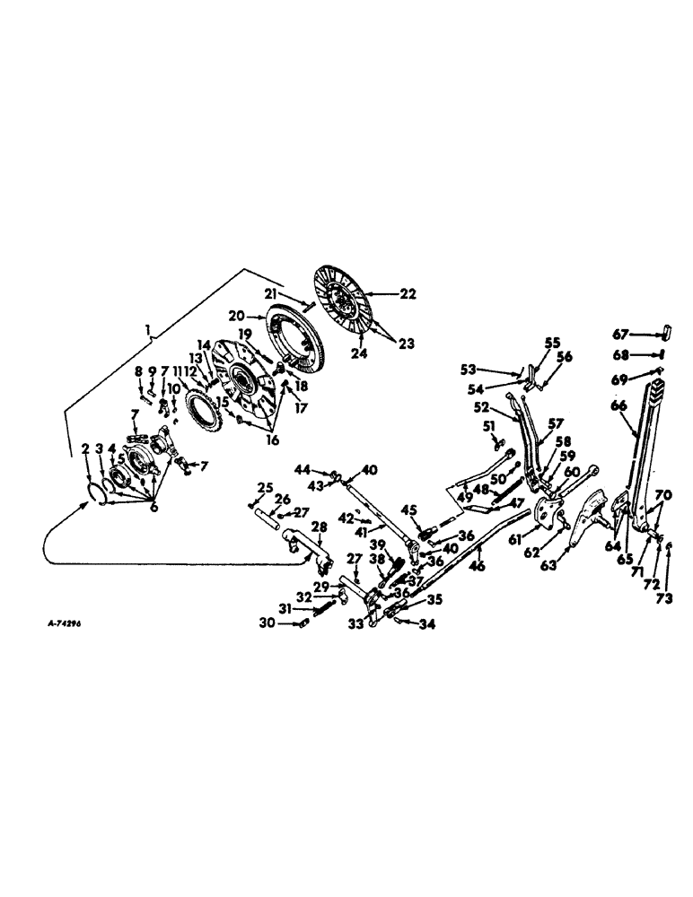
Запчасти Case IH 560 (139) - CLUTCH, OVER-CENTER CLUTCH, CONTROLS & CONNECTIONS, TWO LEVER SYSTEM, INTERNATIONAL 560 & 660 SERIES (03.1) - CLUTCH

Схема запчастей Case IH 560 - (139) - CLUTCH, OVER-CENTER CLUTCH, CONTROLS & CONNECTIONS, TWO LEVER SYSTEM, INTERNATIONAL 560 & 660 SERIES (03.1) - CLUTCH
42
63
6
38
9
62
35
40
36
27
8
20
70
61
72
56
2
16
24
57
17
36
19
66
69
36
13
21
34
31
29
7
65
25
32
52
73
47
64
27
7
11
43
30
48
7
23
46
22
37
3
67
28
4
1
51
5
10
60
26
49
15
41
39
33
50
14
53
68
54
12
71
44
58
18
45
40
55
59
FIT
1:1
100%

Артикул

Название

Примечание

Количество

1

373462R92

PLATE ASSEMBLY, clutch pressure

1шт.

SCREW, 1/2 x 1-1/8" cap

6шт.

WASHER, 1/2" lock

6шт.

2

374010R1

RING, SNAP

RING, release sleeve outer snap

1шт.

3

374009R1

RING, release sleeve inner snap

1шт.

4

374008R91

BEARING ASSY,2.1654" ID x 3.5433" OD x 0.7087"

release sleeve

1шт.

5

109461

LUBE NIPPLE,1/8"-27 x .66 lg

NIPPLE, LUBE, (Optional with 138322H) 1/8"-27 x .66 lg

1шт.

5

80710

LUBE NIPPLE,1/8” – 27 Dryseal PTF

NIPPLE, LUBE, (Optional with 109461) 1/8"-27 x .66 lg

1шт.

6

373997R91

CARRIER

ASSEMBLY, release sleeve and bearing

1шт.

7

374003R1

LINK

connecting

3шт.

8

374005R1

PIN

long link

3шт.

9

374004R1

PIN

short link

3шт.

10

255395R1

RING

retainer

6шт.

11

373998R2

RING, adjusting

1шт.

12

267689R1

LOCK WASHER

"X"

3шт.

13

Q398

WASHER

11/32 x 11/16" x 16 ga

3шт.

14

374002R1

SPRING

return inner

3шт.

14

382142R1

SPRING

return outer

3шт.

15

373996R1

LOCK

back plate adjusting

1шт.

16

376995R92

PLATE ASSEMBLY, back

1шт.

17

303242R1

SCREW

back plate adjusting lock

1шт.

NUT, 3/8 NF

1шт.

WASHER, 3/8" internal tooth lock

1шт.

18

374000R1

LEVER, release

3шт.

19

577247R1

LOCK PIN,3/8" x 2", Slotted

Pin, 3/8" x 2", Slotted

3шт.

20

373999R1

PLATE

pressure

1шт.

21

374001R1

STUD

return spring

3шт.

22

3590169R3

DISC ASSEMBLY, clutch driven

1шт.

23

64103R21

FACING SET, clutch (consists of two facings w/twenty six rivets, 37508D)

1шт.

24

37508D

RIVET,Csk, .146" x 3/8", Brass

clutch facing

26шт.

25

109455

LUBE NIPPLE,5/16" x .56 lg, Drive

FITTING, 5/16" straight drive type lubrication (optional with 109358)

1шт.

25

109358

FITTING, 5/16" straight drive type lubrication (optional with 109455)

1шт.

26

373432R1

SHAFT, clutch release RH

1шт.

27

18465D

WASHER

KEY, clutch release fork

2шт.

28

373431R1

FORK, cutch release

1шт.

SCREW, 3/8 x 1-1/2" cap

2шт.

29

381985R91

SHAFT ASSEMBLY, clutch release LH (unit A)

1шт.

29

373437R91

SHAFT ASSEMBLY, clutch release LH (unit B)

1шт.

30

373472R1

CLIP, clutch handle return spring (unit B)

1шт.

31

360508R1

SPRING

clutch handle return (unit B)

1шт.

32

373928R1

ANCHOR, clutch handle return spring (unit B)

1шт.

33

109455

LUBE NIPPLE,5/16" x .56 lg, Drive

FITTING, 5/16" straight drive type lubrication (optional with 109358) (unit B)

1шт.

33

109358

FITTING, 5/16" straight drive type lubrication (optional with 109455) (unit B)

1шт.

34

373474R1

PIN, 1/2 x 5/8" headed

1шт.

PIN, 3/16 x 1" cotter

1шт.

35

104039

ADJUSTABLE CLEVIS,1/2"-20 x 3"

CLEVIS, 1/2" NF adjustable rod end

1шт.

114469

NUT, 1/2" NF jam

1шт.

36

373474R1

PIN, 1/2 x 5/8" headed (3 for unit A)

1шт.

PIN, 3/16 x 1" cotter

3шт.

37

304522R1

VALVE SPRING

SPRING, torque amplifier lever return (unit A)

1шт.

38

382136R1

EYE, clutch release lever (unit A)

1шт.

114496

HOURMETER,Jam, 1/2"-20, G5

NUT, 1/2 NF jam

1шт.

11002VA

WASHER

17/32 x 7/8" x 16 ga

3шт.

39

359928R1

YOKE, clutch lever to torque amplifier control lever (unit A)

1шт.

40

109461

LUBE NIPPLE,1/8"-27 x .66 lg

NIPPLE, LUBE, (Optional with 138322H) (2 for unit A) 1/8"-27 x .66 lg

1шт.

40

80710

LUBE NIPPLE,1/8” – 27 Dryseal PTF

NIPPLE, LUBE, (Optional with 109461) (2 for unit A) 1/8"-27 x .66 lg

1шт.

41

366353R91

SHAFT ASSEMBLY, torque amplifier clutch release (unit A)

1шт.

42

NLS

NO LONGER SERVICED

KEY, no. 8 Woodruff (2 for unit A)

1шт.

43

359908R1

THRUST WASHER

torque amplifier clutch release shaft (2 for unit A)

1шт.

44

359909R1

RING

RETAINER, torque amplifier clutch release shaft (2 for unit A)

1шт.

45

382135R1

YOKE, torque amplifier clutch operating rod (unit A)

1шт.

114496

HOURMETER,Jam, 1/2"-20, G5

NUT, 1/2" NF jam

1шт.

46

381987R11

ROD ASSEMBLY, clutch control (unit A)

1шт.

11002VA

WASHER

17/32 x 7/8" x 16 ga

2шт.

47

382134R1

ANCHOR, torque amplifier handle spring (unit A)

1шт.

48

357164R1

SPRING

torque amplifier handle return (unit A)

1шт.

49

370673R11

ROD ASSEMBLY, torque amplifier clutch control (unit A)

1шт.

11002VA

WASHER

17/32 x 7/8" x 16 ga

2шт.

50

382000R1

SPACER, torque amplifier handle ratchet (560 series) (2 for unit A)

1шт.

51

382133R1

PAWL, torque amplifier handle (unit A)

1шт.

52

359917R11

HANDLE, w/pin, 141283 and pin, 359918R1 assembly, torque amplifier operating (unit A)

1шт.

NLS

NO LONGER SERVICED

PIN, 1/2 x 1" dowel

1шт.

53

359920R2

SPRING

pawl control grip (unit A)

1шт.

54

356893R2

WASHER

RETAINER, pawl control grip (2 for unit A)

1шт.

55

359921R2

GRIP, pawl control (unit A)

1шт.

56

359922R2

PIN

pawl control grip (2 for unit A)

1шт.

57

359923R11

ROD ASSEMBLY, pawl actuating (unit A)

1шт.

PIN, 1/16 x 1/2" cotter

1шт.

WASHER, 9/32 x 5/8" x 16 ga

1шт.

58

80722

LUBE NIPPLE,3/16" x .55" lg, Drive

FITTING, 3/16" straight drive type lubrication (optional with 273354) (unit A)

1шт.

58

273354

SHEAVE

FITTING, 3/16" straight drive type lubrication (optional with 443566) (unit A)

1шт.

59

359918R1

PIN, torque amplifier clutch rod (unit A)

1шт.

PIN, 1/8 x 1" cotter

1шт.

60

359919R2

BOLT, torque amplifier handle pivot (unit A)

1шт.

NUT, 9/16 NF

1шт.

WASHER, 9/16" lock

1шт.

WASHER, 25/32 x 1-1/4" x 11 ga

1шт.

61

381999R1

RATCHET, torque amplifier handle (unit A)

1шт.

62

382001R1

BRACE, platform to torque amplifier ratchet (unit A)

1шт.

NUT, 3/8"

1шт.

SCREW, 3/8 x 3/4" cap

1шт.

SCREW, 3/8 x 7/8" cap

1шт.

WASHER, 13/32 x 13/16 x 16 ga

1шт.

63

381988R11

BRACKET ASSEMBLY, clutch operating handle (unit A)

1шт.

63

373441R11

BRACKET ASSEMBLY, clutch operating handle (unit B)

1шт.

SCREW, 5/8 x 3" cap (560 series) (2 for unit B)

1шт.

SCREW, 5/8 x 3-1/4 cap

2шт.

64

382131R11

PAWL ASSEMBLY, clutch operating handle (unit A)

1шт.

65

382132R1

BUSHING, clutch operating handle pawl (unit A)

1шт.

66

373446R1

ROD, torque amplifier stop operating (unit A)

1шт.

67

373449R1

BUTTON

hand lever release

1шт.

617937R1

PIN,1/4" x 7/8", Coiled

(unit B) 1/4" x 7/8", Coiled

1шт.

68

373448R1

SPRING

handle button (unit A)

1шт.

69

373447R1

PLATE, handle button spring (unit A)

1шт.

70

373443R11

HANDLE ASSEMBLY, clutch operating (unit A)

1шт.

70

373444R91

HANDLE ASSEMBLY, clutch operating (unit B)

1шт.

71

382130R1

BUSHING, clutch operating handle

1шт.

72

552416R1

WASHER, clutch operating handle (unit A)

1шт.

72

370451R1

WASHER

clutch operating handle

1шт.

73

373522R1

SNAP RING,#87, .668" Dia, E-Type

Ring, Retaining, , clutch operating handle #87, .668" Dia, E-Type

1шт.

382501R91

1шт.

PACKAGE, two lever system field conversion, consists of (1) anchor 382134R1, (1) bolt 359919R2, (1) brace 382001R1, (1) bracket 381988R11, (1) bushing 382130R1, (1) button 373449R1, (1) clevis 104039, (1) fitting 109455, (2) fitting 109461, (1) fitting 443566, (1) grip 359921R2, (1) handle 359917R11, (1) nut 102635, (1) nut 103029, (3) nut 114496, (1) pawl 382131R11, (1) pawl 382133R1, (1) pin 103361, (1) pin 103385, (4) pin 103407, (2) pin 359922R2, (4) pin 374347, (1) plate 373447R1, (1) ratchet 381999R1,

1шт.

Выбрано товаров: 0