Запчасти Case IH 600-SERIES (042) - LP-GAS ENGINE, FUEL TANK (02) - ENGINE

Схема запчастей Case IH 600-SERIES - (042) - LP-GAS ENGINE, FUEL TANK (02) - ENGINE
FIT
1:1
100%

Артикул

Название

Примечание

Количество

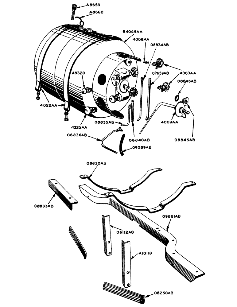
A8659

VALVE - safety relief

1шт.

A8660

CAP - safety relief valve

1шт.

A9320

VALVE - vapor return

1шт.

A10118

LUBE NIPPLE

POST - fuel tank rear support, L.H.

1шт.

1/2" X 1" N.C. HEX. HD. CAP SCREW W/LOCKWASHER

2шт.

O6112AB

POST - fuel tank rear support, R.H.

1шт.

1/2" X 1" N.C. HEX. HD. CAP SCREW W/LOCKWASHER

2шт.

1/2" X 1-1/4" N.F. HEX. HD. CAP SCREW W/NUT AND LOCKWASHER

1шт.

O7659AB

LOOM - vapor valve to tee tube

1шт.

O8250AB

BRACE - fender, and fuel tank rear angle

2шт.

O8830AB

CRADLE - fuel tank

2шт.

1/2" X 1-1/2" N.F. HEX. BOLT W/HEX. NUT AND LOCKWASHER

2шт.

O8833AB

ANGLE - fuel tank front support

1шт.

3/8" X 1 N.F. HEX. BOLT W/HEX. NUT AND LOCKWASHER

3шт.

O8834AB

TUBE - vapor outlet valve to tee, w/nut

1шт.

O8835AB

TUBE - liquid outlet valve, w/nut

1шт.

O8836AB

TUBE -, Serial Range: tee-filter

1шт.

IMPERIAL TEE #884L (3/8" tube size)

1шт.

O8840AB

LOOM - liquid valve to tee tube

1шт.

O8845AB

ADAPTER - rotogage

1шт.

1/4" - 28 x 3/4" N.F. rd. hd. mach. screw w/lockwasher

4шт.

O8846AB

GASKET - rotogage adapter

1шт.

O9089AB

LOOM - tee to filter tube

1шт.

O9881AB

ANGLE - rear, fuel tank and fender support

1шт.

1/2" X 1-1/4" N.F. HEX. BOLT W/HEX. NUT AND LOCKWASHER

2шт.

4003AA

X

VALVE - liquid and vapor outlet

2шт.

4008AA

GAUGE - fixed liquid level

1шт.

4009AA

ROTOGAGE - with 13-1/8" dip tube

1шт.

4022AA

STRAP - fuel tank and "T" bolt

2шт.

B4045AA

TANK - fuel, with valves and gauge assembly

1шт.

4323AA

VALVE - double check filler (3/4" pipe thrd.) for A4002AA fuel tank

1шт.

Выбрано товаров: 0