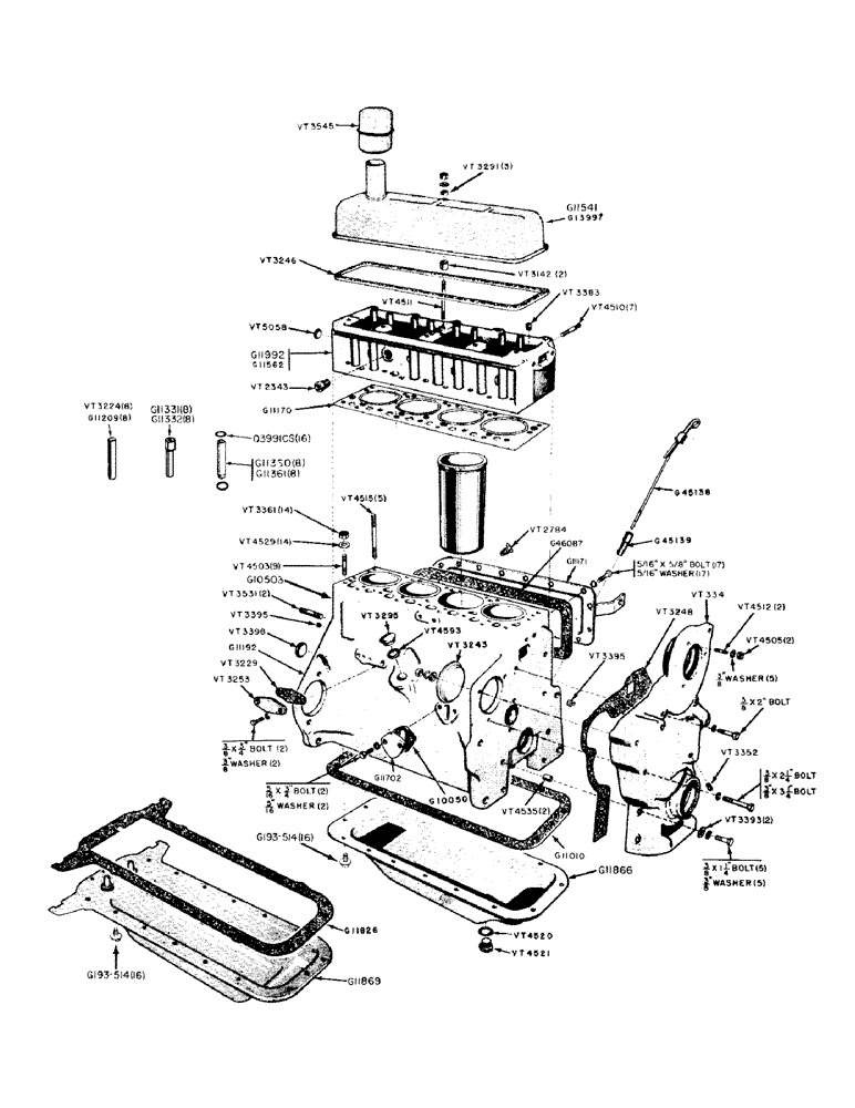
Запчасти Case IH 600B-SERIES (006) - CYLINDER HEAD, BLOCK, TIMING GEAR COVER AND OIL PAN PARTS (02) - ENGINE

Схема запчастей Case IH 600B-SERIES - (006) - CYLINDER HEAD, BLOCK, TIMING GEAR COVER AND OIL PAN PARTS (02) - ENGINE
FIT
1:1
100%

Артикул

Название

Примечание

Количество

G2001

HEAD (Use G11992)

1шт.

G2023

HEAD (Use G11562)

1шт.

G11170

CYLINDER HEAD GASKET

- cylinder, Serial Range: head-block

1шт.

G11209

TUBE - push rod, straight (3-25/64") L.P.G.

8шт.

G11331

TUBE - push rod, w/shoulder (3-19/32") gasoline 0.687" OD x 3.281" L

8шт.

G11332

TUBE - push rod, w/shoulder (3-25/64") L.P.G.

8шт.

G11541

COVER - valve (L.P.G.) see G13997

1шт.

G11562

HEAD - cylinder (Includes guides, tubes, "O" rings, inserts, studs and plugs) L.P.G.

1шт.

G11360

TUBE,0.687" OD x 3.687" L

- push rod, beveled (3-11/16") gasoline

8шт.

G11361

TUBE - push rod, beveled (3-17/32") L.P.G.

8шт.

G11992

HEAD - cylinder (Includes guides, tubes, "O" rings, inserts, studs and plugs) gasoline

1шт.

G13997

COVER - valve (Gasoline) See G11541

1шт.

VT2343

X

ADAPTER - temperature gage heat bulb

1шт.

VT3142

X

SPACER - valve cover

2шт.

VT3224

TUBE - push rod, straight (3-19/32") gasoline

8шт.

VT3246

GASKET - valve, Serial Range: cover-head

1шт.

VT3291

X

WASHER - valve cover stud (1" O.D. x 13/32" I.D. x 1/8")

3шт.

VT3361

X

NUT - cylinder head to block studs

14шт.

VT3383

X

PLUG - heat fuse

1шт.

VT3545

X

CAP - oil filler and breather

1шт.

VT4510

X

STUD - manifold to head (3/8" x 1-3/4")

7шт.

VT4511

STUD - valve cover (3/8" x 5")

1шт.

3/8" N.F. hex. nut

1шт.

VT4529

WASHER

- cylinder head stud (15/16" O.D. x 17/32" I.D. #16 ga.)

14шт.

VT5058

PLUG - safety freeze (1-1/8" Hubbard)

1шт.

O3991CS

X

"O" RING - beveled push rod tube (7/8" O.D.)

16шт.

G2000

X

BLOCK (Use G11192 or G10503), cylinder

1шт.

G10050

GASKET - cover, fuel pump opening, cylinder block

1шт.

G10503

SHORT BLOCK ASSEMBLY (Includes camshaft, pistons and sleeves, connecting rods, crankshaft, timing gears and oil pump), cylinder

1шт.

G11171

COVER - side, includes generator mounting bracket, cylinder block

1шт.

5/16" x 5/8" N.C. hex. hd. bolt w/lockwasher

17шт.

G11192

X

BLOCK - cylinder, complete with mainbearing caps, place bolts, camshaft bushings, studs, cylinder sleeves and set of matched pistons w/rings, pins, and dipstick

1шт.

G11702

COVER

- fuel pump opening, cylinder block

1шт.

5/16" x 3/4" N.C. hex. hd. bolt w/lockwasher

2шт.

G45138

DIPSTICK

- oil level, cylinder block

1шт.

G45139

BRACKET

SUPPORT - oil gage rod, cylinder block

1шт.

G46087

GASKET

- side cover, cylinder block

1шт.

VT2784

X

VALVE - water drain, cylinder block

1шт.

VT3229

X

GASKET - oil filter opening pad, cylinder block

1шт.

VT3243

X

COVER - magneto drive hole, cylinder block

1шт.

VT3253

PAD - oil filter opening, cylinder block

1шт.

3/8" x 3/4" N.C. hex. hd. bolt w/lockwasher

2шт.

VT3295

COVER - distributor drive hole, cylinder block

1шт.

VT3395

X

PLUG - oil gallery (1/4" std. P.T. socket hd.), cylinder block

2шт.

VT3398

X

PLUG - rear camshaft bearing (2-1/8" O.D. Hubbard), cylinder block

1шт.

VT3531

X

STUD - block to torque tube (5/8" x 3"), cylinder

2шт.

VT4503

X

STUD - cylinder head (1/2" x 2"), block

9шт.

VT4515

X

STUD - cylinder head (1/2" x 5-13/16"), block

5шт.

VT4593

X

"O" RING - distributor hole seal, cylinder block

1шт.

VT334

COVER - timing gear

1шт.

3/8" x 1-1/4" N.C. hex. hd. bolt w/lockwasher

5шт.

3/8" x 2" N.C. hex. hd. bolt w/lockwasher

1шт.

3/8" x 2-1/4" N.C. hex hd. bolt w/lockwasher

1шт.

3/8" x 3-1/4" N.C. hex. hd. bolt w/hex. nut, lockwasher and plain washer

3шт.

VT3248

X

GASKET - timing gear cover

1шт.

VT3352

X

PLUG - pipe (1/8" slotted), timing gear cover

1шт.

VT3393

X

WASHER - cover bolt (3/4" O.D. x 13/32" I.D. x 1/16"), timing gear cover

2шт.

VT4505

NUT - water pump stud (3/8" hex.), timing gear cover

2шт.

VT4512

X

STUD - water pump (3/8" x 1"), timing gear cover

2шт.

VT4535

X

RING - dowel, timing gear, Serial Range: cover-block

2шт.

G11010

X

GASKET KIT - 500B series oil pan (Includes VT4520 gasket)

1шт.

G11826

X

GASKET KIT - 600B series oil pan (Includes VT4520 gasket)

1шт.

G11866

X

OIL PAN (Includes drain plug and gasket and 16-G193-514 attaching bolts, Shakeproof #62-311275-02) 500B series

1шт.

G11869

OIL PAN - 600B series (Includes drain plug and gasket and 14-G193-514 attaching bolts, Shakeproof #62-311275-02)

1шт.

VT4520

X

GASKET - drain plug, oil pan

1шт.

VT4521

X

PLUG - drain, oil pan

1шт.

G193-514

BOLT - oil pan attaching

16шт.

Выбрано товаров: 67