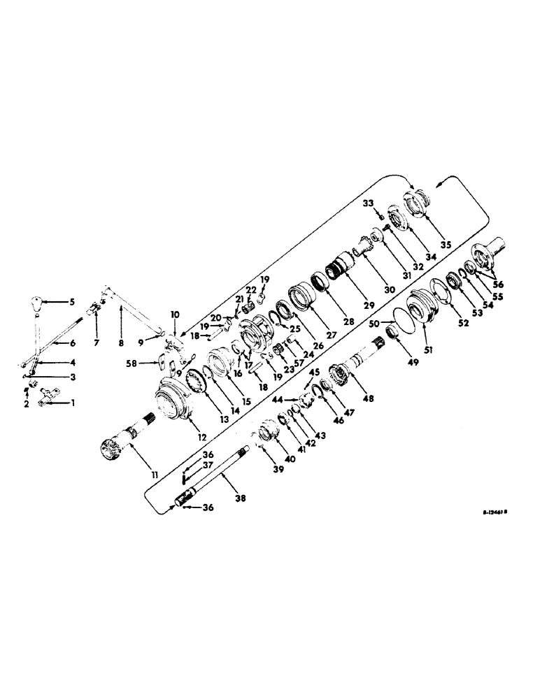
Запчасти Case IH 606 (114) - REAR FRAME AND DRIVING MECHANISMS, FORWARD AND REVERSE DRIVE Rear Frame & Driving Mechanisms

Схема запчастей Case IH 606 - (114) - REAR FRAME AND DRIVING MECHANISMS, FORWARD AND REVERSE DRIVE Rear Frame & Driving Mechanisms
56
50
35
22
32
7
55
36
16
57
42
53
48
40
43
58
41
37
21
45
52
28
9
11
13
36
26
19
15
49
25
8
6
47
18
38
51
4
31
19
27
12
33
10
39
2
44
9
46
30
24
54
5
3
29
23
1
20
18
19
14
34
17
FIT
1:1
100%

Артикул

Название

Примечание

Количество

1

370481R11

BRACKET ASSEMBLY, selector handle

1шт.

SCREW, 7/16 x 2-1/4" cap

2шт.

2

80711

LUBE NIPPLE,65 Degree, 1/8" NPT x 7/8" lg

FITTING, 1/8-27 x 65 deg. lubrication (optional with 271284)

1шт.

2

219-40

LUBE NIPPLE,65 Degree Elbow, 1/8" - 27 NPTF

1/8-27 x 67-1/2 deg. lubrication (optional with 109460)

1шт.

3

370483R1

RING, selector handle pivot snap

1шт.

4

370484R2

HANDLE, selector

1шт.

446229

WASHER,1/2" x 1 1/4" x .109"

9/16 x 1-1/4 x 12 ga

1шт.

5

53717DA

BUTTON

BALL, selector handle

1шт.

6

370480R11

ROD ASSEMBLY, selector

1шт.

NUT, 3/8"NF

1шт.

S363-1/2

PIN, 3/8 x 1-1/4" headed

1шт.

PIN, 1/8 x 7/8" cotter

1шт.

WASHER, 3/8 x 3/4 x 16 ga

1шт.

7

213-316

ADJUSTABLE CLEVIS,3/8" - 24

CLEVIS, 3/8" rod end

1шт.

NLS

NO LONGER SERVICED

PIN, 3/8 x 1-3/32" rod end

1шт.

PIN, 3/32 x 3/4" cotter

1шт.

8

370478R12

SHAFT

ASSEMBLY, selector lever

1шт.

41116D

KEY

selector shaft

1шт.

9

350667R1

O-RING,0.103" Thk x 0.674" ID, -115, Cl 5, 75 Duro

selector lever shaft (11/16 x 7/8 x 3/32")

2шт.

10

318720R91

FORK TEDDER

FORK ASSEMBLY, selector

1шт.

SCREW, 3/8 x 1-1/4" cap

1шт.

11

381051R1

SHAFT, transmission drive

1шт.

12

370499R11

CAGE ASSEMBLY, transmission drive shaft bearing

1шт.

SCREW, 3/8 x 1-1/2" cap

1шт.

13

ST345A

BALL BEARING,60mm ID x 110mm OD x 22mm W

transmission drive shaft

1шт.

14

357194R1

RING

transmission drive shaft bearing snap

1шт.

15

370495R1

SPACER, planet carrier

1шт.

16

370486R91

NEEDLE BEARING

transmission drive shaft needle

1шт.

17

370485R11

CARRIER ASSEMBLY, planet

1шт.

SCREW, 5/16 x 1" cap

3шт.

18

370487R1

SHAFT, planet gear

6шт.

19

370488R1

PLATE, planet gear thrust

6шт.

20

364634R91

PIN

PACKAGE, planet gear bearing needle (consists of 138 rollers)

1шт.

21

359888R1

SPACER

planet gear roller bearing

3шт.

22

370491R1

GEAR

planet-long

3шт.

23

370490R1

GEAR, planet-short

3шт.

24

370489R1

SPACER, planet gear

3шт.

25

357035R1

RING

reverse drive sun gear bearing snap

1шт.

26

ST626

BALL BEARING, reverse drive sun gear front

1шт.

27

370474R1

CAGE, reverse sun gear bearing

1шт.

28

454946R91

BEARING, reverse sun gear needle

1шт.

29

370497R2

PINION

GEAR, reverse sun gear

1шт.

30

370500R2

COUPLING

transmission drive spline

1шт.

31

370752R1

RETAINER

transmission drive shaft

1шт.

32

371755R2

BOLT (SPREADER),Hex, 3/8" - 24 x 1"

BOLT, transmission drive shaft retainer

1шт.

33

59473DA

LOCK

spline shifter coupling collar bolt

4шт.

34

341721R1

COUPLING

spline shifter

1шт.

35

341722R1

COLLAR, spline shifter coupling

1шт.

181361

BOLT,Hex, 3/8" - 24 x 7/8", Gr 5

SCREW, 3/8 x 7/8" cap

4шт.

36

17010R1

BALL,5/16" Dia

Forward & reverse poppet 5/16" Dia

2шт.

37

370505R2

VALVE SPRING

SPRING, forward and reverse poppet

1шт.

38

370503R1

SHAFT, clutch

1шт.

39

370856R1

RING, SNAP

RING, clutch shaft bearing cage snap

1шт.

40

378689R1

CAGE, clutch shaft bearing

1шт.

41

451590R91

BALL BEARING,30mm ID x 55mm OD x 13mm W

BALL BEARING, clutch shaft

1шт.

42

370504R1

RING

clutch shaft snap

1шт.

43

370510R91

OIL SEAL

clutch shaft carrier

1шт.

44

378690R1

CARRIER

clutch shaft oil seal

1шт.

45

17006R1

BALL

3/16" dia. cr-stl

1шт.

46

378691R1

RING

clutch shaft oil seal carrier snap

1шт.

47

378693R91

OIL SEAL

OIL SEAL, independent power take-off drive shaft

1шт.

48

381702R1

SHAFT

independent power take-off drive

1шт.

49

112822R91

NEEDLE BEARING,Needle, 50.78mm ID x 60.31mm OD x 25.4mm W

independent power take-off drive shaft needle

1шт.

50

252556R1

O-RING,0.139" Thk x 5.234" ID, -252, Cl 5, 75 Duro

independent power take-off drive shaft bearing cage (5-1/4 x 5-1/2 x 1/8")

1шт.

51

378694R2

CAGE, independent power take-off drive shaft bearing

1шт.

SCREW, 3/8 x 1" hex-hd cap

4шт.

52

370518R1

GASKET

independent power take-off drive shaft bearing retainer

1шт.

53

ST631

BALL BEARING,45 mm ID x 75 mm OD x 16 mm

independent power take-off drive shaft

1шт.

54

359894R1

RING, SNAP

RING, independent power take-off drive shaft bearing snap

1шт.

55

384386R91

OIL SEAL,42.7mm ID x 63.7mm OD x 8.33mm Thk

Oil, Independent PTO Drive Shaft Bearing Retainer 1.752" ID x 2.503" OD x .689

1шт.

56

370516R11

HUB

RETAINER ASSEMBLY, independent power take-off drive shaft bearing

1шт.

SCREW, 3/8 x 1" cap

4шт.

57

370493R1

BEARING, NEEDLE

ROLLER, planet gear bearing needle

69шт.

58

345780R1

BLOCK

selector fork

2шт.

Выбрано товаров: 74